Запчасти Komatsu NT-855-1B ТРУБОПРОВОД ВПУСКА ВОЗДУХА И СОЕДИН-Е ГОЛОВКА ЦИЛИНДРОВ

Схема запчастей Komatsu NT-855-1B - ТРУБОПРОВОД ВПУСКА ВОЗДУХА И СОЕДИН-Е ГОЛОВКА ЦИЛИНДРОВ
FIT
1:1
100%

Артикул

Название

Примечание

Количество

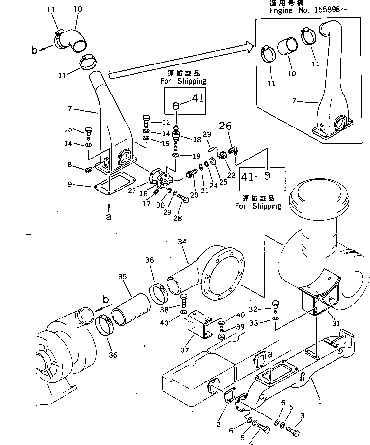
1

6711-11-4110

MANIFOLD,AIR INTAKE

SN: 139849-UP

1шт.

|1

6711-11-4130

MANIFOLD,RADIO CONTROLLED SLAG HANDLING

SN: 155898-UP

1шт.

2

6610-11-4812

GASKET (K1)

SN: 155814-UP

3шт.

|2

0

GASKET (K1)

SN: 139849-155813

3шт.

3

02010-70632

BOLT

SN: 139849-UP

6шт.

4

02010-70638

BOLT

SN: 139849-UP

3шт.

5

01602-00929

WASHER,SPRING

SN: 139849-UP

9шт.

6

01640-21016

WASHER

SN: 139849-UP

9шт.

7

6711-11-4231

CONNECTOR

SN: 155898-UP

1шт.

|7

0

CONNECTOR

SN: 139849-155897

1шт.

|$$11

(6711-11-4231{6711-11-4720)}

-1шт.

8

07042-00108

PLUG

SN: 139849-UP

2шт.

9

6645-11-4221

GASKET (K1)

SN: 139849-UP

1шт.

10

6711-11-4720

HOSE

SN: 155898-UP

1шт.

|10

6631-11-4730

HOSE

SN: 139849-155897

1шт.

11

07281-01029

CLAMP

SN: 173233-UP

2шт.

|11

0

CLAMP

SN: 139849-173232

2шт.

12

02010-70638

BOLT

SN: 139849-UP

3шт.

|12

02010-70638

BOLT,RADIO CONTROLLED SLAG HANDLING

SN: 155898-UP

2шт.

13

02010-70644

BOLT

SN: 139849-UP

1шт.

|13

02010-70644

BOLT,RADIO CONTROLLED SLAG HANDLING

SN: 155898-UP

2шт.

14

01602-00929

WASHER,SPRING

SN: 139849-UP

4шт.

15

01640-21016

WASHER

SN: 139849-UP

4шт.

|15

01640-21016

WASHER,RADIO CONTROLLED SLAG HANDLING

SN: 155898-UP

4шт.

16

6675-11-4950

COVER

SN: 139849-UP

1шт.

17

02720-20204

PLUG

SN: 139849-UP

1шт.

18

600-815-2110

GLOW PLUG

SN: 139849-UP

1шт.

19

600-815-2190

GASKET (K1)

SN: 139849-UP

1шт.

|20

6610-81-4103

NOZZLE ASS'Y,PREHEATER

SN: 139849-UP

1шт.

20

6610-81-4112

NOZZLE ASS'Y,PREHEATER

SN: 139849-UP

1шт.

21

6610-81-4120

PLATE (K1)

SN: 139849-UP

1шт.

22

6610-81-4132

ADAPTER

SN: 139849-UP

1шт.

23

6610-81-4140

PIN,GROOVE

SN: 139849-UP

1шт.

24

6610-81-4240

O-RING (K1)

SN: 139849-UP

1шт.

25

6610-81-4150

GASKET (K1)

SN: 139849-UP

1шт.

26

6610-81-8820

ELBOW

SN: 139849-UP

1шт.

27

6675-11-4960

GASKET (K1)

SN: 139849-UP

1шт.

28

01010-30825

BOLT

SN: 139849-UP

4шт.

29

01602-00825

WASHER,SPRING

SN: 139849-UP

4шт.

30

01640-20816

WASHER

SN: 139849-UP

4шт.

31

6711-11-4510

BRACKET,AIR CLEANER

SN: 139849-UP

1шт.

32

02010-70632

BOLT

SN: 139849-UP

3шт.

33

01602-00929

WASHER,SPRING

SN: 139849-UP

3шт.

34

6711-11-4210

CONNECTOR

SN: 139849-UP

1шт.

35

6691-11-4740

HOSE

SN: 139849-UP

1шт.

36

07281-01589

CLAMP

SN: 173541-UP

2шт.

|36

0

CLAMP

SN: 169929-173540

2шт.

|36

0

CLAMP

SN: 139849-169928

2шт.

37

6711-11-4530

BRACKET

SN: 139849-UP

1шт.

38

01010-31230

BOLT

SN: 139849-UP

2шт.

39

01010-31235

BOLT

SN: 139849-UP

2шт.

40

01602-01236

WASHER,SPRING

SN: 139849-UP

4шт.

41

6610-81-8950

CAP,(FOR SHIPPING)

SN: 139849-UP

2шт.

Выбрано товаров: 0