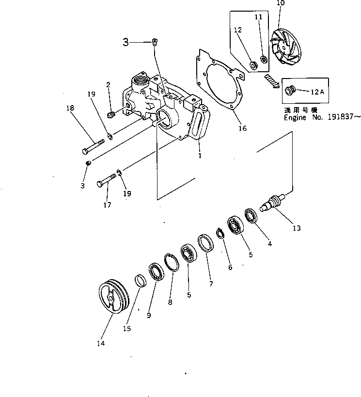
Запчасти Komatsu NT-855-1B ВОДЯНАЯ ПОМПА ОХЛАЖД-Е И ЭЛЕКТРИКАS

Схема запчастей Komatsu NT-855-1B - ВОДЯНАЯ ПОМПА ОХЛАЖД-Е И ЭЛЕКТРИКАS
FIT
1:1
100%

Артикул

Название

Примечание

Количество

|1

6711-62-1101

WATER PUMP ASS'Y

SN: 139849-UP

1шт.

1

6711-61-1111

BODY

SN: 139849-UP

1шт.

2

02720-20607

PLUG

SN: 139849-UP

1шт.

3

02720-20204

PLUG

SN: 139849-UP

2шт.

4

6711-61-1330

SEAL,OIL (K3)

SN: 139849-UP

1шт.

5

06000-06305

BEARING,BALL

SN: 139849-UP

2шт.

6

6712-61-1120

RING,SNAP

SN: 139849-UP

1шт.

7

6712-61-1130

SPACER

SN: 139849-UP

1шт.

8

6676-62-1120

RING,SNAP

SN: 139849-UP

1шт.

9

6711-61-1340

SEAL,OIL (K3)

SN: 139849-UP

1шт.

10

6711-61-1320

IMPELLER

SN: 139849-UP

1шт.

11

6711-61-1390

SEAT

SN: 165555-191836

1шт.

|11

6710-61-1390

SEAT

SN: 139849-165554

1шт.

12

6711-61-1380

SEAL,WATER (K3)

SN: 165555-191836

1шт.

|12

0

SEAL,WATER (K3)

SN: 139849-165554

1шт.

|$$16

(6711-61-1380{6711-61-1390)}

-1шт.

12A

6610-61-1520

SEAL¤ WATER (K3)

SN: 191837-UP

1шт.

13

6711-61-1312

SHAFT

SN: 139849-UP

1шт.

|14

6711-61-1050

PULLEY ASS'Y

SN: 139849-UP

1шт.

14

0

PULLEY

SN: 139849-UP

1шт.

15

6711-61-1150

SLEEVE

SN: 139849-UP

1шт.

16

6710-61-1230

GASKET (K3)

SN: 139849-UP

1шт.

17

02030-80657

BOLT

SN: 139849-UP

5шт.

18

02030-80683

BOLT

SN: 139849-UP

2шт.

19

01602-00929

WASHER,SPRING

SN: 139849-UP

7шт.

Выбрано товаров: 25