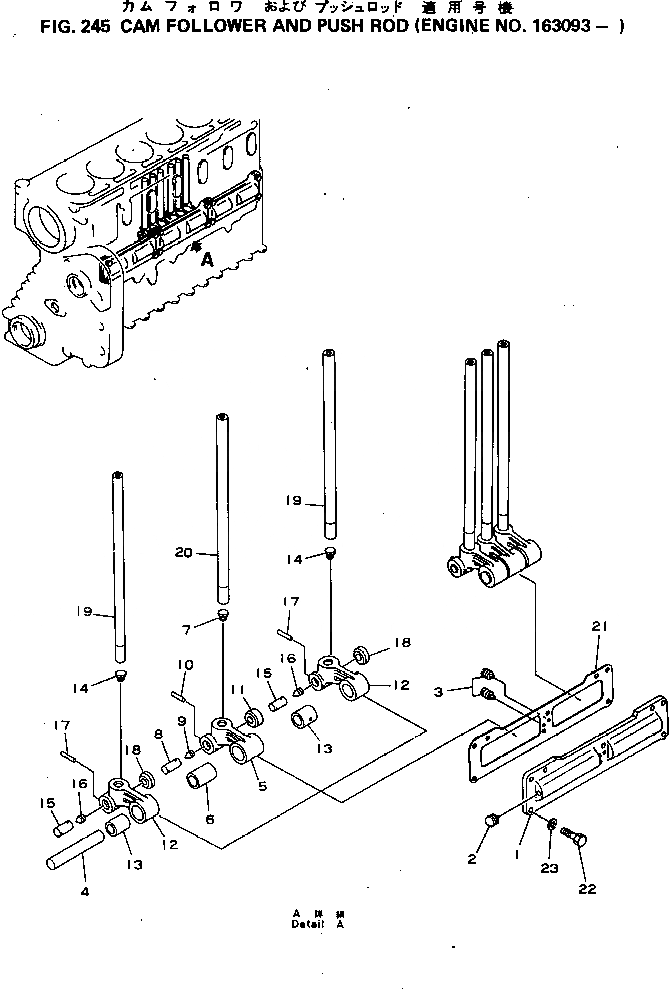
Запчасти Komatsu NT-855-1E ТОЛКАТЕЛЬ КЛАПАНА И PUSH ROD БЛОК ЦИЛИНДРОВ

Схема запчастей Komatsu NT-855-1E - ТОЛКАТЕЛЬ КЛАПАНА И PUSH ROD БЛОК ЦИЛИНДРОВ
FIT
1:1
100%

Артикул

Название

Примечание

Количество

|1

6610-41-2010

HOUSING ASS'Y,CAM FOLLOWER

SN: 163093-UP

3шт.

|1

6610-41-2020

HOUSING ASS'Y

SN: 163093-UP

1шт.

1

6610-41-2111

HOUSING

SN: 163093-UP

1шт.

2

6710-41-2130

PLUG

SN: 163093-UP

2шт.

3

6610-41-2120

SCREW

SN: 163093-UP

2шт.

4

6610-41-2140

SHAFT

SN: 163093-UP

2шт.

|5

6610-41-2050

LEVER ASS'Y

SN: 163093-UP

2шт.

|5

6610-41-2060

LEVER ASS'Y

SN: 163093-UP

1шт.

5

0

LEVER

SN: 163093-UP

1шт.

6

0

BUSHING

SN: 163093-UP

1шт.

7

6610-41-2330

SOCKET

SN: 163093-UP

1шт.

|8

6610-41-3040

PIN ASS'Y

SN: 163093-UP

1шт.

8

0

PIN

SN: 163093-UP

1шт.

9

6610-41-2360

PLUG

SN: 163093-UP

1шт.

10

6610-41-2370

PIN

SN: 163093-UP

1шт.

11

6610-41-2440

ROLLER

SN: 163093-UP

1шт.

|12

6610-41-2030

LEVER ASS'Y

SN: 163093-UP

4шт.

|12

6610-41-2040

LEVER ASS'Y

SN: 163093-UP

1шт.

12

0

LEVER

SN: 163093-UP

1шт.

13

0

BUSHING

SN: 163093-UP

1шт.

14

6610-41-2330

SOCKET

SN: 163093-UP

1шт.

|15

6610-41-3050

PIN ASS'Y

SN: 163093-UP

1шт.

15

0

PIN

SN: 163093-UP

1шт.

16

6610-41-2360

PLUG

SN: 163093-UP

1шт.

17

6610-41-2370

PIN

SN: 163093-UP

1шт.

18

6610-41-2340

ROLLER

SN: 163093-UP

1шт.

|19

6710-41-3020

ROD ASS'Y

SN: 163093-UP

12шт.

19

0

ROD

SN: 163093-UP

1шт.

|20

6610-41-3030

ROD ASS'Y

SN: 163093-UP

6шт.

20

0

ROD

SN: 163093-UP

1шт.

21

6610-41-2081

GASKET ASS'Y (K2)

SN: 173024-UP

1шт.

|21

0

GASKET ASS'Y (K2)

SN: 163093-173023

1шт.

|21

6610-41-2810

GASKET¤ 0.80MM

SN: 163093-UP

3шт.

|21

6610-41-2820

GASKET¤ 0.38MM

SN: 163093-UP

3шт.

|21

6610-41-2840

GASKET¤ 0.38MM

SN: 173024-UP

3шт.

|21

6610-41-2830

GASKET¤ 0.18MM

SN: 163093-UP

3шт.

22

02030-70625

BOLT

SN: 163093-UP

18шт.

23

02310-11224

WASHER,SPRING

SN: 163093-UP

18шт.

Выбрано товаров: 38