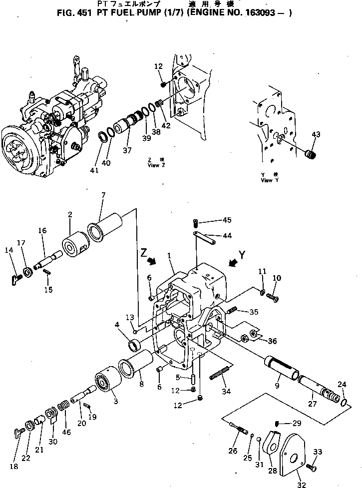
Запчасти Komatsu NT-855-1E PT ТОПЛИВН. НАСОС (/7) ТОПЛИВН. СИСТЕМА

Схема запчастей Komatsu NT-855-1E - PT ТОПЛИВН. НАСОС (/7) ТОПЛИВН. СИСТЕМА
FIT
1:1
100%

Артикул

Название

Примечание

Количество

|1

6711-71-1101

PT FUEL PUMP ASS'Y

SN: 190561-UP

1шт.

|1

6711-71-1100

PT FUEL PUMP ASS'Y

SN: 163093-190560

1шт.

|1

6710-73-1011

HOUSING ASS'Y

SN: .-UP

1шт.

|1

6710-73-1010

HOUSING ASS'Y

SN: 163093-.

1шт.

|1

6710-73-1020

HOUSING ASS'Y

SN: 163093-UP

1шт.

1

0

HOUSING

SN: 163093-UP

1шт.

2

6710-73-3031

BARREL ASS'Y

SN: .-UP

1шт.

|2

0

BARREL ASS'Y

SN: 163093-.

1шт.

|2

0

BARREL

SN: .-UP

1шт.

|2

0

BARREL

SN: 163093-.

1шт.

|2

0

SLEEVE

SN: 163093-UP

1шт.

3

6610-71-1030

BARREL ASS'Y

SN: 163093-UP

1шт.

|3

0

BARREL

SN: 163093-UP

1шт.

|3

0

SLEEVE

SN: 163093-UP

1шт.

4

6610-71-1120

BUSHING

SN: 163093-UP

1шт.

5

6610-71-1180

CLIP

SN: 163093-UP

1шт.

6

6610-71-1151

RING

SN: 163093-UP

2шт.

7

6610-71-3210

HOUSING

SN: 163093-UP

1шт.

8

6710-71-1140

HOUSING

SN: 163093-UP

1шт.

9

6710-71-1130

SLEEVE

SN: 163093-UP

1шт.

10

6710-71-1840

SCREW

SN: 163093-UP

1шт.

11

6710-81-8730

WASHER

SN: 163093-UP

1шт.

12

02720-40204

PLUG

SN: 163093-UP

4шт.

13

6710-71-1720

BALL

SN: 163093-UP

3шт.

|14

6710-73-3040

PLUNGER ASS'Y,RED

SN: 163093-UP

1шт.

|14

6710-79-3040

PLUNGER ASS'Y,BLUE

SN: 163093-UP

1шт.

|14

6710-78-3040

PLUNGER ASS'Y,GREEN

SN: 163093-UP

1шт.

|14

6710-77-3040

PLUNGER ASS'Y,YELLOW

SN: 163093-UP

1шт.

|14

6710-76-3040

PLUNGER ASS'Y,ORANGE

SN: 163093-UP

1шт.

|14

6710-75-3040

PLUNGER ASS'Y,BLACK

SN: 163093-UP

1шт.

14

6610-71-1430

DRIVE

SN: 163093-UP

1шт.

15

6710-71-3240

PIN

SN: 163093-UP

1шт.

16

6710-71-3360

PLUNGER,RED

SN: 163093-UP

1шт.

|16

6710-79-3360

PLUNGER,BLUE

SN: 163093-UP

1шт.

|16

6710-78-3360

PLUNGER,GREEN

SN: 163093-UP

1шт.

|16

6710-77-3360

PLUNGER,YELLOW

SN: 163093-UP

1шт.

|16

6710-76-3360

PLUNGER,ORANGE

SN: 163093-UP

1шт.

|16

6710-75-3360

PLUNGER,BLACK

SN: 163093-UP

1шт.

17

6710-71-3220

WASHER

SN: 163093-UP

1шт.

|18

6711-71-1401

PLUNGER ASS'Y,RED

SN: .-UP

1шт.

|18

0

PLUNGER ASS'Y,RED

SN: 163093-.

1шт.

|18

6711-79-1401

PLUNGER ASS'Y,BLUE

SN: .-UP

1шт.

|18

0

PLUNGER ASS'Y,BLUE

SN: 163093-.

1шт.

|18

6711-78-1401

PLUNGER ASS'Y,GREEN

SN: .-UP

1шт.

|18

0

PLUNGER ASS'Y,GREEN

SN: 163093-.

1шт.

|18

6711-77-1401

PLUNGER ASS'Y,YELLOW

SN: .-UP

1шт.

|18

0

PLUNGER ASS'Y,YELLOW

SN: 163093-.

1шт.

|18

6711-76-1401

PLUNGER ASS'Y,ORANGE

SN: .-UP

1шт.

|18

0

PLUNGER ASS'Y,ORANGE

SN: 163093-.

1шт.

|18

6711-75-1401

PLUNGER ASS'Y,BLACK

SN: .-UP

1шт.

|18

0

PLUNGER ASS'Y,BLACK

SN: 163093-.

1шт.

|18

6711-74-1401

PLUNGER ASS'Y,GREY

SN: .-UP

1шт.

|18

0

PLUNGER ASS'Y,GREY

SN: 163093-.

1шт.

|18

6711-73-1401

PLUNGER ASS'Y,PURPLE

SN: .-UP

1шт.

|18

0

PLUNGER ASS'Y,PURPLE

SN: 163093-.

1шт.

18

6610-71-1430

DRIVE

SN: 163093-UP

1шт.

19

6610-71-1440

PIN

SN: 163093-UP

1шт.

20

6710-71-1410

PLUNGER,RED

SN: 163093-UP

1шт.

|20

6710-79-1410

PLUNGER,BLUE

SN: 163093-UP

1шт.

|20

6710-78-1410

PLUNGER,GREEN

SN: 163093-UP

1шт.

|20

6710-77-1410

PLUNGER,YELLOW

SN: 163093-UP

1шт.

|20

6710-76-1410

PLUNGER,ORANGE

SN: 163093-UP

1шт.

|20

6710-75-1410

PLUNGER,BLACK

SN: 163093-UP

1шт.

|20

6710-74-1410

PLUNGER,GREY

SN: 163093-UP

1шт.

|20

6710-73-1410

PLUNGER,PURPLE

SN: 163093-UP

1шт.

21

6610-71-1452

SPACER

SN: 163093-UP

1шт.

22

6610-71-1420

WASHER

SN: 163093-UP

1шт.

24

6610-71-1320

O-RING (K2)

SN: 163093-UP

1шт.

25

6710-71-3150

O-RING (K2)

SN: 163093-UP

1шт.

26

6710-71-1331

SCREW

SN: 163093-UP

1шт.

|27

6711-71-1300

SHAFT ASS'Y,RED

SN: 163093-UP

1шт.

|27

6711-79-1300

SHAFT ASS'Y,BLUE

SN: 163093-UP

1шт.

|27

6711-78-1300

SHAFT ASS'Y,GREEN

SN: 163093-UP

1шт.

|27

6711-77-1300

SHAFT ASS'Y,YELLOW

SN: 163093-UP

1шт.

|27

6711-76-1300

SHAFT ASS'Y,ORANGE

SN: 163093-UP

1шт.

|27

6711-75-1300

SHAFT ASS'Y,BLACK

SN: 163093-UP

1шт.

|27

6711-74-1300

SHAFT ASS'Y,GREY

SN: 163093-UP

1шт.

|27

6711-73-1300

SHAFT ASS'Y,PURPLE

SN: 163093-UP

1шт.

27

6710-71-1312

SHAFT,RED

SN: 163093-UP

1шт.

|27

6710-79-1312

SHAFT,BLUE

SN: 163093-UP

1шт.

|27

6710-78-1312

SHAFT,GREEN

SN: 163093-UP

1шт.

|27

6710-77-1312

SHAFT,YELLOW

SN: 163093-UP

1шт.

|27

6710-76-1312

SHAFT,ORANGE

SN: 163093-UP

1шт.

|27

6710-75-1312

SHAFT,BLACK

SN: 163093-UP

1шт.

|27

6710-74-1312

SHAFT,GREY

SN: 163093-UP

1шт.

|27

6710-73-1312

SHAFT,PURPLE

SN: 163093-UP

1шт.

28

6710-71-3141

STOP

SN: 163093-UP

1шт.

29

6710-71-2730

SCREW

SN: 163093-UP

1шт.

30

6610-71-1460

SHIM¤ 0.13MM

SN: 163093-UP

-2шт.

|30

6610-71-1470

SHIM¤ 0.25MM

SN: 163093-UP

-2шт.

|30

6610-71-1480

SHIM¤ 0.51MM

SN: 163093-UP

-2шт.

31

6710-71-2930

BALL

SN: 163093-UP

1шт.

32

6710-71-1731

COVER

SN: 163093-UP

1шт.

33

04418-02550

SCREW

SN: .-UP

2шт.

|33

0

SCREW

SN: 163093-.

2шт.

34

6710-71-2760

SCREW

SN: 163093-UP

1шт.

35

6710-71-1791

SCREW

SN: 163093-UP

1шт.

36

02216-10404

NUT

SN: 163093-UP

2шт.

37

6710-71-2970

BARREL

SN: 163093-UP

1шт.

38

6710-71-2880

O-RING (K2)

SN: 163093-UP

1шт.

39

02890-01018

O-RING (K2)

SN: 163093-UP

1шт.

40

02890-01020

O-RING (K2)

SN: 163093-UP

1шт.

41

6600-01-3120

RING

SN: 163093-UP

1шт.

42

6610-71-5180

SPRING

SN: 163093-UP

1шт.

43

6710-71-3400

VALVE

SN: 163093-UP

1шт.

44

6610-71-1712

PLATE¤ NAME,(LIMITED SUPPLY)

SN: 163093-UP

1шт.

45

04418-02550

SCREW

SN: .-UP

2шт.

|45

0

SCREW

SN: 163093-.

2шт.

46

6610-71-5100

SPRING,RED¤ L=16.3-16.8

SN: .-UP

1шт.

|46

6610-71-5110

SPRING,BLUE¤ L=16.3-16.8

SN: .-UP

1шт.

|46

6610-71-5120

SPRING,LIGHTBROWN¤ L=16.3-16.8

SN: .-UP

1шт.

|46

6610-71-5130

SPRING,YELLOW¤ L=16.3-16.8

SN: .-UP

1шт.

|46

6610-71-5140

SPRING,RED-BLUE¤ L=16.3-16.8

SN: .-UP

1шт.

|46

6610-71-5150

SPRING,RED-LIGHTBROWN¤ L=16.3-16.8

SN: .-UP

1шт.

|46

6610-71-5160

SPRING,RED-YELLOW¤ L=16.3-16.8

SN: .-UP

1шт.

|46

6610-71-5170

SPRING,BLUE-LIGHTBROWN¤ L=16.3-16.8

SN: .-UP

1шт.

|46

6610-71-5180

SPRING,BLUE-YELLOW¤ L=16.3-16.8

SN: .-UP

1шт.

|46

6610-71-5190

SPRING,LIGHTBROWN-YELLOW¤ L=16.3-16.8

SN: .-UP

1шт.

|46

6610-71-5200

SPRING,RED¤ L=15.0-15.5

SN: .-UP

1шт.

|46

6610-71-5210

SPRING,BLUE¤ L=15.0-15.5

SN: .-UP

1шт.

|46

6610-71-5220

SPRING,LIGHTBROWN¤ L=15.0-15.5

SN: .-UP

1шт.

|46

6610-71-5230

SPRING,YELLOW¤ L=15.0-15.5

SN: .-UP

1шт.

|46

6610-71-5240

SPRING,RED-BLUE¤ L=15.0-15.5

SN: .-UP

1шт.

|46

6610-71-5250

SPRING,RED-LIGHTBROWN¤ L=15.0-15.5

SN: .-UP

1шт.

|46

6610-71-5260

SPRING,RED-YELLOW¤ L=15.0-15.5

SN: .-UP

1шт.

|46

6610-71-5270

SPRING,BLUE-LIGHTBROWN¤ L=15.0-15.5

SN: .-UP

1шт.

|46

6610-71-5280

SPRING,BLUE-YELLOW¤ L=15.0-15.5

SN: .-UP

1шт.

|46

6610-71-5290

SPRING,LIGHTBROWN-YELLOW¤ L=15.0-15.5

SN: .-UP

1шт.

|46

6610-71-5300

SPRING,RED¤ L=13.7-14.2

SN: .-UP

1шт.

|46

6610-71-5310

SPRING,BLUE¤ L=13.7-14.2

SN: .-UP

1шт.

|46

6610-71-5320

SPRING,LIGHTBROWN¤ L=13.7-14.2

SN: .-UP

1шт.

|46

6610-71-5330

SPRING,YELLOW¤ L=13.7-14.2

SN: .-UP

1шт.

|46

6610-71-5340

SPRING,RED-BLUE¤ L=13.7-14.2

SN: .-UP

1шт.

|46

6610-71-5350

SPRING,RED-LIGHTBROWN¤ L=13.7-14.2

SN: .-UP

1шт.

|46

6610-71-5360

SPRING,RED-YELLOW¤ L=13.7-14.2

SN: .-UP

1шт.

|46

6610-71-5370

SPRING,BLUE-LIGHTBROWN¤ L=13.7-14.2

SN: .-UP

1шт.

|46

6610-71-5380

SPRING,BLUE-YELLOW¤ L=13.7-14.2

SN: .-UP

1шт.

|46

6610-71-5390

SPRING,LIGHTBROWN-YELLOW¤ L=13.7-14.2

SN: .-UP

1шт.

|46

6610-71-5400

SPRING,RED¤ L=12.5-13.0

SN: .-UP

1шт.

|46

6610-71-5410

SPRING,BLUE¤ L=12.5-13.0

SN: .-UP

1шт.

|46

6610-71-5420

SPRING,LIGHTBROWN¤ L=12.5-13.0

SN: .-UP

1шт.

|46

6610-71-5430

SPRING,YELLOW¤ L=12.5-13.0

SN: .-UP

1шт.

|46

6610-71-5440

SPRING,RED-BLUE¤ L=12.5-13.0

SN: .-UP

1шт.

|46

6610-71-5450

SPRING,RED-LIGHTBROWN¤ L=12.5-13.0

SN: .-UP

1шт.

|46

6610-71-5460

SPRING,RED-YELLOW¤ L=12.5-13.0

SN: .-UP

1шт.

|46

6610-71-5470

SPRING,BLUE-LIGHTBROWN¤ L=12.5-13.0

SN: .-UP

1шт.

|46

6610-71-5480

SPRING,BLUE-YELLOW¤ L=12.5-13.0

SN: .-UP

1шт.

|46

6610-71-5490

SPRING,LIGHTBROWN-YELLOW¤ L=12.5-13.0

SN: .-UP

1шт.

Выбрано товаров: 148