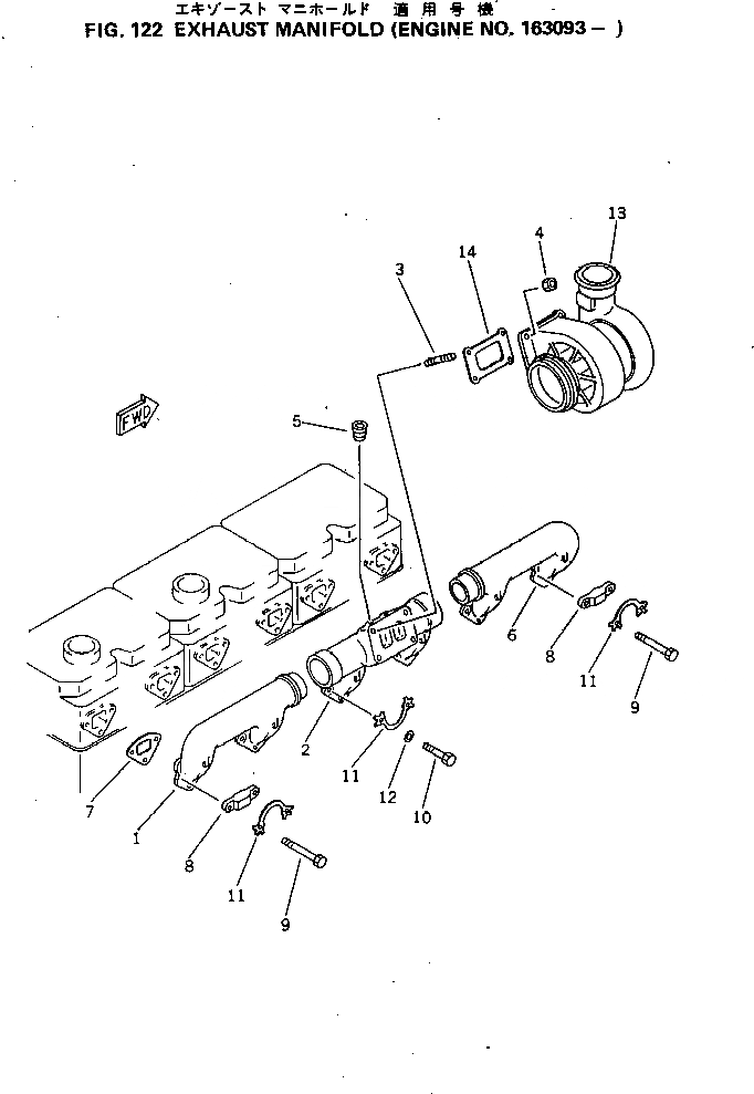
Запчасти Komatsu NT-855-1E ВЫПУСКНОЙ КОЛЛЕКТОР ГОЛОВКА ЦИЛИНДРОВ

Схема запчастей Komatsu NT-855-1E - ВЫПУСКНОЙ КОЛЛЕКТОР ГОЛОВКА ЦИЛИНДРОВ
FIT
1:1
100%

Артикул

Название

Примечание

Количество

1

6685-11-5111

MANIFOLD,EXHAUST¤ REAR

SN: 163093-UP

1шт.

2

6710-11-5120

MANIFOLD,EXHAUST¤ CENTER

SN: 163093-UP

1шт.

3

6685-11-5330

STUD

SN: 163093-UP

4шт.

4

6685-11-5341

NUT

SN: 163093-UP

4шт.

5

02720-20206

PLUG

SN: 163093-UP

2шт.

6

6710-11-5111

MANIFOLD,EXHAUST¤ FRONT

SN: 163093-UP

1шт.

7

6685-11-5811

GASKET (K1)

SN: 163093-UP

6шт.

8

6610-11-5211

CLAMP

SN: 163093-UP

2шт.

9

02010-80795

BOLT

SN: 168050-UP

4шт.

|9

6685-11-5360

BOLT

SN: 163093-168049

4шт.

10

02010-80738

BOLT

SN: 163093-UP

8шт.

11

6685-11-5220

PLATE (K1)

SN: 163093-UP

6шт.

12

6685-11-5230

WASHER

SN: 163093-UP

8шт.

13

6711-81-9201

TURBOCHARGER ASS'Y,(SEE FIG.141)

SN: 163093-UP

1шт.

14

6711-81-9510

GASKET (K1)

SN: 163093-UP

1шт.

Выбрано товаров: 15