Запчасти Komatsu NT-855-1E PT ТОПЛИВН. НАСОС (/7) ТОПЛИВН. СИСТЕМА

Схема запчастей Komatsu NT-855-1E - PT ТОПЛИВН. НАСОС (/7) ТОПЛИВН. СИСТЕМА
FIT
1:1
100%

Артикул

Название

Примечание

Количество

|$0

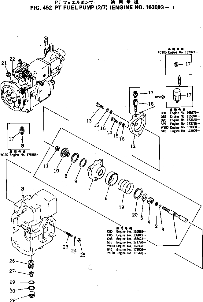
6711-71-1101

PT FUEL PUMP ASS'Y

SN: 190561-UP

1шт.

|$1

6711-71-1100

PT FUEL PUMP ASS'Y

SN: 163093-190560

1шт.

12

6710-71-2913

COVER

SN: .-UP

1шт.

12

0

COVER

SN: 163093-.

1шт.

13

02010-70425

BOLT

SN: 163093-UP

2шт.

14

6710-71-2770

BOLT

SN: 163093-UP

1шт.

15

01602-00720

WASHER,SPRING

SN: 163093-UP

3шт.

16

6610-71-1840

WASHER

SN: 163093-UP

3шт.

17

02720-20204

PLUG

SN: 163093-UP

2шт.

21

6610-71-1760

SEAL

SN: 163093-UP

1шт.

22

6610-71-1771

WIRE

SN: 163093-UP

1шт.

23

6710-71-2960

VALVE

SN: 163093-UP

1шт.

24

6710-71-2951

O-RING (K2)

SN: 163093-UP

1шт.

25

02216-10505

NUT

SN: 163093-UP

1шт.

26

6684-71-3601

SCREEN

SN: 163093-UP

1шт.

27

6610-71-3830

SPRING

SN: 163093-UP

1шт.

28

6710-71-3860

CAP

SN: 163093-UP

1шт.

29

02890-01018

O-RING (K2)

SN: 163093-UP

1шт.

30

6610-51-4331

RING

SN: 163093-UP

1шт.

Выбрано товаров: 19