Запчасти Komatsu NT-855-1E PT ТОПЛИВН. НАСОС (/7) ТОПЛИВН. СИСТЕМА

Схема запчастей Komatsu NT-855-1E - PT ТОПЛИВН. НАСОС (/7) ТОПЛИВН. СИСТЕМА
FIT
1:1
100%

Артикул

Название

Примечание

Количество

|$0

6711-71-1101

PT FUEL PUMP ASS'Y

SN: 190561-UP

1шт.

|$1

6711-71-1100

PT FUEL PUMP ASS'Y

SN: 163093-190560

1шт.

|$2

6610-71-3051

SPRING ASS'Y

SN: 163093-UP

1шт.

|$3

6610-71-3060

COVER ASS'Y

SN: 163093-UP

1шт.

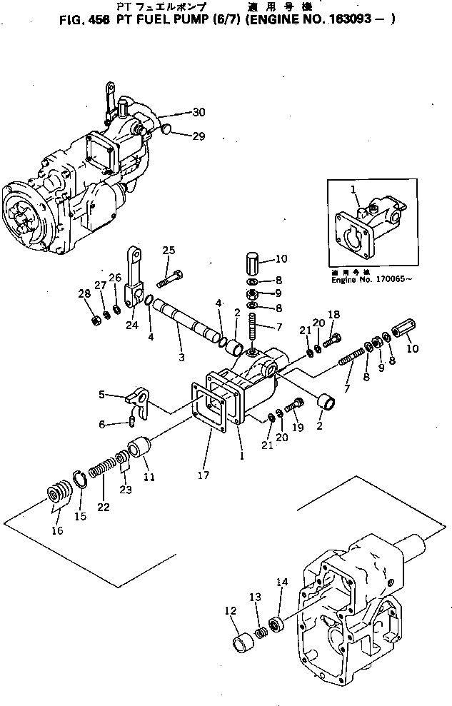
1

0

COVER

SN: 170065-UP

1шт.

1

0

COVER

SN: 163093-170064

1шт.

2

0

BUSHING

SN: 163093-UP

2шт.

3

6610-71-3290

SHAFT

SN: 163093-UP

1шт.

4

6610-71-3150

O-RING (K2)

SN: 163093-UP

2шт.

5

6610-71-3140

STOP

SN: 163093-UP

1шт.

6

6610-71-3160

SCREW

SN: 163093-UP

1шт.

7

6710-71-3170

SCREW

SN: 163093-UP

2шт.

8

6610-71-3190

WASHER

SN: 163093-UP

4шт.

9

02216-10404

NUT

SN: 163093-UP

2шт.

10

6610-71-3180

NUT

SN: 163093-UP

2шт.

11

6610-71-3230

PLUNGER

SN: 163093-UP

1шт.

12

6610-71-3240

PLUNGER

SN: 163093-UP

1шт.

13

6710-71-3260

SPRING

SN: 163093-UP

1шт.

14

6610-71-3250

RETAINER

SN: 163093-UP

1шт.

15

6610-71-3220

RING

SN: 163093-UP

1шт.

16

6610-71-3470

SHIM, 0.19MM

SN: 163093-UP

-2шт.

16

6610-71-3430

SHIM, 0.13MM

SN: 163093-UP

-2шт.

16

6610-71-3420

SHIM, 0.25MM

SN: 163093-UP

-2шт.

16

6610-71-3410

SHIM, 0.51MM

SN: 163093-UP

-2шт.

17

6610-71-1821

GASKET (K2)

SN: 163093-UP

1шт.

18

02010-70432

BOLT

SN: 163093-UP

3шт.

19

6710-81-8770

BOLT

SN: 163093-UP

1шт.

20

01602-00720

WASHER,SPRING

SN: 163093-UP

4шт.

21

6610-71-1840

WASHER

SN: 163093-UP

4шт.

22

6610-71-6120

SPRING

SN: 163093-UP

1шт.

23

6610-71-6330

SHIM, 0.13MM

SN: 163093-UP

-2шт.

23

6610-71-6320

SHIM, 0.25MM

SN: 163093-UP

-2шт.

23

6610-71-6310

SHIM, 0.51MM

SN: 163093-UP

-2шт.

24

6680-71-3281

LEVER

SN: 163093-UP

1шт.

25

02030-20438

BOLT

SN: 163093-UP

1шт.

26

6610-71-1840

WASHER

SN: 163093-UP

1шт.

27

01602-00720

WASHER,SPRING

SN: 163093-UP

1шт.

28

02216-10404

NUT

SN: 163093-UP

1шт.

29

6610-71-1760

SEAL,LEAD

SN: 163093-UP

1шт.

30

6610-71-1771

WIRE,LOCK

SN: 163093-UP

1шт.

Выбрано товаров: 40