Запчасти Komatsu NT-855-1F ТОПЛИВН. ФИЛЬТР. ТОПЛИВН. СИСТЕМА

Схема запчастей Komatsu NT-855-1F - ТОПЛИВН. ФИЛЬТР. ТОПЛИВН. СИСТЕМА
FIT
1:1
100%

Артикул

Название

Примечание

Количество

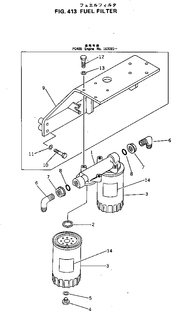
|1

6710-71-6100

FUEL FILTER ASS'Y

SN: 172796-UP

1шт.

1

6710-71-6110

HEAD

SN: 172796-UP

1шт.

2

600-311-8390

RING

SN: 172796-UP

2шт.

3

600-311-8291

CARTRIDGE

SN: 172796-UP

2шт.

4

6110-73-6231

PLUG

SN: 172796-UP

1шт.

5

07005-00812

GASKET

SN: 172796-UP

1шт.

6

6710-71-8470

ELBOW

SN: 172796-UP

2шт.

7

6710-71-8480

NUT

SN: 172796-UP

1шт.

8

6710-71-8490

O-RING

SN: 172796-UP

1шт.

Выбрано товаров: 9