Запчасти Komatsu NT-855-1F PT ТОПЛИВН. НАСОС (/7) ТОПЛИВН. СИСТЕМА

Схема запчастей Komatsu NT-855-1F - PT ТОПЛИВН. НАСОС (/7) ТОПЛИВН. СИСТЕМА
FIT
1:1
100%

Артикул

Название

Примечание

Количество

|1

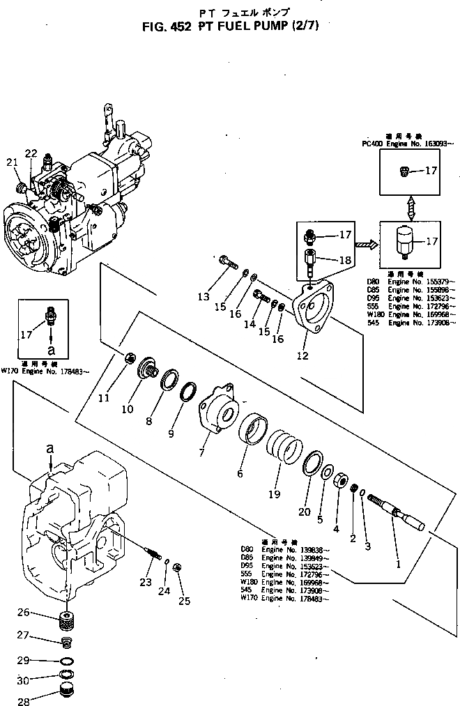
6711-71-1141

PT FUEL PUMP ASS'Y

SN: 176605-UP

1шт.

|1

6711-71-1140

PT FUEL PUMP ASS'Y

SN: 172796-176604

1шт.

|1

6710-73-1031

PLUNGER ASS'Y

SN: 172796-UP

1шт.

1

0

PLUNGER

SN: 172796-UP

1шт.

2

6710-71-2981

RING

SN: 172796-UP

1шт.

3

02890-01007

O-RING (K6)

SN: 172796-UP

1шт.

5

6710-71-2861

SPACER

SN: 172796-UP

1шт.

6

6710-71-2851

PISTON

SN: 172796-UP

1шт.

7

6710-71-2841

BELLOWS

SN: 172796-UP

1шт.

8

6710-71-2920

WASHER

SN: 172796-UP

1шт.

9

6710-71-2711

WASHER (K6)

SN: 172796-UP

1шт.

10

6710-71-2821

BOLT

SN: 172796-UP

1шт.

11

02216-10404

NUT

SN: 172796-UP

1шт.

12

6710-71-2913

COVER

SN: .-UP

1шт.

|12

0

COVER

SN: 172796-.

1шт.

13

02010-70425

BOLT

SN: 172796-UP

2шт.

14

6710-71-2770

BOLT

SN: 172796-UP

1шт.

15

01602-00720

WASHER,SPRING

SN: 172796-UP

3шт.

16

6610-71-1840

WASHER

SN: 172796-UP

3шт.

17

6710-71-3900

BREATHER

SN: 172796-UP

1шт.

19

6710-72-2910

SPRING

SN: 172796-UP

1шт.

20

6710-71-2810

SHIM

SN: 172796-UP

1шт.

21

6610-71-1760

SEAL

SN: 172796-UP

1шт.

22

6610-71-1771

WIRE

SN: 172796-UP

1шт.

23

6710-71-2960

VALVE

SN: 172796-UP

1шт.

24

6710-71-2951

O-RING (K6)

SN: 172796-UP

1шт.

25

02216-10505

NUT

SN: 172796-UP

1шт.

26

6684-71-3601

SCREEN

SN: 172796-UP

1шт.

27

6610-71-3830

SPRING

SN: 172796-UP

1шт.

28

6710-71-3860

CAP

SN: 172796-UP

1шт.

29

02890-01018

O-RING (K6)

SN: 172796-UP

1шт.

30

6610-51-4331

RING

SN: 172796-UP

1шт.

Выбрано товаров: 32