Запчасти Komatsu NT-855-1F ВЕНТИЛЯТОР ОХЛАЖДЕНИЯ ОХЛАЖД-Е И ЭЛЕКТРИКАS

Схема запчастей Komatsu NT-855-1F - ВЕНТИЛЯТОР ОХЛАЖДЕНИЯ ОХЛАЖД-Е И ЭЛЕКТРИКАS
FIT
1:1
100%

Артикул

Название

Примечание

Количество

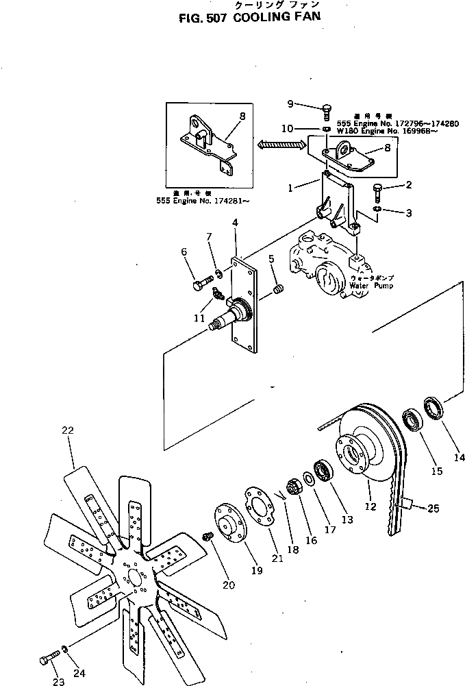
1

6711-61-1210

BRACKET

SN: 172796-UP

1шт.

2

02030-70851

BOLT

SN: 172796-UP

2шт.

3

01602-01338

WASHER,SPRING

SN: 172796-UP

2шт.

4

6711-61-2170

SHAFT

SN: 172796-UP

1шт.

5

07043-00108

PLUG

SN: 172796-UP

1шт.

6

01010-31435

BOLT

SN: 172796-UP

4шт.

7

01602-01442

WASHER,SPRING

SN: 172796-UP

4шт.

8

6711-61-2420

BRACKET

SN: 174281-UP

1шт.

|8

6711-61-2221

BRACKET

SN: 172796-174280

1шт.

9

01010-31230

BOLT

SN: 172796-UP

2шт.

10

01602-01236

WASHER,SPRING

SN: 172796-UP

2шт.

11

07020-00675

FITTING

SN: 172796-UP

1шт.

12

6711-61-2180

PULLEY

SN: 172796-UP

1шт.

13

06002-30210

BEARING

SN: 172796-UP

1шт.

14

07011-00070

SEAL (K2)

SN: 172796-UP

1шт.

15

06002-30209

BEARING

SN: 172796-UP

1шт.

16

6710-61-1610

NUT

SN: 172796-UP

1шт.

17

6710-61-1620

WASHER

SN: 172796-UP

1шт.

18

04050-05045

PIN,COTTER

SN: 172796-UP

1шт.

19

6711-61-2480

SPACER

SN: 172796-UP

1шт.

20

07029-00000

VALVE

SN: 172796-UP

1шт.

21

6710-61-2430

GASKET (K2)

SN: 172796-UP

1шт.

22

6711-61-3100

FAN

SN: 172796-UP

1шт.

23

02010-70857

BOLT

SN: 172796-UP

6шт.

24

01602-01338

WASHER,SPRING

SN: 172796-UP

6шт.

25

04121-22262

V-BELT SET

SN: 172796-UP

1шт.

Выбрано товаров: 26