Запчасти Komatsu NTA-855-1F КОРПУС ШЕСТЕРЕНН. ПЕРЕДАЧИ COVER БЛОК ЦИЛИНДРОВ

Схема запчастей Komatsu NTA-855-1F - КОРПУС ШЕСТЕРЕНН. ПЕРЕДАЧИ COVER БЛОК ЦИЛИНДРОВ
FIT
1:1
100%

Артикул

Название

Примечание

Количество

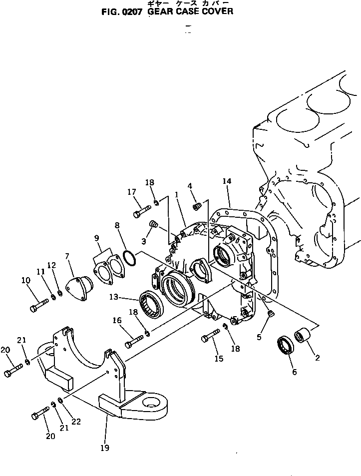
|1

6711-21-3101

COVER ASS'Y,GEAR CASE

SN: 170637-UP

1шт.

1

6711-21-3110

COVER

SN: 170637-UP

1шт.

2

6711-21-3120

BUSHING

SN: 170637-UP

1шт.

3

02720-20406

PLUG

SN: 170637-UP

1шт.

4

02720-20607

PLUG

SN: 170637-UP

1шт.

5

02720-20204

PLUG

SN: 170637-UP

1шт.

6

6711-21-3511

SEAL,OIL (K2)

SN: 170637-UP

1шт.

7

6710-21-3210

SUPPORT

SN: 170637-UP

1шт.

8

6685-21-3241

O-RING (K2)

SN: 170637-UP

1шт.

|9

6710-21-3040

SHIM ASS'Y

SN: 170637-UP

1шт.

9

6685-21-3330

SHIM¤ 0.05MM (K2)

SN: 170637-UP

1шт.

9

6685-21-3320

SHIM¤ 0.13MM (K2)

SN: 170637-UP

2шт.

9

6685-21-3310

SHIM¤ 0.25MM (K2)

SN: 170637-UP

2шт.

9

6710-21-3310

SHIM¤ 0.64MM (K2)

SN: 170637-UP

1шт.

10

02010-70625

BOLT

SN: 170637-UP

3шт.

11

02310-11224

WASHER,SPRING

SN: 170637-UP

3шт.

12

02300-11320

WASHER

SN: 170637-UP

3шт.

13

6711-21-3521

SEAL¤ FRONT

SN: 170637-UP

1шт.

13

6711-29-3521

SEAL¤ FRONT,(SERVICE PARTS) (K2)

SN: 170637-UP

1шт.

14

6710-21-3810

GASKET (K2)

SN: 170637-UP

1шт.

15

02030-70751

BOLT

SN: 170637-UP

9шт.

16

02030-70764

BOLT

SN: 170637-UP

1шт.

17

02031-70702

BOLT

SN: 170637-UP

2шт.

18

01602-01134

WASHER,SPRING

SN: 170637-UP

12шт.

19

6710-21-3720

SUPPORT,FRONT

SN: 170637-UP

1шт.

20

02030-70789

BOLT

SN: 170637-UP

8шт.

21

01602-01134

WASHER,SPRING

SN: 170637-UP

8шт.

22

01643-31232

WASHER

SN: 170637-UP

2шт.

Выбрано товаров: 28