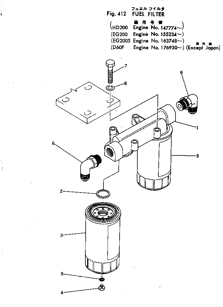
Запчасти Komatsu NTC-743-1C ТОПЛИВН. ФИЛЬТР.(№777-) ТОПЛИВН. СИСТЕМА

Схема запчастей Komatsu NTC-743-1C - ТОПЛИВН. ФИЛЬТР.(№777-) ТОПЛИВН. СИСТЕМА
FIT
1:1
100%

Артикул

Название

Примечание

Количество

|$0

6710-71-6100

FUEL FILTER ASS'Y

SN: 147774-UP

1шт.

1

6710-71-6110

HEAD

SN: 147774-UP

1шт.

2

600-311-8390

RING

SN: 147774-UP

2шт.

3

600-311-8291

CARTRIDGE

SN: .-UP

2шт.

3

0

CARTRIDGE

SN: 147774-.

2шт.

4

6110-73-6231

PLUG

SN: 147774-UP

1шт.

5

07005-00812

GASKET

SN: 147774-UP

1шт.

Выбрано товаров: 7