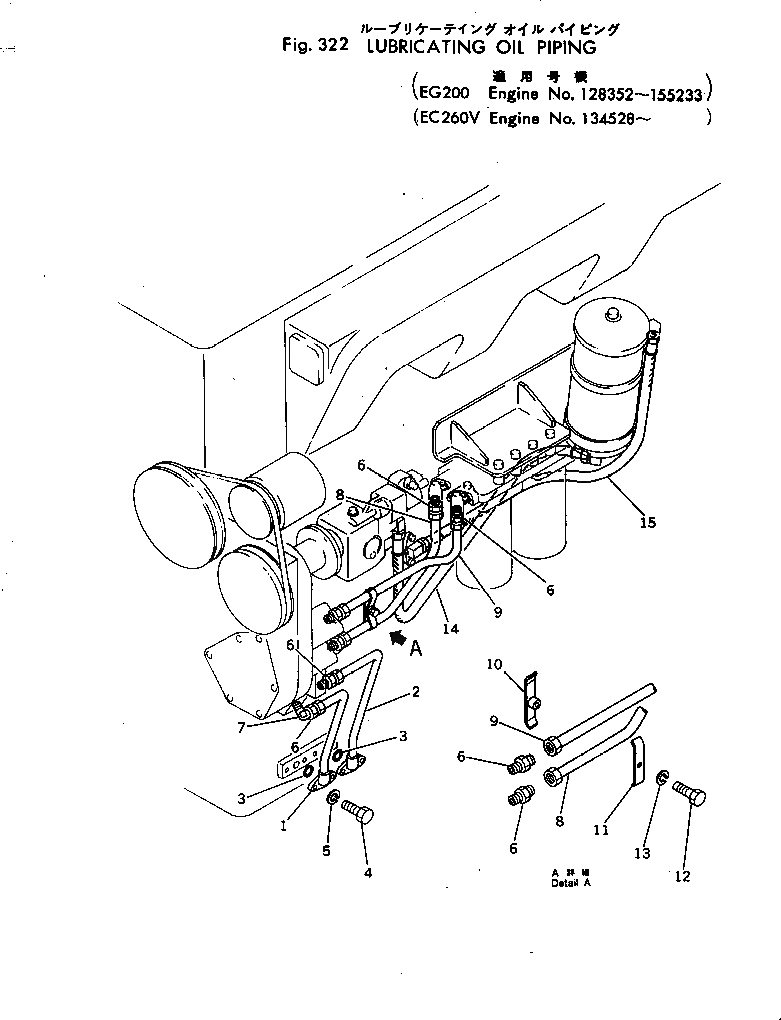
Запчасти Komatsu NTC-743-1E СИСТЕМА СМАЗКИ МАСЛОПРОВОДЯЩАЯ ЛИНИЯ СИСТЕМА СМАЗКИ МАСЛ. СИСТЕМА

Схема запчастей Komatsu NTC-743-1E - СИСТЕМА СМАЗКИ МАСЛОПРОВОДЯЩАЯ ЛИНИЯ СИСТЕМА СМАЗКИ МАСЛ. СИСТЕМА
FIT
1:1
100%

Артикул

Название

Примечание

Количество

1

6685-51-9841

PIPE

SN: 134528-UP

1шт.

2

6685-51-9851

TUBE

SN: 134528-UP

1шт.

3

07000-03028

O-RING (KIT)

SN: 134528-UP

2шт.

4

01010-30820

BOLT

SN: 134528-UP

4шт.

5

01602-00825

WASHER

SN: 134528-UP

4шт.

6

6600-01-3791

CONNECTOR

SN: 134528-UP

6шт.

7

02701-11208

ELBOW

SN: 134528-UP

1шт.

8

6667-55-9910

PIPE

SN: 134528-UP

1шт.

9

6667-55-9920

PIPE

SN: 134528-UP

1шт.

14

02750-03080

HOSE

SN: 134528-UP

1шт.

15

02750-02090

HOSE

SN: 134528-UP

1шт.

Выбрано товаров: 0