Запчасти Komatsu NTO-6-B-1A БЛОК ЦИЛИНДРОВ БЛОК ЦИЛИНДРОВ

Схема запчастей Komatsu NTO-6-B-1A - БЛОК ЦИЛИНДРОВ БЛОК ЦИЛИНДРОВ
FIT
1:1
100%

Артикул

Название

Примечание

Количество

|$0

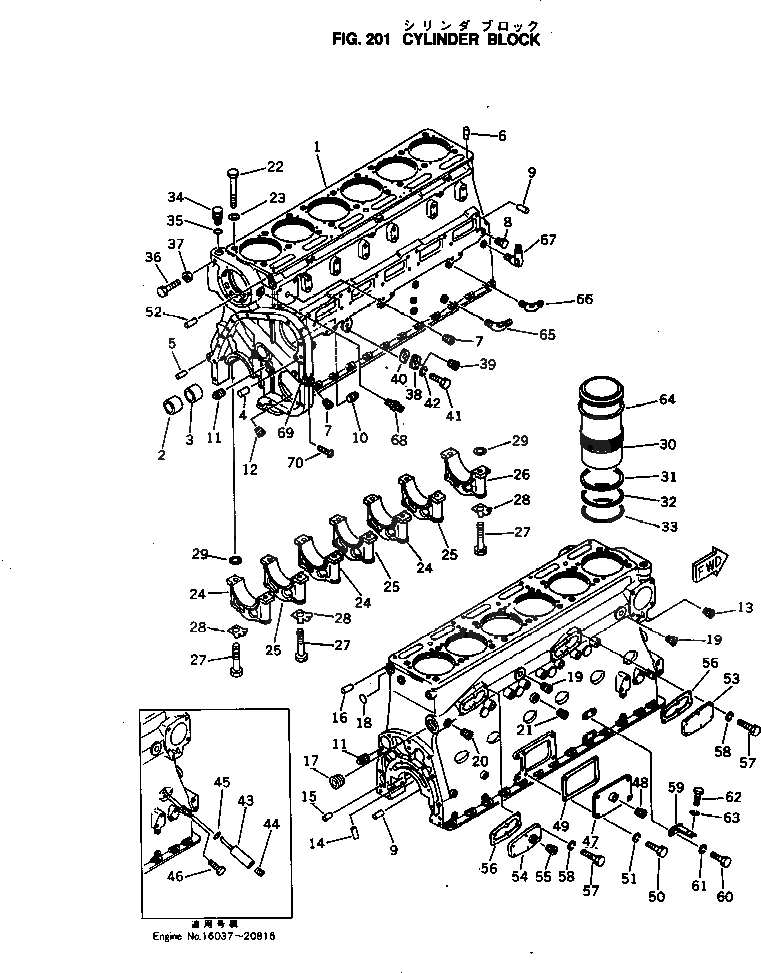
6643-21-1016

CYLINDER BLOCK A.

SN: 20817-UP

1шт.

|$1

6996-23-1016

CYLINDER BLOCK ASS'Y

SN: 16037-20816

1шт.

|$2

6643-21-1016

CYLINDER BLOCK A.

SN: 13588-16036

1шт.

|$3

6643-21-1026

CYLINDER BLOCK A.

SN: 20817-UP

1шт.

|$4

6996-23-1025

CYLINDER BLOCK A.

SN: 16037-20816

1шт.

|$5

6643-21-1026

CYLINDER BLOCK A.

SN: 13588-16036

1шт.

1

0

BLOCK

SN: 27897-UP

1шт.

1

0

BLOCK

SN: 20817-27896

1шт.

1

0

BLOCK

SN: 16037-20816

1шт.

1

0

BLOCK

SN: 13588-16036

1шт.

|$10

6610-21-1040

BUSHING ASS'Y

SN: 13588-UP

1шт.

2

6610-21-1410

BUSHING

SN: 13588-UP

1шт.

3

6610-21-1420

BUSHING

SN: 13588-UP

6шт.

4

6620-21-3610

PIN,DOWEL

SN: 13588-UP

1шт.

5

6620-21-3620

PIN,DOWEL

SN: 13588-UP

1шт.

6

6610-11-1410

PIN,DOWEL

SN: 131834-UP

9шт.

6

6610-11-1410

PIN,DOWEL

SN: 13588-131833

6шт.

7

02720-20810

PLUG

SN: .-UP

6шт.

7

0

PLUG

SN: 13588-.

6шт.

8

6610-21-2720

PLUG

SN: 13588-UP

6шт.

9

02400-20416

PIN

SN: 13588-UP

6шт.

10

02720-21213

PLUG

SN: .-UP

1шт.

10

0

PLUG

SN: 13588-.

1шт.

11

02720-20607

PLUG

SN: 20804-UP

1шт.

11

0

PLUG

SN: 13588-20803

1шт.

12

02720-20204

PLUG

SN: 13588-UP

1шт.

13

02720-20810

PLUG

SN: 13588-UP

1шт.

14

6610-21-1270

PIN,DOWEL

SN: 13588-UP

2шт.

14

6610-29-1270

PIN,DOWEL (OS)

SN: 13588-UP

2шт.

15

6610-21-4570

PIN,DOWEL

SN: 13588-UP

2шт.

16

6610-21-2770

PIN,STOPPER

SN: 13588-.

1шт.

17

6710-21-1260

PLUG,WATER HEADER

SN: .-UP

1шт.

17

0

PLUG,WATER HEADER

SN: 13588-.

1шт.

18

6600-01-2810

PLUG,EXPANSION

SN: 13588-UP

1шт.

19

02720-20607

PLUG

SN: .-UP

3шт.

19

0

PLUG

SN: 13588-.

3шт.

20

02720-20607

PLUG

SN: .-UP

1шт.

20

0

PLUG

SN: 20804-.

1шт.

20

0

PLUG

SN: 13588-20803

1шт.

21

02720-21214

PLUG

SN: .-UP

1шт.

21

0

PLUG

SN: 13588-.

1шт.

22

6610-11-1611

BOLT

SN: 13588-UP

18шт.

23

6610-11-1620

WASHER

SN: 13588-UP

18шт.

24

6610-21-1210

CAP

SN: 13588-UP

3шт.

24

0

CAP

SN: 13588-UP

3шт.

25

6610-21-1220

CAP

SN: 13588-UP

3шт.

25

0

CAP

SN: 13588-UP

3шт.

26

6610-21-1231

CAP

SN: 13588-UP

3шт.

26

0

CAP

SN: 13588-UP

3шт.

27

6610-21-1710

BOLT

SN: 13588-UP

14шт.

28

6610-21-1720

WASHER,LOCK (K2)

SN: 13588-UP

14шт.

29

6610-21-1730

RING,DOWEL

SN: 13588-UP

7шт.

30

6610-21-2213

LINER,CYLINDER

SN: 139601-UP

6шт.

30

0

LINER,CYLINDER

SN: 13588-139600

6шт.

31

6610-21-2240

SEAL,CREVICE (K2)

SN: 13588-UP

6шт.

32

6610-21-2221

O-RING (K2)

SN: 13588-UP

6шт.

33

6610-21-2250

O-RING (K2)

SN: 13588-UP

6шт.

34

6610-21-2730

PLUG

SN: 13588-20816

1шт.

35

02892-03031

O-RING (K2)

SN: 13588-20816

1шт.

36

02010-20416

BOLT

SN: 13588-20816

1шт.

37

02206-10404

NUT

SN: 13588-20816

1шт.

38

6691-51-9930

FLANGE

SN: 13588-UP

1шт.

39

02720-20810

PLUG

SN: 13588-UP

1шт.

40

6610-21-5671

GASKET (K2)

SN: 111454-UP

1шт.

40

0

GASKET (K2)

SN: 13588-111453

1шт.

41

02030-20625

BOLT

SN: 13588-UP

2шт.

42

02310-11224

WASHER,SPRING

SN: 13588-UP

2шт.

43

6685-21-6810

NOZZLE,COOLING

SN: 16037-20816

6шт.

44

02720-20204

PLUG

SN: 16037-20816

6шт.

45

6685-21-6820

O-RING

SN: 16037-20816

6шт.

46

6685-21-6830

SCREW

SN: 16037-20816

6шт.

47

6691-22-6760

COVER,HAND HOLE

SN: 13588-UP

1шт.

48

02720-20607

PLUG

SN: 13588-UP

1шт.

49

6623-21-6770

GASKET (K2)

SN: 13588-UP

1шт.

50

02010-20625

BOLT

SN: 13588-UP

4шт.

51

02310-11224

WASHER,SPRING

SN: 13588-UP

4шт.

52

6610-21-2790

PIN,SPRING

SN: 13588-UP

1шт.

53

6631-21-6720

COVER,WATER HEADER

SN: 13588-UP

1шт.

54

6693-22-6710

COVER,WATER HEADER

SN: 13588-UP

1шт.

55

02720-20607

PLUG

SN: 13588-UP

1шт.

56

6610-21-6720

GASKET

SN: 13588-UP

2шт.

57

02010-20419

BOLT

SN: 13588-UP

12шт.

58

02310-10916

WASHER,SPRING

SN: 13588-UP

12шт.

59

6686-13-5740

BRACKET

SN: 20817-UP

1шт.

59

6686-13-5741

BRACKET

SN: 16037-20816

1шт.

59

6686-13-5740

BRACKET

SN: 13588-16036

1шт.

60

01010-31225

BOLT

SN: 13588-UP

2шт.

61

01602-01236

WASHER,SPRING

SN: 13588-UP

2шт.

62

02010-40832

BOLT

SN: 13588-UP

2шт.

63

02310-11632

WASHER,SPRING

SN: 13588-UP

2шт.

64

6610-29-2230

SHIM, 0.18MM

SN: 13588-UP

-2шт.

64

6610-28-2230

SHIM, 0.20MM

SN: 13588-UP

-2шт.

64

6610-27-2230

SHIM, 0.23MM

SN: 13588-UP

-2шт.

64

6610-26-2230

SHIM, 0.51MM

SN: 13588-UP

-2шт.

64

6610-25-2230

SHIM, 0.79MM

SN: 13588-UP

-2шт.

64

6610-24-2230

SHIM, 1.57MM

SN: 13588-UP

-2шт.

65

02701-01208

ELBOW

SN: 13588-UP

1шт.

66

02701-01002

ELBOW

SN: 13588-UP

1шт.

67

6610-81-8820

ELBOW

SN: 13588-UP

1шт.

68

6684-91-4230

NIPPLE

SN: 13588-UP

1шт.

69

6686-82-1110

PLATE, NAME,(LIMITED SUPPLY)

SN: 20817-UP

1шт.

69

6686-83-1110

PLATE, NAME,(LIMITED SUPPLY)

SN: 16037-20816

1шт.

69

6686-82-1110

PLATE, NAME,(LIMITED SUPPLY)

SN: 13588-16036

1шт.

70

04418-02550

SCREW

SN: 13588-UP

4шт.

Выбрано товаров: 0