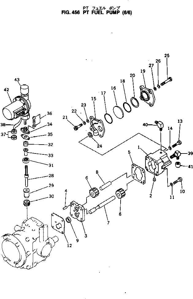
Запчасти Komatsu NTO-6-B-1A PT ТОПЛИВН. НАСОС (/) ТОПЛИВН. СИСТЕМА

Схема запчастей Komatsu NTO-6-B-1A - PT ТОПЛИВН. НАСОС (/) ТОПЛИВН. СИСТЕМА
FIT
1:1
100%

Артикул

Название

Примечание

Количество

|$0

6686-71-1006

PT FUEL PUMP ASS'Y,(GR-J021)

SN: 139523-UP

1шт.

|$1

0

PT FUEL PUMP ASS'Y,(GR-J021)

SN: .-139522

1шт.

|$2

6686-71-1004

PT FUEL PUMP ASS'Y,(GR-J021)

SN: 101674-.

1шт.

|$3

6686-71-1000

PT FUEL PUMP ASS'Y,(GR-J021)

SN: 20817-101673

1шт.

|$4

6686-71-1001

PT FUEL PUMP ASS'Y,(GR-J048)

SN: 16037-20816

1шт.

|$5

6686-71-1000

PT FUEL PUMP ASS'Y,(GR-J021)

SN: 13588-16036

1шт.

|$6

6620-71-2073

GEAR PUMP ASS'Y

SN: 144160-UP

1шт.

|$7

0

GEAR PUMP ASS'Y

SN: 101674-144159

1шт.

|$$9

(6620-71-2073,02100-00464(2))

-1шт.

|$9

6620-71-2070

GEAR PUMP ASS'Y

SN: 13588-101673

1шт.

|$10

0

HOUSING ASS'Y

SN: 144160-UP

1шт.

|$11

0

HOUSING ASS'Y

SN: 101674-144159

1шт.

|$12

0

HOUSING ASS'Y

SN: 13588-101673

1шт.

1

0

HOUSING

SN: 144160-UP

1шт.

1

0

HOUSING

SN: 101674-144159

1шт.

1

0

HOUSING

SN: 13588-101673

1шт.

2

02720-40204

PLUG

SN: 144160-UP

1шт.

2

02720-20204

PLUG

SN: 101674-144159

1шт.

3

0

COVER

SN: 101674-UP

1шт.

3

0

COVER

SN: 13588-101673

1шт.

4

02400-20625

PIN,DOWEL

SN: 13588-UP

2шт.

5

6610-71-2541

GASKET (K6)

SN: 13588-UP

1шт.

6

0

GEAR

SN: .-UP

2шт.

6

0

GEAR

SN: 13588-.

2шт.

7

0

SHAFT,DRIVE

SN: 13588-UP

1шт.

8

0

SHAFT,IDLER

SN: 101674-UP

1шт.

8

0

SHAFT,IDLER

SN: 13588-101673

1шт.

9

6610-71-2530

RING,DOWEL

SN: 13588-UP

1шт.

10

02100-00464

BOLT

SN: 144160-UP

2шт.

10

02100-00457

BOLT

SN: 101674-144159

2шт.

11

6610-71-1230

WASHER,SPRING

SN: 101674-UP

2шт.

11

6600-01-2730

WASHER,SPRING

SN: 13588-101673

2шт.

12

6610-71-2811

GASKET (K6)

SN: 101674-UP

1шт.

12

6610-71-2810

GASKET (K6)

SN: 13588-101673

1шт.

13

02100-00464

BOLT

SN: 13588-144159

4шт.

14

6610-71-1230

WASHER,SPRING

SN: 13588-UP

4шт.

|$36

6610-71-2090

DAMPER ASS'Y,PULSATION

SN: 13588-UP

1шт.

15

6610-71-2710

BODY,DAMPER

SN: 13588-UP

1шт.

16

6610-71-2731

DIAPHRAGM

SN: .-UP

1шт.

16

0

DIAPHRAGM

SN: 13588-.

1шт.

17

6610-71-2741

RING (K6)

SN: 13588-UP

1шт.

18

6610-71-2771

RING (K6)

SN: 13588-UP

1шт.

19

6610-71-2720

COVER,DAMPER

SN: 13588-UP

1шт.

20

6610-71-2760

WASHER,NYLON

SN: 13588-UP

1шт.

21

02100-00432

BOLT

SN: 13588-UP

2шт.

22

6610-71-1230

WASHER,SPRING

SN: 13588-UP

2шт.

23

6610-71-1840

WASHER

SN: 13588-UP

2шт.

24

6610-71-2750

SEAL (K6)

SN: 13588-UP

2шт.

25

6600-01-2150

BOLT

SN: 13588-UP

2шт.

26

6610-71-1230

WASHER,SPRING

SN: 13588-UP

2шт.

27

6610-71-1840

WASHER

SN: 13588-UP

2шт.

|$51

6610-71-1081

DRIVE ASS'Y,SERVICE METER

SN: 148091-UP

1шт.

|$52

0

DRIVE ASS'Y,SERVICE METER

SN: 13588-148090

1шт.

28

6610-71-1611

SHAFT

SN: 148091-UP

1шт.

28

0

SHAFT

SN: 13588-148090

1шт.

29

6610-71-1620

BUSHING

SN: 13588-UP

1шт.

30

6610-71-1630

GEAR

SN: 13588-UP

1шт.

31

6610-71-1911

SEAL,OIL (K6)

SN: 13588-UP

1шт.

32

6610-71-1960

WASHER,FELT (K6)

SN: 13588-UP

1шт.

33

6610-71-1970

SPACER

SN: 13588-UP

1шт.

34

6610-71-1920

HOUSING

SN: 13588-UP

1шт.

35

6610-71-1930

GASKET (K6)

SN: 13588-UP

1шт.

36

6610-71-1950

BOLT

SN: 13588-UP

2шт.

37

6610-71-1760

SEAL,LEAD

SN: 13588-UP

1шт.

38

6610-71-1771

WIRE,LOCK

SN: 13588-UP

1шт.

39

6610-71-2571

ELBOW

SN: 32095-UP

1шт.

39

6610-71-2570

ELBOW

SN: 12588-32094

1шт.

40

6610-71-8190

ELBOW

SN: 101674-UP

1шт.

42

08684-00239

METER,SERVICE

SN: 25762-UP

1шт.

Выбрано товаров: 69