Запчасти Komatsu NTO-6-B-1A ТРУБОПРОВОД ВПУСКА ВОЗДУХА И СОЕДИН-Е(№88-87) ГОЛОВКА ЦИЛИНДРОВ

Схема запчастей Komatsu NTO-6-B-1A - ТРУБОПРОВОД ВПУСКА ВОЗДУХА И СОЕДИН-Е(№88-87) ГОЛОВКА ЦИЛИНДРОВ
FIT
1:1
100%

Артикул

Название

Примечание

Количество

|$0

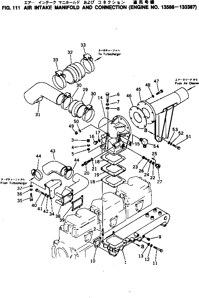
6686-12-4010

MANIFOLD ASS'Y,AIR INTAKE

SN: 13588-133387

1шт.

1

6686-12-4111

MANIFOLD,AIR INTAKE

SN: 13588-133387

1шт.

2

01160-31265

STUD

SN: 13588-133387

2шт.

3

01582-01210

NUT

SN: 13588-133387

2шт.

4

01602-01236

WASHER,SPRING

SN: 13588-133387

2шт.

5

01641-21223

WASHER

SN: 13588-133387

2шт.

6

01010-31270

BOLT

SN: 13588-133387

3шт.

7

01602-01236

WASHER,SPRING

SN: 13588-133387

3шт.

8

01641-21223

WASHER

SN: 13588-133387

3шт.

9

02720-20204

PLUG

SN: 13588-133387

1шт.

10

6610-11-4812

GASKET (K1)

SN: 13588-@

3шт.

10

0

GASKET (K1)

SN: 13588-@

3шт.

11

6645-13-4191

BOLT

SN: 106491-133387

9шт.

11

02010-20657

BOLT

SN: 13588-106490

9шт.

12

02310-11224

WASHER,SPRING

SN: 13588-133387

9шт.

13

02300-11320

WASHER

SN: 13588-133387

9шт.

14

6686-12-4210

CONNECTOR

SN: 13588-133387

1шт.

15

02720-20204

PLUG

SN: 13588-133387

1шт.

16

07040-11812

PLUG

SN: 32095-133387

1шт.

16

07040-01812

PLUG

SN: 13588-32094

1шт.

17

07003-01824

GASKET (K1)

SN: 13588-133387

1шт.

18

6686-12-4220

GASKET (K1)

SN: 13588-133387

2шт.

19

6686-13-4280

SPACER

SN: 13588-133387

1шт.

20

600-815-2110

GLOW PLUG

SN: 111454-@

1шт.

20

6610-81-4211

GLOW PLUG ASS'Y

SN: 13588-111453

1шт.

21

600-815-2190

GASKET

SN: 111454-@

1шт.

21

6610-81-4230

GASKET

SN: 13588-111453

1шт.

|$27

6610-81-4103

NOZZLE ASS'Y,PREHEATER

SN: 13588-@

1шт.

22

6610-81-4150

GASKET

SN: 13588-@

1шт.

23

6610-81-4112

NOZZLE ASS'Y,PREHEATER

SN: 13588-@

1шт.

24

6610-81-4120

PLATE

SN: 13588-@

1шт.

25

6610-81-4140

PIN,SPRING

SN: 13588-@

1шт.

26

6610-81-4240

O-RING

SN: .-@

1шт.

26

0

O-RING

SN: 13588-.

1шт.

27

6610-81-4132

ADAPTER,NOZZLE

SN: 13588-@

1шт.

29

6685-11-4312

HOSE

SN: 13588-133387

1шт.

30

6685-11-4431

CLAMP

SN: 13588-133387

2шт.

31

6686-13-4320

PIPE,TURBOCHARGER

SN: 13588-133387

1шт.

32

6685-11-4333

HOSE

SN: 13588-133387

1шт.

33

6685-11-4343

CLAMP

SN: .-133387

2шт.

33

6685-11-4342

CLAMP

SN: 13588-.

2шт.

34

6686-12-4530

BRACKET

SN: 13588-133387

1шт.

35

01010-31020

BOLT

SN: 13588-133387

2шт.

36

01602-01030

WASHER,SPRING

SN: 13588-133387

2шт.

37

01642-21016

WASHER

SN: 13588-133387

2шт.

38

6686-12-4230

CONNECTOR

SN: 13588-133387

1шт.

39

6686-12-4870

GASKET (K1)

SN: 13588-133387

1шт.

40

6685-11-4351

BOLT

SN: 13588-133387

4шт.

41

01602-01030

WASHER,SPRING

SN: 13588-133387

4шт.

42

01641-21016

WASHER

SN: 13588-133387

4шт.

43

6686-13-4711

HOSE

SN: 13588-133387

1шт.

44

6685-11-4460

CLAMP

SN: .-133387

2шт.

44

0

CLAMP

SN: 14928-.

1шт.

44

0

CLAMP

SN: 14928-.

1шт.

44

0

CLAMP

SN: 13588-14927

2шт.

45

6686-13-4960

PIPE

SN: .-133387

1шт.

45

6686-13-4910

PIPE

SN: 13588-.

1шт.

46

6121-11-4820

GASKET (K1)

SN: 13588-133387

1шт.

47

01010-31245

BOLT

SN: 13588-133387

6шт.

48

01641-21223

WASHER

SN: 13588-133387

6шт.

49

01582-01210

NUT

SN: 13588-133387

6шт.

50

01602-01236

WASHER,SPRING

SN: 13588-133387

6шт.

51

01010-31230

BOLT

SN: 13588-133387

3шт.

52

01602-01236

WASHER,SPRING

SN: 13588-133387

3шт.

53

01641-21223

WASHER

SN: 13588-133387

3шт.

54

6679-11-4311

ELBOW

SN: 32095-133387

1шт.

54

6679-11-4310

ELBOW

SN: 13588-32094

1шт.

Выбрано товаров: 67