Запчасти Komatsu NTO-6-CI-1B PT ТОПЛИВН. НАСОС (/) ТОПЛИВН. СИСТЕМА

Схема запчастей Komatsu NTO-6-CI-1B - PT ТОПЛИВН. НАСОС (/) ТОПЛИВН. СИСТЕМА
FIT
1:1
100%

Артикул

Название

Примечание

Количество

|$0

6657-72-1004

PT FUEL PUMP ASS'Y,(GR-J077)

SN: 139523-UP

1шт.

|$1

0

PT FUEL PUMP ASS'Y,(GR-J077)

SN: 101692-139522

1шт.

|$2

6657-72-1002

PT FUEL PUMP ASS'Y,(GR-J077)

SN: 101674-101691

1шт.

|$3

6657-72-1001

PT FUEL PUMP ASS'Y,(GR-J063)

SN: 25762-101673

1шт.

|$4

6684-71-2022

GOVERNOR ASS'Y

SN: 139523-UP

1шт.

|$5

6684-71-2021

GOVERNOR ASS'Y

SN: .-139522

1шт.

|$6

0

GOVERNOR ASS'Y

SN: 25762-.

1шт.

|$$8

(6684-71-2022,6684-91-3112)

-1шт.

|$8

6610-71-2030

COVER ASS'Y

SN: 25762-UP

1шт.

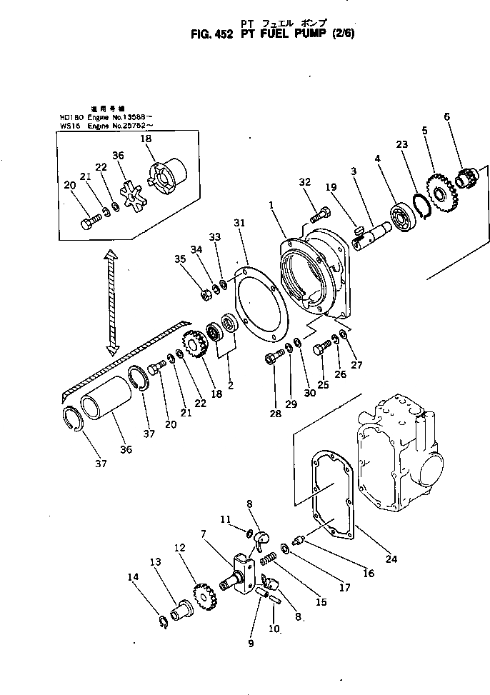
1

0

COVER,FRONT

SN: 25762-UP

1шт.

2

6610-71-2320

SEAL,OIL (K6)

SN: 25762-UP

2шт.

|$11

6610-71-2040

DRIVE ASS'Y

SN: 25762-UP

1шт.

3

6610-71-2330

SHAFT

SN: 25762-UP

1шт.

4

6600-01-1240

BEARING

SN: 25762-UP

1шт.

5

6610-71-2340

GEAR,PUMP DRIVE

SN: 25762-UP

1шт.

6

6610-71-2350

GEAR,TACHOMETER DRIVE

SN: 25762-UP

1шт.

|$16

6610-71-2011

WEIGHT CARRIER A.

SN: 25762-UP

1шт.

|$17

0

WEIGHT CARRIER A.

SN: 25762-139522

1шт.

|$18

6610-71-2051

CARRIER ASS'Y

SN: 139523-UP

1шт.

|$19

0

CARRIER ASS'Y

SN: 25762-139522

1шт.

7

0

CARRIER ASS'Y

SN: 139523-UP

1шт.

7

0

CARRIER ASS'Y

SN: 25762-139522

1шт.

7

0

SHAFT

SN: 139523-UP

1шт.

7

0

SHAFT

SN: 25762-139522

1шт.

7

0

CARRIER

SN: 139523-UP

1шт.

7

0

CARRIER

SN: 25762-139522

1шт.

7

0

WIRE

SN: 25762-139522

1шт.

8

6610-71-2250

WEIGHT

SN: 25762-UP

2шт.

9

6610-71-2260

SHAFT,WEIGHT

SN: 25762-UP

2шт.

10

6710-71-2270

PIN,PIVOT

SN: 139523-UP

2шт.

10

6610-71-2270

PIN,PIVOT

SN: 25762-139522

2шт.

11

6610-71-2280

WASHER,THRUST

SN: 25762-139522

4шт.

12

6710-71-2110

GEAR,DRIVE

SN: 139523-UP

1шт.

12

6610-71-2110

GEAR,DRIVE

SN: 25762-139522

1шт.

13

6610-71-2121

BUSHING

SN: 25762-UP

1шт.

14

6610-71-2131

RING,SNAP

SN: 25762-139522

1шт.

15

6610-71-2140

SPRING,WEIGHT ASSIST

SN: 25762-UP

1шт.

16

6610-71-2150

PLUNGER,WEIGHT ASSIST

SN: 25762-UP

1шт.

17

6610-71-2160

SHIM,WEIGHT ASSIST

SN: 25762-UP

-2шт.

18

6684-71-2381

COUPLING

SN: .-UP

1шт.

18

0

COUPLING

SN: 25762-.

1шт.

|$$42

(6684-71-2381,6684-71-7711,

-1шт.

|$$43

6684-91-3112)

-1шт.

19

6610-71-2370

KEY

SN: 25762-UP

1шт.

20

02030-20619

BOLT

SN: 25762-UP

1шт.

21

02310-11224

WASHER,SPRING

SN: 25762-UP

1шт.

22

02300-11320

WASHER

SN: 25762-UP

1шт.

23

6610-71-2360

RING,SNAP

SN: 25762-UP

1шт.

24

6610-71-2410

GASKET (K6)

SN: 25762-UP

1шт.

25

02010-20432

BOLT

SN: 25762-UP

6шт.

26

02310-10916

WASHER,SPRING

SN: 25762-UP

6шт.

27

6610-71-1840

WASHER

SN: 25762-UP

6шт.

28

02100-00332

BOLT

SN: 25762-UP

1шт.

29

02310-10814

WASHER,SPRING

SN: 25762-UP

1шт.

30

02300-10716

WASHER

SN: 25762-UP

1шт.

31

6610-71-7821

GASKET (K6)

SN: .-UP

1шт.

31

0

GASKET (K6)

SN: 25762-.

1шт.

32

02010-20732

BOLT

SN: 25762-UP

3шт.

32

6600-01-2280

BOLT

SN: 25762-UP

1шт.

33

02300-11520

WASHER

SN: 25762-UP

4шт.

34

02310-11428

WASHER,SPRING

SN: 25762-UP

4шт.

35

02206-10707

NUT

SN: 25762-UP

4шт.

36

6684-71-7712

COUPLING

SN: 139820-UP

1шт.

36

0

COUPLING

SN: .-139819

1шт.

|$$65

(6684-71-2381,6684-71-7711,

-1шт.

|$$66

6684-91-3112)

-1шт.

36

6684-71-7710

COUPLING

SN: 25762-.

1шт.

Выбрано товаров: 67