Запчасти Komatsu NTO-6-CI-1D ГОЛОВКА ЦИЛИНДРОВ ГОЛОВКА ЦИЛИНДРОВ

Схема запчастей Komatsu NTO-6-CI-1D - ГОЛОВКА ЦИЛИНДРОВ ГОЛОВКА ЦИЛИНДРОВ
FIT
1:1
100%

Артикул

Название

Примечание

Количество

|$0

6620-10-1001

CYLINDER HEAD A.

SN: 152892-UP

3шт.

|$1

0

CYLINDER HEAD A.

SN: 134677-152891

3шт.

|$2

6620-10-1101

CYLINDER HEAD A.

SN: 152892-UP

1шт.

|$3

0

CYLINDER HEAD A.

SN: 134677-152891

1шт.

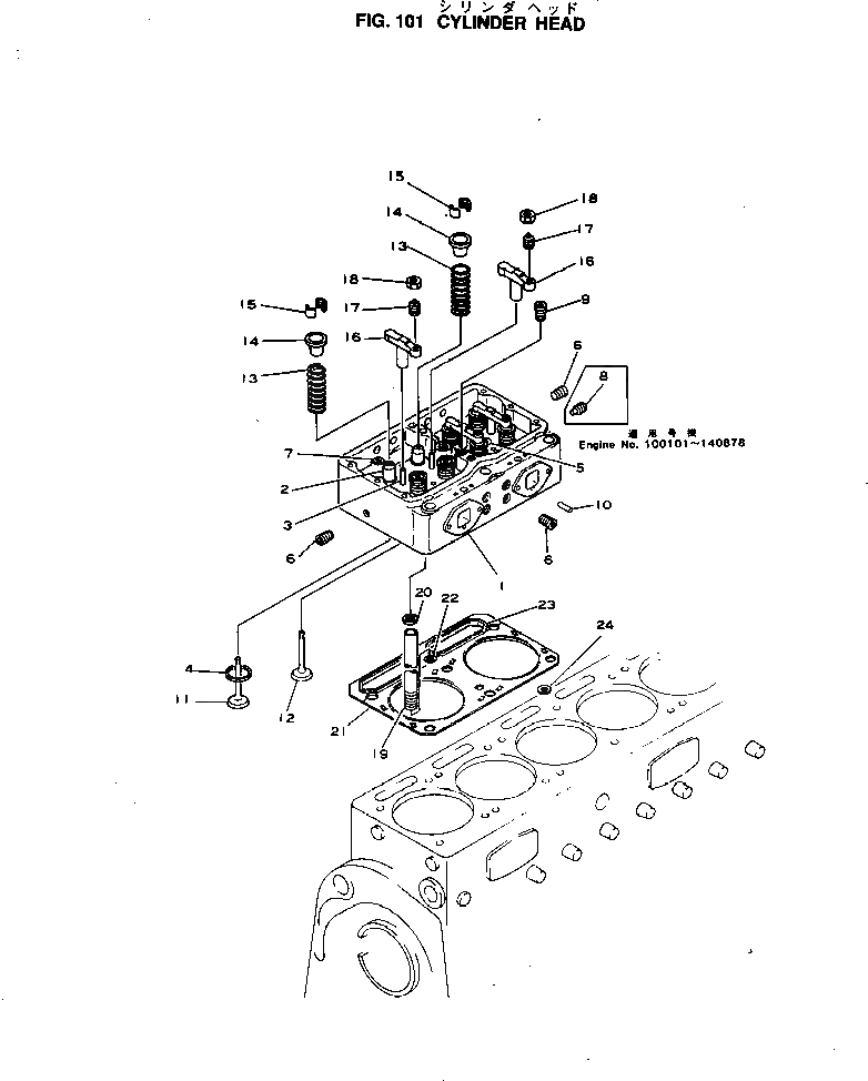
1

6610-11-1111

HEAD,CYLINDER

SN: 134677-UP

1шт.

2

6610-11-1311

GUIDE,VALVE

SN: .-UP

8шт.

2

0

GUIDE,VALVE

SN: 134677-.

8шт.

2

0

GUIDE,VALVE

SN: 134677-UP

8шт.

3

6610-11-1140

GUIDE,CROSSHEAD

SN: 134677-UP

4шт.

4

6610-11-1220

INSERT (STD)

SN: 152892-UP

4шт.

4

0

INSERT (STD)

SN: 134677-152891

4шт.

4

6610-19-1220

INSERT, 0.13MM (OS)

SN: 152892-UP

4шт.

4

0

INSERT, 0.13MM (OS)

SN: 134677-152891

4шт.

4

6610-18-1220

INSERT, 0.25MM (OS)

SN: 152892-UP

4шт.

4

0

INSERT, 0.25MM (OS)

SN: 134677-152891

4шт.

4

6610-17-1220

INSERT, 0.50MM (OS)

SN: 152892-UP

4шт.

4

0

INSERT, 0.50MM (OS)

SN: 134677-152891

4шт.

4

6610-16-1220

INSERT, 0.75MM (OS)

SN: 152892-UP

4шт.

4

0

INSERT, 0.75MM (OS)

SN: 134677-152891

4шт.

4

6610-15-1220

INSERT, 1.00MM (OS)

SN: 152892-UP

4шт.

4

0

INSERT, 1.00MM (OS)

SN: 134677-152891

4шт.

5

6610-11-1130

SLEEVE,INJECTOR

SN: 134677-UP

2шт.

6

02720-41616

PLUG

SN: 148216-UP

6шт.

6

0

PLUG

SN: 134677-148215

6шт.

7

6610-11-1461

PLUG

SN: 148562-UP

2шт.

7

0

PLUG

SN: 134677-148561

2шт.

8

6610-11-1470

PLUG

SN: 134677-140878

1шт.

9

6600-01-1711

PLUG

SN: .-UP

1шт.

9

0

PLUG

SN: 134677-.

1шт.

10

6610-11-1420

PIN,DOWEL

SN: 134677-UP

2шт.

11

6610-41-4210

VALVE,EXHAUST

SN: 134677-UP

4шт.

12

6610-41-4110

VALVE,INTAKE

SN: 134677-UP

4шт.

13

6610-41-4410

SPRING,VALVE

SN: 134677-UP

8шт.

14

6610-41-4510

GUIDE,VALVE SPRING

SN: 134677-UP

8шт.

15

6600-01-3910

COLLET,HALF, VALVE

SN: 134677-UP

16шт.

16

6610-41-5610

CROSSHEAD,VALVE

SN: 134677-UP

12шт.

17

6610-41-5620

SCREW,ADJUSTING

SN: 134677-UP

12шт.

18

6710-41-5630

NUT

SN: 134677-UP

12шт.

19

6610-21-2610

PIPE,OIL

SN: 134677-UP

3шт.

20

6610-11-1711

GASKET (K1)

SN: .-UP

3шт.

20

0

GASKET (K1)

SN: 134677-.

3шт.

21

6610-11-1811

GASKET,CYLINDER HEAD (K1)

SN: 134677-UP

3шт.

22

6610-11-1840

GROMMET

SN: 134677-UP

1шт.

23

6610-11-1830

RING

SN: 134677-UP

2шт.

24

6610-11-1821

GROMMET

SN: 134677-UP

8шт.

Выбрано товаров: 45