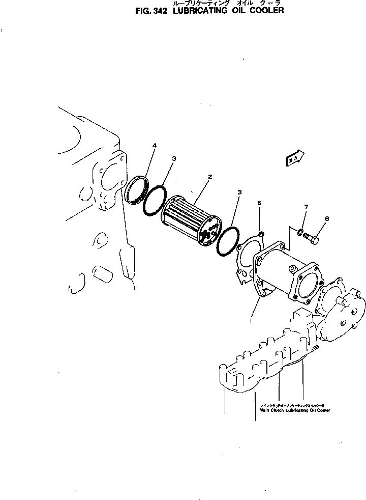
Запчасти Komatsu NTO-6-CI-1D СИСТЕМА СМАЗКИ МАСЛООХЛАДИТЕЛЬ СИСТЕМА СМАЗКИ МАСЛ. СИСТЕМА

Схема запчастей Komatsu NTO-6-CI-1D - СИСТЕМА СМАЗКИ МАСЛООХЛАДИТЕЛЬ СИСТЕМА СМАЗКИ МАСЛ. СИСТЕМА
FIT
1:1
100%

Артикул

Название

Примечание

Количество

|$0

6693-62-5200

OIL COOLER ASS'Y

SN: 134677-UP

1шт.

1

6693-62-5120

HOUSING

SN: 134677-UP

1шт.

2

6620-61-5300

ELEMENT

SN: 134677-UP

1шт.

3

6620-61-5130

O-RING (K2)

SN: 134677-UP

2шт.

4

6620-61-5140

RETAINER

SN: 134677-UP

1шт.

5

6610-61-5811

GASKET (K2)

SN: 134677-UP

1шт.

6

02010-20632

BOLT

SN: 134677-UP

5шт.

7

02310-11224

WASHER,SPRING

SN: 134677-UP

5шт.

Выбрано товаров: 8