Запчасти Komatsu NTO-6-CI-1D PT ТОПЛИВН. НАСОС И ТРУБЫ(№77-78) ТОПЛИВН. СИСТЕМА

Схема запчастей Komatsu NTO-6-CI-1D - PT ТОПЛИВН. НАСОС И ТРУБЫ(№77-78) ТОПЛИВН. СИСТЕМА
FIT
1:1
100%

Артикул

Название

Примечание

Количество

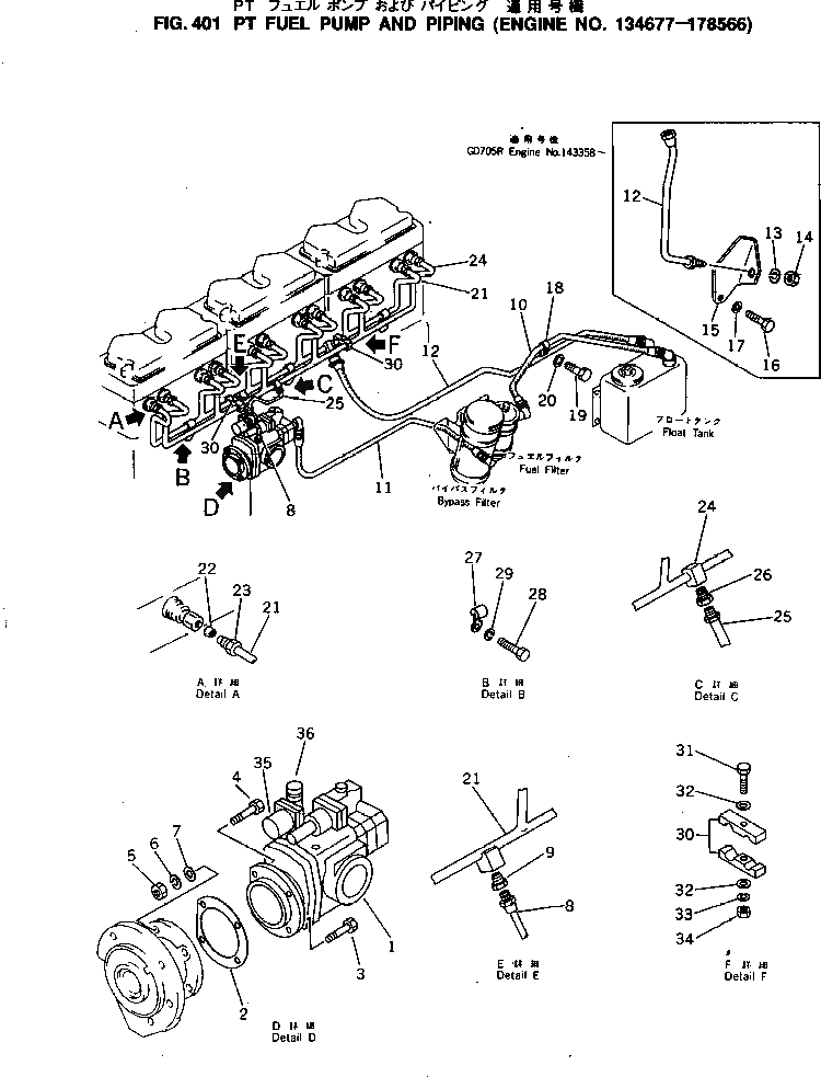
1

6693-73-1001

PT FUEL PUMP ASS'Y,(GR-J121)

SN: 139523-@

1шт.

1

0

PT FUEL PUMP ASS'Y,(GR-J121)

SN: 134677-139522

1шт.

2

6610-71-7821

GASKET (K2)

SN: 134677-@

1шт.

3

02010-20744

BOLT

SN: 134677-@

3шт.

4

6600-01-2280

BOLT

SN: 134677-@

1шт.

5

02206-10707

NUT

SN: 134677-@

4шт.

6

02310-11428

WASHER,SPRING

SN: 134677-@

4шт.

7

02300-11520

WASHER

SN: 134677-@

4шт.

8

6610-71-8290

TUBE,DRAIN

SN: 134677-@

1шт.

9

6610-71-8340

CONNECTOR

SN: 134677-@

1шт.

10

02750-04115

HOSE

SN: 134677-@

1шт.

11

6640-71-9551

HOSE ASS'Y,INLET

SN: 134677-178566

1шт.

12

02750-03110

HOSE,RETURN

SN: 134677-178566

1шт.

20

6643-71-8010

MANIFOLD ASS'Y,FUEL SUPPLY

SN: 134677-@

1шт.

21

6623-71-8150

MANIFOLD,FUEL SUPPLY

SN: 134677-@

1шт.

22

6610-71-8180

FERRULE

SN: 134677-@

6шт.

23

6610-71-8160

NUT

SN: 134677-@

6шт.

24

6623-71-8213

MANIFOLD,DRAIN

SN: 134677-@

1шт.

25

6676-73-8111

TUBE,SUPPLY

SN: 134677-@

1шт.

26

6610-71-8340

CONNECTOR

SN: 134677-@

1шт.

27

6610-71-8240

CLIP

SN: 134677-@

3шт.

28

02030-20616

BOLT

SN: 134677-@

3шт.

29

02310-11224

WASHER,SPRING

SN: 134677-@

3шт.

30

6610-71-8250

CLIP

SN: .-UP

4шт.

30

6610-71-8251

CLIP

SN: 134677-.

2шт.

31

02010-20425

BOLT

SN: .-UP

2шт.

32

02300-10920

WASHER

SN: .-UP

4шт.

33

02310-10916

WASHER,SPRING

SN: .-UP

2шт.

34

02205-30406

NUT

SN: .-UP

2шт.

35

08684-00148

METER,SERVICE

SN: 134677-178566

1шт.

36

6130-81-5290

CAP

SN: .-@

1шт.

36

0

CAP

SN: 134677-.

1шт.

37

600-832-1030

PLATE, CAUTION,(ENGLISH-FRENCH)

SN: 134677-@

1шт.

Выбрано товаров: 33