Запчасти Komatsu NTO-6-CI-1D ТРУБОПРОВОД ВПУСКА ВОЗДУХА И СОЕДИН-Е(№77-78) ГОЛОВКА ЦИЛИНДРОВ

Схема запчастей Komatsu NTO-6-CI-1D - ТРУБОПРОВОД ВПУСКА ВОЗДУХА И СОЕДИН-Е(№77-78) ГОЛОВКА ЦИЛИНДРОВ
FIT
1:1
100%

Артикул

Название

Примечание

Количество

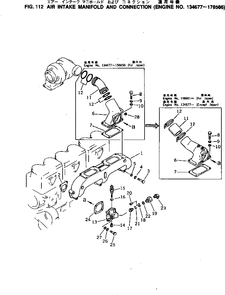
1

6643-11-4112

MANIFOLD,AIR INTAKE

SN: 134677-@

1шт.

2

6610-11-4812

GASKET (K1)

SN: 134677-178566

3шт.

2

0

GASKET (K1)

SN: (134677-.)

3шт.

3

6645-13-4191

BOLT

SN: 134677-178566

9шт.

4

02310-11224

WASHER,SPRING

SN: 134677-@

9шт.

5

02300-11320

WASHER

SN: 134677-@

9шт.

6

6693-13-4230

CONNECTOR,(FOR JAPAN)

SN: 158651-178566

1шт.

6

6693-13-4330

CONNECTOR,(FOR JAPAN)

SN: 134677-158650

1шт.

6

6693-13-4230

CONNECTOR,(EXCEPT JAPAN)

SN: 134677-178566

1шт.

7

6645-11-4221

GASKET (K1)

SN: 134677-@

1шт.

8

02010-20632

BOLT

SN: 134677-@

4шт.

9

01602-00929

WASHER,SPRING

SN: 134677-@

4шт.

10

01640-21016

WASHER

SN: 134677-@

4шт.

11

6657-12-4720

HOSE,(FOR JAPAN)

SN: 158651-@

1шт.

11

6693-13-4360

CONNECTOR,(FOR JAPAN)

SN: 134677-158650

1шт.

11

6657-12-4720

HOSE,(EXCEPT JAPAN)

SN: 134677-@

1шт.

12

07281-01159

CLAMP,(FOR JAPAN)

SN: 158651-@

2шт.

12

02895-67075

O-RING,(FOR JAPAN) (K1)

SN: 134677-158650

4шт.

12

07281-01159

CLAMP,(EXCEPT JAPAN)

SN: 134677-@

2шт.

13

6675-11-4950

COVER

SN: 134677-178566

1шт.

14

6610-21-2720

PLUG

SN: 134677-178566

1шт.

15

600-815-2110

GLOW PLUG

SN: 134677-178566

1шт.

16

600-815-2190

GASKET

SN: 134677-178566

1шт.

|$23

6610-81-4103

NOZZLE ASS'Y,PREHEATER

SN: 134677-178566

1шт.

17

6610-81-4112

NOZZLE ASS'Y,PREHEATER

SN: 134677-178566

1шт.

18

6610-81-4120

PLATE

SN: 134677-178566

1шт.

19

6610-81-4132

ADAPTER

SN: 134677-178566

1шт.

20

6610-81-4140

PIN

SN: 134677-178566

1шт.

21

6610-81-4240

O-RING

SN: 134677-178566

1шт.

22

6610-81-4150

GASKET

SN: 134677-178566

1шт.

23

6610-81-8820

ELBOW

SN: 134677-178566

1шт.

24

6675-11-4960

GASKET (K1)

SN: 134677-178566

1шт.

25

01010-30830

BOLT

SN: 134677-178566

4шт.

26

01602-00825

WASHER,SPRING

SN: 134677-178566

4шт.

27

01640-20816

WASHER

SN: 134677-178566

4шт.

28

07043-00108

PLUG,(FOR JAPAN)

SN: 134677-158650

1шт.

Выбрано товаров: 0