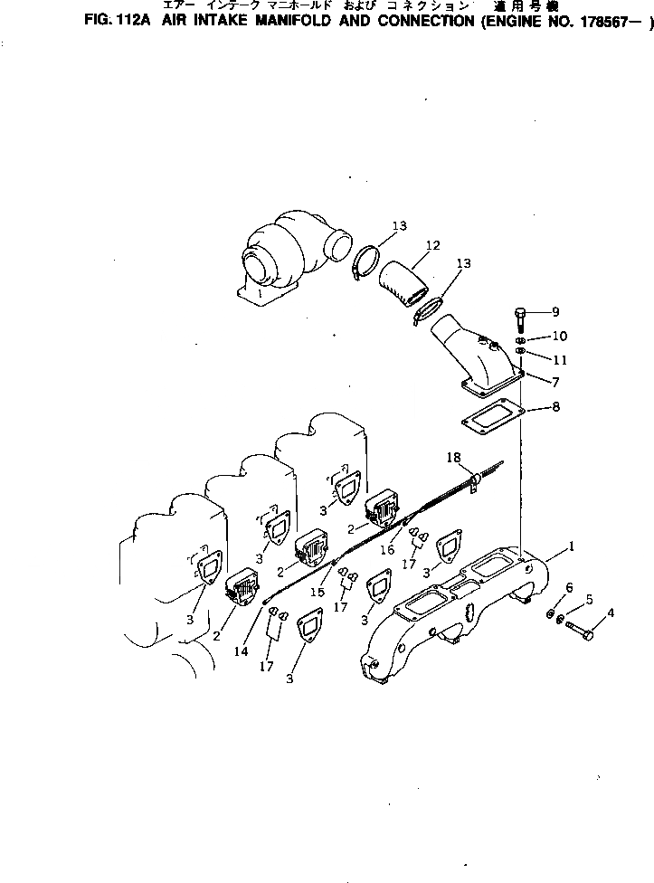
Запчасти Komatsu NTO-6-CI-1D ТРУБОПРОВОД ВПУСКА ВОЗДУХА И СОЕДИН-Е(№787-) ГОЛОВКА ЦИЛИНДРОВ

Схема запчастей Komatsu NTO-6-CI-1D - ТРУБОПРОВОД ВПУСКА ВОЗДУХА И СОЕДИН-Е(№787-) ГОЛОВКА ЦИЛИНДРОВ
FIT
1:1
100%

Артикул

Название

Примечание

Количество

1

6643-11-4112

MANIFOLD,AIR INTAKE

SN: 134677-UP

1шт.

2

600-815-2860

HEATER,RIBBON

SN: 178567-UP

3шт.

3

6610-11-4812

GASKET (K1)

SN: 178567-UP

6шт.

4

02011-70602

BOLT

SN: 134677-UP

9шт.

5

02310-11224

WASHER,SPRING

SN: 134677-UP

9шт.

6

02300-11320

WASHER

SN: 134677-UP

9шт.

7

6693-13-4280

CONNECTOR,AIR

SN: 178567-UP

1шт.

8

6645-11-4221

GASKET (K1)

SN: 134677-UP

1шт.

9

02010-20632

BOLT

SN: 134677-UP

4шт.

10

01602-00929

WASHER,SPRING

SN: 134677-UP

4шт.

11

01640-21016

WASHER

SN: 134677-UP

4шт.

12

6657-12-4720

HOSE

SN: 158651-UP

1шт.

13

07281-01159

CLAMP

SN: 158651-UP

2шт.

14

6678-81-4410

WIRE

SN: 178567-UP

1шт.

15

6678-81-4420

WIRE

SN: 178567-UP

1шт.

16

6678-81-4350

WIRE¤ 1200MM

SN: 178567-UP

1шт.

17

08038-00519

CAP

SN: 178567-UP

6шт.

18

08036-11210

CLIP

SN: 178567-UP

1шт.

Выбрано товаров: 18