Запчасти Komatsu NTO-6-G-1G - -

Схема запчастей Komatsu NTO-6-G-1G - - -
FIT
1:1
100%

Артикул

Название

Примечание

Количество

|1

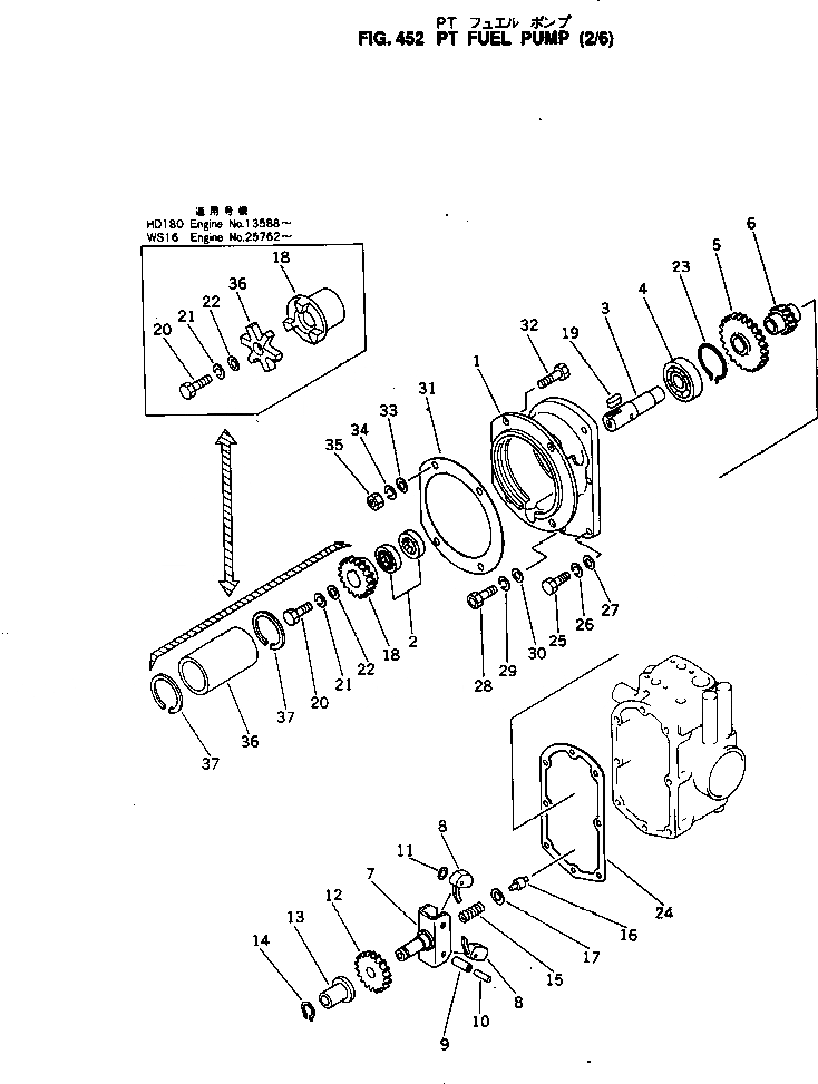
6689-72-1011

PT PUMP ASS'Y

SN: 172770-UP

1шт.

|1

6689-72-1010

PT PUMP ASS'Y

SN: 153945-172769

1шт.

|1

6610-71-2021

GOVERNOR ASS'Y

SN: 153945-UP

1шт.

|1

6610-71-2030

COVER ASS'Y

SN: 153945-UP

1шт.

1

0

SN: 153945-UP

1шт.

2

6610-71-2320

SEAL

SN: 153945-UP

2шт.

|3

6610-71-2040

DRIVE

SN: 153945-UP

1шт.

3

6610-71-2330

SHAFT

SN: 153945-UP

1шт.

4

6600-01-1240

BALL BEARING

SN: 153945-UP

1шт.

5

6610-71-2340

GEAR

SN: 153945-UP

1шт.

6

6610-71-2350

GEAR

SN: 153945-UP

1шт.

|7

6610-71-2011

WEIGHT

SN: 153945-UP

1шт.

|7

6610-71-2051

WEIGHT

SN: 153945-UP

1шт.

7

0

SN: 153945-UP

1шт.

|7

0

SN: 153945-UP

1шт.

|7

0

SN: 153945-UP

1шт.

8

6610-71-2250

WEIGHT

SN: 153945-UP

2шт.

9

6610-71-2260

SHAFT

SN: 153945-UP

2шт.

10

6710-71-2270

PIN

SN: 153945-UP

2шт.

12

6710-71-2110

GEAR

SN: 153945-UP

1шт.

13

6610-71-2121

BUSHING

SN: 153945-UP

1шт.

15

6610-71-2140

SPRING

SN: 153945-UP

1шт.

16

6610-71-2150

PLUNGER

SN: 153945-UP

1шт.

17

6610-71-2160

SHIM

SN: 153945-UP

-2шт.

18

6610-71-2380

COUPLING

SN: 153945-UP

1шт.

19

6610-71-2370

KEY

SN: 153945-UP

1шт.

20

02030-20619

BOLT

SN: 153945-UP

1шт.

21

02310-11224

WASHER

SN: 153945-UP

1шт.

22

02300-11320

WASHER

SN: 153945-UP

1шт.

23

6610-71-2360

RING

SN: 153945-UP

1шт.

24

6610-71-2410

GASKET

SN: 153945-UP

1шт.

25

02010-20432

BOLT

SN: 153945-UP

6шт.

26

02310-10916

WASHER

SN: 153945-UP

6шт.

27

6610-71-1840

WASHER

SN: 153945-UP

6шт.

28

02100-00332

BOLT

SN: 153945-UP

1шт.

29

02310-10814

WASHER

SN: 153945-UP

1шт.

30

02300-10716

WASHER

SN: 153945-UP

1шт.

31

6610-71-7821

GASKET

SN: 153945-UP

1шт.

32

02010-20732

BOLT

SN: 153945-UP

3шт.

|32

6600-01-2280

CAP SCREW

SN: 153945-UP

1шт.

33

02300-11520

WASHER

SN: 153945-UP

4шт.

34

02310-11428

WASHER

SN: 153945-UP

4шт.

35

02206-10707

NUT

SN: 153945-UP

4шт.

36

6610-71-7710

COUPLING

SN: 153945-UP

1шт.

37

6610-71-7720

RING

SN: 153945-UP

2шт.

Выбрано товаров: 45