Запчасти Komatsu NTO-6-G-1G - -

Схема запчастей Komatsu NTO-6-G-1G - - -
FIT
1:1
100%

Артикул

Название

Примечание

Количество

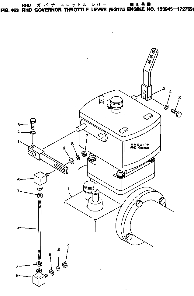
1

6689-71-1940

LEVER

SN: 153945-172769

1шт.

2

6689-71-1911

LEVER

SN: 153945-172769

1шт.

3

01010-30620

BOLT

SN: 153945-172769

2шт.

4

01602-00619

WASHER

SN: 153945-172769

2шт.

5

04245-00824

ROD

SN: 153945-172769

1шт.

6

04256-00818

JOINT

SN: 153945-172769

2шт.

7

01580-00806

NUT

SN: 153945-172769

4шт.

8

01641-20812

WASHER

SN: 153945-172769

2шт.

9

01602-00825

WASHER

SN: 153945-172769

2шт.

Выбрано товаров: 9