Запчасти Komatsu NTO-6-G-1G - -

Схема запчастей Komatsu NTO-6-G-1G - - -
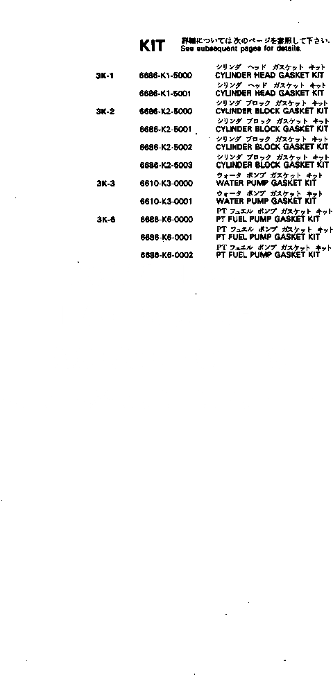
FIT
1:1
100%

Артикул

Название

Примечание

Количество

1

6686-K1-5001

GASKET KIT

SN: 153945-UP

1шт.

|1

6610-11-1711

GASKET

SN: 153945-UP

3шт.

|1

6610-11-1811

GASKET

SN: 153945-UP

3шт.

|1

6610-11-7811

GASKET

SN: 153945-UP

3шт.

|1

6610-11-7320

GASKET

SN: 153945-UP

3шт.

|1

6610-11-8810

GASKET

SN: 153945-UP

3шт.

|1

6685-21-7430

GASKET

SN: 153945-UP

3шт.

|1

07000-03020

O-RING

SN: 153945-UP

1шт.

|1

02891-02016

O-RING

SN: 153945-UP

2шт.

|1

6610-11-4811

GASKET

SN: 153945-UP

3шт.

|1

6645-11-4221

GASKET

SN: 153945-UP

1шт.

|1

02895-67075

O-RING

SN: 153945-UP

2шт.

|1

6675-11-4960

GASKET

SN: 153945-UP

1шт.

|1

6127-11-4820

GASKET

SN: 153945-UP

1шт.

|1

6685-11-5811

GASKET

SN: 153945-UP

6шт.

|1

6610-11-5220

PLATE

SN: 153945-UP

4шт.

|1

6685-11-5220

LOCK PLATE

SN: 153945-UP

4шт.

|1

6685-81-9510

GASKET

SN: 153945-UP

1шт.

|1

6643-11-5750

GASKET

SN: 153945-UP

1шт.

|1

02893-05043

O-RING

SN: 153945-UP

4шт.

|1

6610-11-6810

PLATE

SN: 153945-UP

6шт.

|1

6610-11-6820

RING

SN: 153945-UP

6шт.

|1

6710-11-6451

SEAL

SN: 153945-UP

1шт.

|1

6620-11-6430

GASKET

SN: 153945-UP

1шт.

|1

6610-11-6330

GASKET

SN: 153945-UP

1шт.

2

6686-K2-5003

GASKET KIT

SN: 129720-UP

1шт.

|2

0

GASKET KIT

SN: 153945-159719

1шт.

|2

6610-21-1720

WASHER

SN: 153945-UP

14шт.

|2

6610-21-6720

GASKET

SN: 153945-UP

2шт.

|2

6610-21-2221

O-RING

SN: 153945-UP

6шт.

|2

6610-21-2240

CREVICE SEAL

SN: 153945-UP

6шт.

|2

6610-21-2250

O-RING

SN: 153945-UP

6шт.

|2

6610-21-5671

GASKET

SN: 153945-UP

1шт.

|2

6623-21-6770

GASKET

SN: 153945-UP

1шт.

|2

6610-21-1330

GASKET

SN: 153945-UP

1шт.

|2

6610-21-1321

SEAL

SN: 153945-UP

1шт.

|2

6620-21-3240

O-RING

SN: 153945-UP

1шт.

|2

6620-21-3310

SHIM

SN: 153945-UP

4шт.

|2

6620-21-3320

SHIM

SN: 153945-UP

4шт.

|2

6620-21-3330

SHIM

SN: 153945-UP

4шт.

|2

6685-21-3810

GASKET

SN: 153945-UP

1шт.

|2

07000-63028

O-RING

SN: 153945-UP

1шт.

|2

6623-21-5812

GASKET

SN: 153945-UP

1шт.

|2

6643-21-5420

GASKET

SN: 153945-UP

1шт.

|2

07003-01621

GASKET

SN: 153945-UP

1шт.

|2

6610-21-4581

GROMMET

SN: 153945-UP

1шт.

|2

6610-21-3520

SEAL

SN: 153945-UP

1шт.

|2

6685-31-1471

GASKET

SN: 153945-UP

1шт.

|2

07000-03022

O-RING

SN: 153945-UP

1шт.

|2

6670-31-1450

LOCK WASHER

SN: 153945-UP

1шт.

|2

6610-41-2810

GASKET

SN: 153945-UP

3шт.

|2

6610-41-2820

GASKET

SN: 153945-UP

6шт.

|2

6610-41-2830

GASKET

SN: 153945-UP

9шт.

|2

6610-41-2840

GASKET

SN: 159720-UP

3шт.

|2

6610-51-1811

GASKET

SN: 153945-UP

1шт.

|2

07000-03022

O-RING

SN: 153945-UP

2шт.

|2

6620-61-5130

O-RING

SN: 153945-UP

2шт.

|2

6610-61-5811

GASKET

SN: 153945-UP

1шт.

|2

6610-71-7821

GASKET

SN: 153945-UP

1шт.

|2

6610-71-7810

GASKET

SN: 153945-UP

1шт.

|2

6610-61-1810

GASKET

SN: 153945-UP

1шт.

|2

6610-61-2170

SEAL

SN: 153945-UP

1шт.

|2

6671-61-2420

GASKET

SN: 153945-UP

1шт.

|2

6610-21-3511

SEAL

SN: 153945-UP

1шт.

|2

6610-81-2210

GASKET

SN: 153945-UP

1шт.

3

6610-K3-0001

GASKET KIT

SN: 153945-UP

1шт.

|3

6610-61-1512

SEAL

SN: 153945-UP

1шт.

|3

6610-69-1210

FILTER

SN: 153945-UP

1шт.

|3

6610-61-1810

GASKET

SN: 153945-UP

1шт.

6

6686-K6-0002

GASKET KIT

SN: 153945-UP

1шт.

|6

6610-71-1320

O-RING

SN: 153945-UP

1шт.

|6

02891-02018

O-RING

SN: 153945-UP

1шт.

|6

6610-71-2320

SEAL

SN: 153945-UP

1шт.

|6

6610-71-2410

GASKET

SN: 153945-UP

1шт.

|6

6610-71-7821

GASKET

SN: 153945-UP

1шт.

|6

6610-71-1821

GASKET

SN: 153945-UP

1шт.

|6

6610-71-4241

O-RING

SN: 153945-UP

1шт.

|6

6610-71-4160

O-RING

SN: 153945-UP

1шт.

|6

6610-71-3520

SEAL RING

SN: 153945-UP

1шт.

|6

6610-71-3530

SEAL RING

SN: 153945-UP

1шт.

|6

6610-71-2541

GASKET

SN: 153945-UP

1шт.

|6

6610-71-2811

GASKET

SN: 153945-UP

1шт.

|6

6610-71-2771

O-RING

SN: 153945-UP

1шт.

|6

6610-71-2741

O-RING

SN: 153945-UP

1шт.

|6

6610-71-2750

SEAL

SN: 153945-UP

1шт.

|6

6610-71-1911

SEAL

SN: 153945-UP

1шт.

|6

6610-71-1960

WASHER

SN: 153945-UP

1шт.

Выбрано товаров: 0