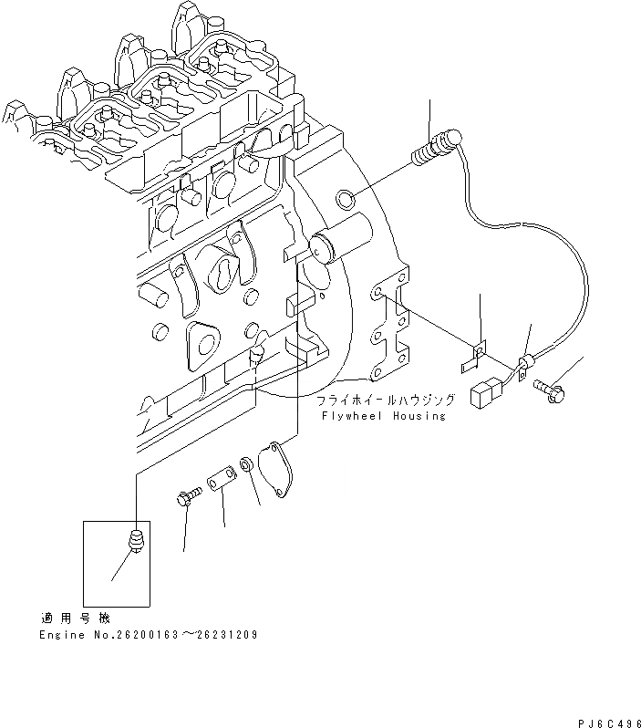
Запчасти Komatsu S4D102E-1E-Z3 КАРТЕР МАХОВИКА ЗАГЛУШКА (С ДАТЧИК ВРАЩЕНИЯ) ДВИГАТЕЛЬ

Схема запчастей Komatsu S4D102E-1E-Z3 - КАРТЕР МАХОВИКА ЗАГЛУШКА (С ДАТЧИК ВРАЩЕНИЯ) ДВИГАТЕЛЬ
1
2
3
4
5
6
7
8
FIT
1:1
100%

Артикул

Название

Примечание

Количество

1

02721-00813

PLUG

SN: 26200163-26231209

1шт.

2

01435-00825

BOLT

SN: 26200163-UP

1шт.

3

6301-11-4630

PLATE

SN: 26200163-UP

1шт.

4

6110-23-6490

SPACER

SN: 26200163-UP

1шт.

5

7861-92-2310

SENSOR,REVOLUTION

SN: 26200163-UP

1шт.

6

08053-01512

CLIP

SN: 26200163-UP

1шт.

7

08036-10614

CLIP

SN: 26200163-UP

1шт.

8

01435-01220

BOLT

SN: 26200163-UP

1шт.

Выбрано товаров: 8