Запчасти Komatsu S4D102E-1F-US ТОПЛИВН. ФИЛЬТР. КРЕПЛЕНИЕ И ПАТРУБКИ(№-) ДВИГАТЕЛЬ

Схема запчастей Komatsu S4D102E-1F-US - ТОПЛИВН. ФИЛЬТР. КРЕПЛЕНИЕ И ПАТРУБКИ(№-) ДВИГАТЕЛЬ
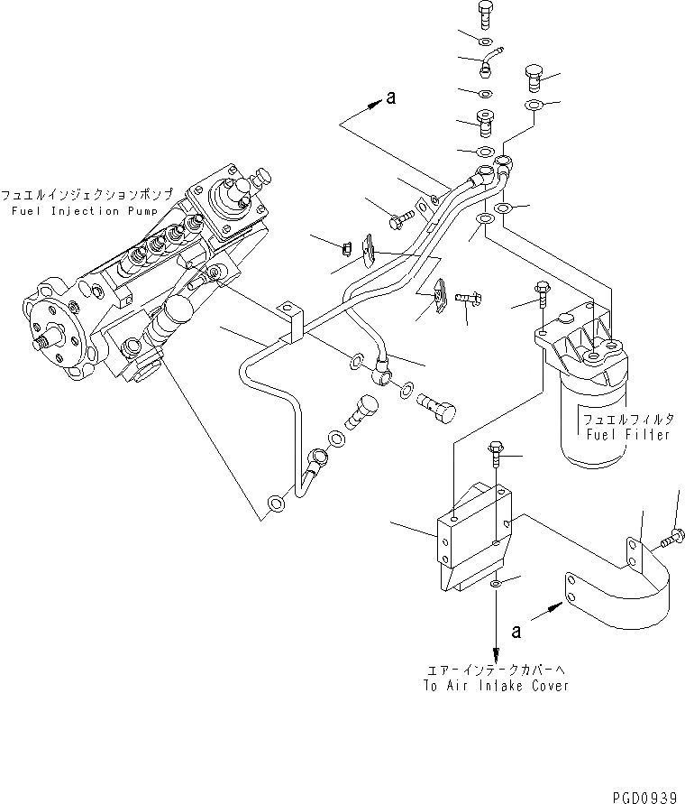
1
2
3
4
5
6
7
8
9
9
10
11
12
12
13
14
14
15
16
17
17
18
19
FIT
1:1
100%

Артикул

Название

Примечание

Количество

1

6732-71-6740

BRACKET

SN: 26200415-UP

1шт.

2

01435-00825

BOLT

SN: 26200415-UP

2шт.

3

01435-00840

BOLT

SN: 26200415-UP

3шт.

4

01643-31032

WASHER

SN: 26200415-UP

1шт.

5

6732-71-6810

COVER

SN: 26200415-UP

1шт.

6

01435-00814

BOLT

SN: 26200415-UP

3шт.

7

6732-71-5960

TUBE

SN: 26200415-UP

1шт.

8

07206-30812

BOLT,JOINT

SN: 26200415-UP

1шт.

9

07005-01212

GASKET

SN: 26200415-UP

2шт.

10

6732-71-5970

TUBE

SN: 26200415-UP

1шт.

11

6736-71-5820

BOLT,JOINT

SN: 26200415-UP

1шт.

12

07005-01212

GASKET

SN: 26200415-UP

2шт.

13

6732-71-5780

JOINT

SN: 26200415-UP

1шт.

14

07005-00812

GASKET

SN: 26200415-UP

2шт.

15

01435-00814

BOLT

SN: 26200415-UP

1шт.

16

01643-31032

WASHER

SN: 26200415-UP

1шт.

17

6212-55-8140

CLAMP

SN: 26200415-UP

2шт.

18

01435-00620

BOLT

SN: 26200415-UP

1шт.

19

01584-00605

NUT

SN: 26200415-UP

1шт.

Выбрано товаров: 0