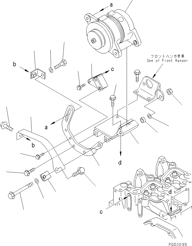
Запчасти Komatsu S4D102E-1J ГЕНЕРАТОР И ГЕНЕРАТОР КОРПУС (A)(№-) ДВИГАТЕЛЬ

Схема запчастей Komatsu S4D102E-1J - ГЕНЕРАТОР И ГЕНЕРАТОР КОРПУС (A)(№-) ДВИГАТЕЛЬ
1
2
3
4
4
5
6
7
8
9
10
11
11
12
13
13
14
14
15
16
FIT
1:1
100%

Артикул

Название

Примечание

Количество

1

600-825-3750

ALTERNATOR A. (35A),(SEE FIG.A6010-02A2)

SN: 26203202-UP

1шт.

2

6210-81-6390

BOLT

SN: 26203202-UP

1шт.

3

01582-11210

NUT

SN: 26203202-UP

1шт.

4

01643-31232

WASHER

SN: 26203202-UP

2шт.

5

6150-81-6960

SPACER

SN: 26203202-UP

1шт.

6

6732-81-6910

BRACKET

SN: 26203202-UP

1шт.

7

01435-01045

BOLT

SN: 26203202-UP

1шт.

8

6732-81-6930

PLATE

SN: 26203202-UP

1шт.

9

01435-01025

BOLT

SN: 26203202-UP

2шт.

10

6732-81-6920

BRACKET

SN: 26203202-UP

1шт.

11

01435-00820

BOLT

SN: 26203202-UP

4шт.

12

6732-81-6960

COVER

SN: 26203202-UP

1шт.

13

154-49-51640

BRACKET

SN: 26203202-UP

2шт.

14

01435-01220

BOLT

SN: 26203202-UP

2шт.

15

01050-31235

BOLT

SN: 26203202-UP

1шт.

16

01643-31232

WASHER

SN: 26203202-UP

1шт.

Выбрано товаров: 16