Запчасти Komatsu S4D102E-1J ГЛУШИТЕЛЬ (ДЛЯ TОБОД КОЛЕСАMING DOZER)(№8-) ДВИГАТЕЛЬ

Схема запчастей Komatsu S4D102E-1J - ГЛУШИТЕЛЬ (ДЛЯ TОБОД КОЛЕСАMING DOZER)(№8-) ДВИГАТЕЛЬ
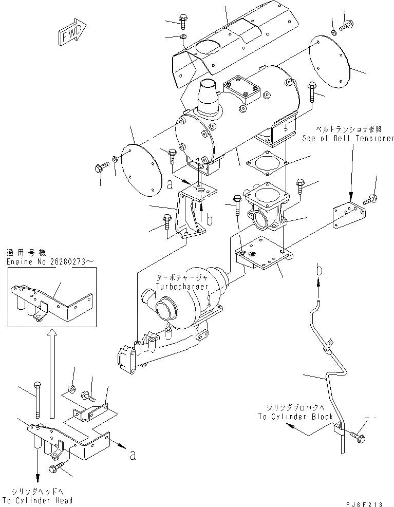
1
2
3
4
5
6
6
7
7
7
8
8
8
9
10
11
12
13
14
15
16
16
17
18
19
20
21
22
23
FIT
1:1
100%

Артикул

Название

Примечание

Количество

1

6732-11-5770

MUFFLER

SN: 26258633-UP

1шт.

2

6150-11-5710

GASKET

SN: 26258633-UP

1шт.

3

01435-01025

BOLT

SN: 26258633-UP

4шт.

4

01435-01016

BOLT

SN: 26258633-UP

2шт.

5

6732-11-5780

COVER

SN: 26258633-UP

1шт.

6

6732-11-5790

COVER

SN: 26258633-UP

2шт.

7

01435-00814

BOLT

SN: 26258633-UP

19шт.

8

6201-81-6560

SPACER

SN: 26258633-UP

19шт.

9

6732-11-5431

BRACKET

SN: 26258633-UP

1шт.

10

01435-01055

BOLT

SN: 26258633-UP

2шт.

11

6732-11-5440

ELBOW

SN: 26258633-UP

1шт.

12

01435-01025

BOLT

SN: 26258633-UP

4шт.

13

01435-01020

BOLT

SN: 26258633-UP

2шт.

14

6732-11-5471

BRACKET

SN: 26258633-UP

1шт.

15

01435-01030

BOLT

SN: 26258633-UP

2шт.

16

6732-11-5481

BRACKET

SN: 26280273-UP

1шт.

|16

6732-11-5480

BRACKET

SN: 26258633-26280272

1шт.

17

6732-11-5490

BRACKET

SN: 26258633-UP

1шт.

18

01435-00825

BOLT

SN: 26258633-UP

2шт.

19

01435-00816

BOLT

SN: 26258633-UP

1шт.

20

01584-00806

NUT

SN: 26258633-UP

1шт.

21

01011-81220

BOLT

SN: 26258633-UP

2шт.

22

6732-11-5461

TUBE,DRAIN

SN: 26258633-UP

1шт.

23

01435-01220

BOLT

SN: 26258633-UP

1шт.

Выбрано товаров: 24