Запчасти Komatsu S4D105-1C ТОПЛИВН. ФИЛЬТР. И КРЕПЛЕНИЕ ТОПЛИВН. СИСТЕМА

Схема запчастей Komatsu S4D105-1C - ТОПЛИВН. ФИЛЬТР. И КРЕПЛЕНИЕ ТОПЛИВН. СИСТЕМА
FIT
1:1
100%

Артикул

Название

Примечание

Количество

|1

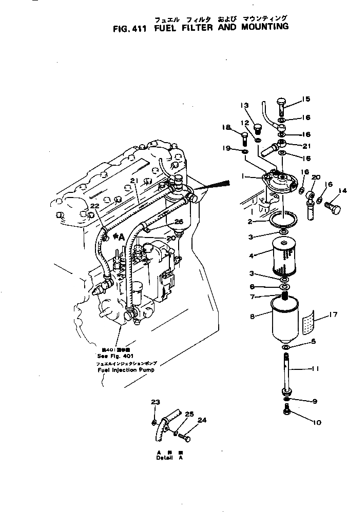
6130-71-6102

FUEL FILTER ASS'Y

SN: 19078-UP

1шт.

1

600-311-6110

COVER

SN: 19078-UP

1шт.

|2

6130-70-8010

ELEMENT ASS'Y

SN: 19078-UP

1шт.

2

600-311-6310

GASKET

SN: 19078-UP

1шт.

3

600-311-6320

GASKET

SN: 19078-UP

2шт.

4

0

ELEMENT

SN: 19078-UP

1шт.

5

600-311-6410

GASKET

SN: 19078-UP

1шт.

6

600-311-6530

RETAINER

SN: 19078-UP

1шт.

7

600-311-6520

SPRING

SN: 19078-UP

1шт.

8

600-311-8120

BODY

SN: 19078-UP

1шт.

9

07005-00812

GASKET

SN: 19078-UP

1шт.

10

600-311-6720

PLUG

SN: 19078-UP

1шт.

11

600-311-8510

BOLT

SN: 19078-UP

1шт.

12

07005-01412

GASKET

SN: 19078-UP

1шт.

13

600-311-6710

PLUG

SN: 19078-UP

1шт.

14

6127-71-5710

BOLT,JOINT

SN: 19078-UP

1шт.

15

07206-11014

BOLT,JOINT

SN: 19078-UP

1шт.

16

07005-01412

GASKET (K2)

SN: 19078-UP

5шт.

17

600-311-8910

PLATE¤ CAUTION

SN: 19078-UP

1шт.

18

01010-31035

BOLT

SN: 19078-UP

2шт.

19

01602-01030

WASHER,SPRING

SN: 19078-UP

2шт.

20

6131-71-5610

HOSE

SN: 19078-UP

1шт.

21

6130-71-5621

HOSE

SN: 19078-UP

1шт.

22

6130-71-6411

CLIP

SN: .-UP

1шт.

|22

0

CLIP

SN: 19078-.

1шт.

Выбрано товаров: 25