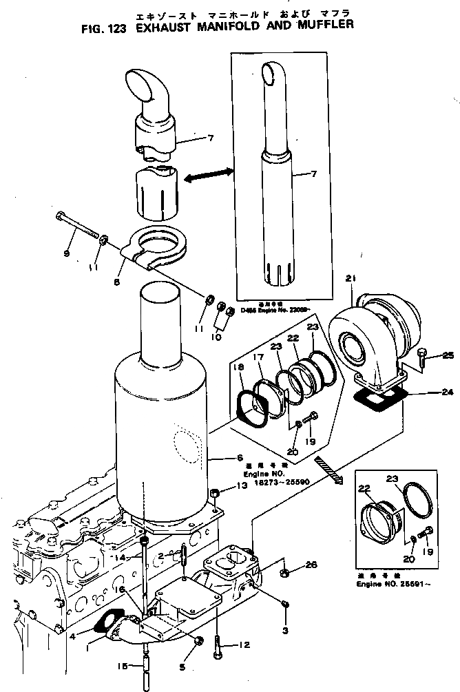
Запчасти Komatsu S4D105-1C ВЫПУСКНОЙ КОЛЛЕКТОР И ГЛУШИТЕЛЬ ГОЛОВКА ЦИЛИНДРОВ

Схема запчастей Komatsu S4D105-1C - ВЫПУСКНОЙ КОЛЛЕКТОР И ГЛУШИТЕЛЬ ГОЛОВКА ЦИЛИНДРОВ
FIT
1:1
100%

Артикул

Название

Примечание

Количество

1

6131-11-5132

MANIFOLD,EXHAUST

SN: 19078-UP

1шт.

2

01140-31035

STUD

SN: 19078-UP

1шт.

3

07042-20108

PLUG

SN: 19078-UP

2шт.

4

6130-11-5810

GASKET (K1)

SN: 19078-UP

4шт.

5

6110-11-1190

NUT

SN: 19078-UP

8шт.

6

6131-11-5611

MUFFLER

SN: 19078-UP

1шт.

7

6131-11-5640

PIPE,EXHAUST

SN: 19078-UP

1шт.

8

6620-11-5742

CLAMP

SN: 19078-UP

1шт.

9

6112-11-5351

BOLT

SN: 19078-UP

1шт.

10

01582-01411

NUT

SN: 19078-UP

2шт.

11

01643-01432

WASHER

SN: 19078-UP

2шт.

12

6131-11-5650

BOLT

SN: 19078-UP

3шт.

13

6110-11-1190

NUT

SN: 19078-UP

4шт.

14

6131-11-5553

PIPE

SN: 19078-UP

1шт.

15

6130-11-5670

TUBE

SN: .-UP

1шт.

|15

0

TUBE

SN: 20617-.

1шт.

|15

6130-11-5670

TUBE

SN: 19078-20616

1шт.

16

6131-11-5660

CLAMP

SN: 19078-UP

1шт.

17

6131-11-5440

BRACKET

SN: 19078-25590

1шт.

18

6131-11-5450

GASKET (K1)

SN: 19078-25590

1шт.

19

6131-11-5360

BOLT

SN: 19078-UP

2шт.

20

01602-00825

WASHER,SPRING

SN: 19078-UP

2шт.

21

6131-81-8103

TURBOCHARGER ASS'Y,(SEE FIG.141)

SN: ..-UP

1шт.

|21

0

TURBOCHARGER ASS'Y,(SEE FIG.141)

SN: .-..

1шт.

|21

0

TURBOCHARGER ASS'Y,(SEE FIG.141)

SN: 19078-.

1шт.

22

6131-11-5230

JOINT

SN: 25591-UP

1шт.

|22

6131-11-5240

JOINT

SN: 19078-25590

1шт.

23

6131-11-5280

SEAL,RING

SN: 25591-UP

1шт.

|23

6131-11-5280

SEAL,RING

SN: 19078-25590

2шт.

24

6131-11-5170

GASKET (K1)

SN: 19078-UP

1шт.

25

02030-50638

BOLT

SN: 19078-UP

3шт.

26

6131-11-1290

NUT

SN: 19078-UP

4шт.

Выбрано товаров: 32