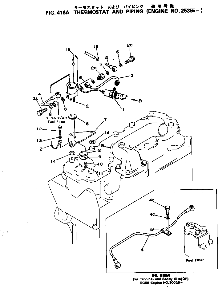
Запчасти Komatsu S4D105-1D ТЕРМОСТАТ И ТРУБЫ(№7-) ТОПЛИВН. СИСТЕМА

Схема запчастей Komatsu S4D105-1D - ТЕРМОСТАТ И ТРУБЫ(№7-) ТОПЛИВН. СИСТЕМА
FIT
1:1
100%

Артикул

Название

Примечание

Количество

1

6130-82-4110

HEATER,INTAKE AIR

SN: 25370-UP

1шт.

2

6132-81-4622

MAGNET VALVE ASS'Y

SN: ..-UP

1шт.

|2

0

MAGNET VALVE ASS'Y

SN: .-..

1шт.

|2

0

MAGNET VALVE ASS'Y

SN: 25370-.

1шт.

2A

6130-82-4270

BOLT,JOINT

SN: 25370-UP

1шт.

2B

6130-82-4280

BOLT,JOINT

SN: 25370-UP

1шт.

2C

6130-82-4261

OVERFLOW VALVE A.

SN: .-UP

1шт.

|2C

0

OVERFLOW VALVE A.

SN: 25370-.

1шт.

3

6131-81-4630

PIPE

SN: 25370-UP

1шт.

4

6131-81-4620

PIPE

SN: 25370-UP

1шт.

5

6130-82-4230

PIPE

SN: 25370-UP

1шт.

6

07005-01212

GASKET (K1)

SN: 25370-UP

6шт.

7

6131-81-4610

BRACKET

SN: 25370-UP

1шт.

8

6130-82-4310

PACKING (K1)

SN: 25370-UP

2шт.

9

6130-82-4320

WASHER

SN: 25370-UP

1шт.

10

01602-00619

WASHER,SPRING

SN: 25370-UP

2шт.

11

01580-00605

NUT

SN: 25370-UP

2шт.

12

01010-30825

BOLT

SN: 25370-UP

2шт.

13

01602-00825

WASHER,SPRING

SN: 25370-UP

2шт.

14

01643-31032

WASHER

SN: 25370-UP

2шт.

15

6130-82-4130

WIRE

SN: 25370-UP

1шт.

16

07281-00137

CLAMP

SN: 26150-UP

1шт.

Выбрано товаров: 0