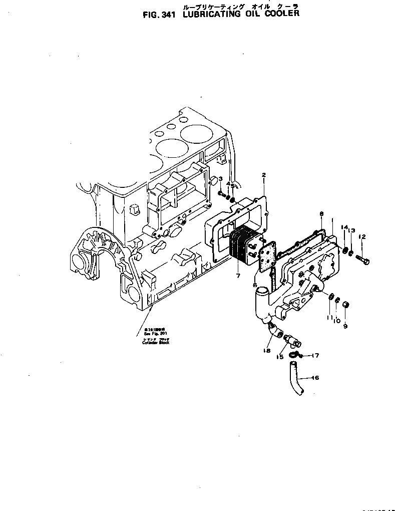
Запчасти Komatsu S4D105-2B СИСТЕМА СМАЗКИ МАСЛООХЛАДИТЕЛЬ СИСТЕМА СМАЗКИ МАСЛ. СИСТЕМА

Схема запчастей Komatsu S4D105-2B - СИСТЕМА СМАЗКИ МАСЛООХЛАДИТЕЛЬ СИСТЕМА СМАЗКИ МАСЛ. СИСТЕМА
FIT
1:1
100%

Артикул

Название

Примечание

Количество

|1

6130-61-2101

OIL COOLER ASS'Y

SN: 18273-UP

1шт.

1

6130-61-2111

COVER

SN: 18273-UP

1шт.

2

6132-61-5130

HOUSING

SN: 20909-UP

1шт.

|2

0

HOUSING

SN: 18273-20908

1шт.

3

01210-50408

SCREW

SN: 18273-20908

4шт.

4

01601-20410

WASHER,SPRING

SN: 18273-20908

4шт.

5

01642-20405

WASHER

SN: 18273-20908

4шт.

6

6130-61-2230

GASKET

SN: 18273-UP

1шт.

7

6130-61-2270

ELEMENT

SN: 18273-UP

1шт.

8

6130-61-2130

GASKET (K2)

SN: 18273-UP

2шт.

9

01582-01008

NUT

SN: 20909-UP

4шт.

|9

01583-01016

NUT

SN: 18273-20908

4шт.

10

01602-01030

WASHER,SPRING

SN: 18273-UP

4шт.

11

01642-01016

WASHER

SN: 18273-UP

4шт.

12

01010-31035

BOLT

SN: 18273-UP

8шт.

13

01602-01030

WASHER,SPRING

SN: 18273-UP

8шт.

14

01640-01016

WASHER

SN: 18273-UP

8шт.

15

6110-63-5250

VALVE,WATER DRAIN

SN: 18273-UP

1шт.

18

6130-61-5450

PIPE

SN: 18273-UP

1шт.

Выбрано товаров: 0