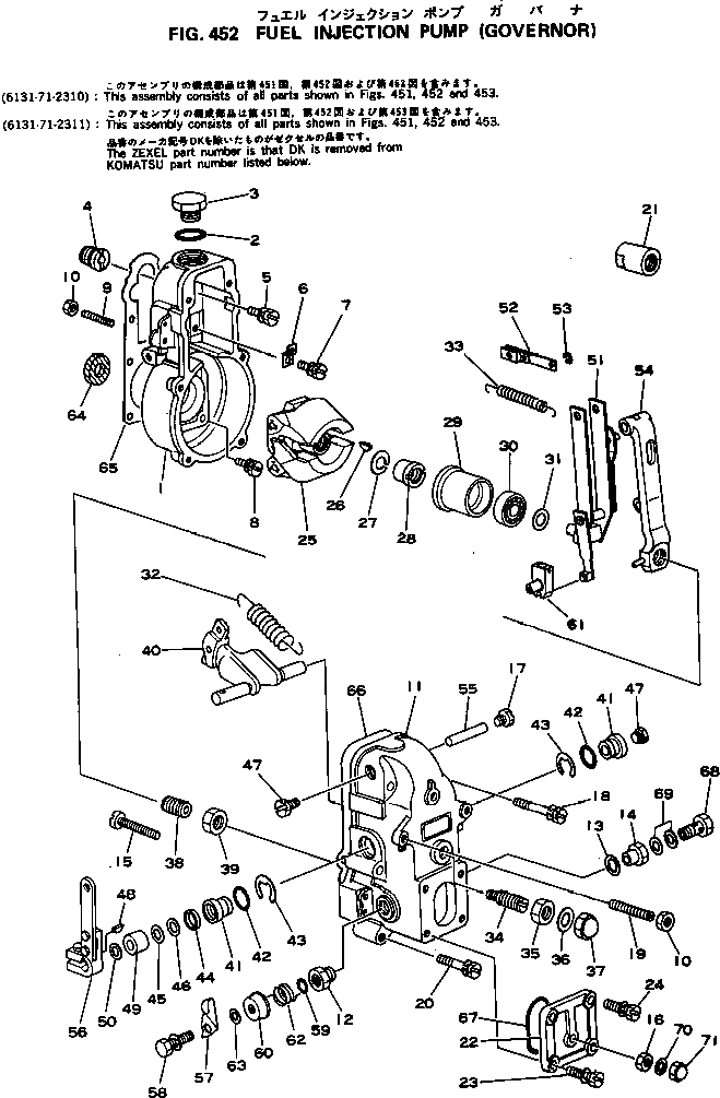
Запчасти Komatsu S4D105-2H ТОПЛ. НАСОС (РЕГУЛЯТОР) ТОПЛИВН. СИСТЕМА

Схема запчастей Komatsu S4D105-2H - ТОПЛ. НАСОС (РЕГУЛЯТОР) ТОПЛИВН. СИСТЕМА
FIT
1:1
100%

Артикул

Название

Примечание

Количество

|$0

6131-71-2311

INJECTION PUMP A.

SN: 31596-UP

1шт.

|$1

0

INJECTION PUMP A.

SN: 30026-31595

1шт.

|$2

DK105400-1280

GOVERNOR ASS'Y

SN: 31596-UP

1шт.

|$3

0

GOVERNOR

SN: 30026-31595

1шт.

1

DK154000-6300

HOUSING

SN: 30026-UP

1шт.

2

DK029632-5070

O-RING

SN: 30026-UP

1шт.

3

DK154007-2900

PLUG

SN: 30026-UP

1шт.

4

DK154007-0200

ADAPTER

SN: 30026-UP

1шт.

5

DK020018-1840

BOLT

SN: 30026-31595

1шт.

6

DK154350-1800

PLATE

SN: 31596-UP

1шт.

6

DK154350-1900

PLATE

SN: 30026-31595

1шт.

7

DK020106-1640

BOLT

SN: 30026-UP

1шт.

8

DK020006-1440

BOLT

SN: 31596-UP

5шт.

8

DK129010-6810

BOLT

SN: 30026-31595

5шт.

9

DK154010-0500

SCREW

SN: 30026-UP

1шт.

10

DK154011-0100

NUT,LOCK

SN: 30026-UP

2шт.

11

DK154500-5120

COVER

SN: 30026-UP

1шт.

12

DK154321-0400

BUSHING

SN: 31596-UP

1шт.

12

DK154321-0100

BUSHING

SN: 30026-31595

1шт.

13

DK026516-2040

GASKET

SN: 31596-UP

1шт.

13

DK026516-7040

GASKET

SN: 30026-31595

1шт.

14

DK154316-4500

ADAPTER

SN: 30026-UP

1шт.

15

DK154031-2200

SCREW

SN: 30026-UP

1шт.

16

DK154011-0700

NUT

SN: 30026-UP

1шт.

17

DK154036-0300

PLUG

SN: 30026-UP

2шт.

18

DK020106-5040

BOLT

SN: 30026-UP

4шт.

19

DK154010-0100

SCREW

SN: 30026-UP

1шт.

20

DK020106-3840

BOLT

SN: 30026-UP

4шт.

21

DK155404-3700

CAP

SN: 30026-31595

1шт.

22

DK154060-8800

COVER

SN: 30026-UP

1шт.

23

DK020006-1440

BOLT

SN: 30026-UP

2шт.

24

DK029020-6270

BOLT

SN: 30026-UP

2шт.

25

DK154100-7020

FLYWEIGHT ASS'Y

SN: 30026-UP

1шт.

26

DK025803-1610

KEY, 16MM,WOODRUFF

SN: 30026-UP

1шт.

27

DK029321-2020

WASHER,SPRING

SN: 30026-UP

1шт.

28

DK029231-2030

NUT

SN: 30026-UP

1шт.

29

DK154123-0120

SLEEVE

SN: 30026-UP

1шт.

30

DK029801-0030

BEARING

SN: 30026-UP

1шт.

31

DK029311-0010

SHIM, 0.20MM

SN: 30026-UP

-2шт.

31

DK029311-0180

SHIM, 0.30MM

SN: 30026-UP

-2шт.

31

DK029311-0190

SHIM, 0.40MM

SN: 30026-UP

-2шт.

31

DK029311-0210

SHIM, 1.00MM

SN: 30026-UP

-2шт.

32

DK154150-0300

SPRING

SN: 30026-UP

1шт.

33

DK154154-0700

SPRING

SN: 30026-UP

14шт.

34

DK154157-1720

CAPSULE,CAPSULE

SN: 30026-UP

1шт.

35

DK029201-2130

NUT

SN: 30026-UP

1шт.

36

DK026512-1540

GASKET

SN: 30026-UP

2шт.

37

DK154159-0100

NUT,CAP

SN: 30026-UP

1шт.

38

DK154175-7620

CAPSULE,CAPSULE

SN: 30026-UP

1шт.

39

DK029201-6010

NUT

SN: 30026-UP

1шт.

40

DK154200-0220

LEVER ASS'Y,SWIVEL

SN: 30026-UP

1шт.

41

DK154204-0100

BUSHING

SN: 30026-UP

2шт.

42

DK029631-8020

O-RING

SN: 30026-UP

2шт.

43

DK016010-1640

RING,SNAP

SN: 30026-UP

2шт.

44

DK029621-1010

SEAL,OIL

SN: 30026-UP

1шт.

45

DK029311-1070

SHIM, 0.5MM

SN: 30026-UP

1шт.

46

DK029311-1090

SHIM, 0.3MM

SN: 30026-UP

-2шт.

47

DK029141-7010

PLUG

SN: 30026-UP

1шт.

48

DK025803-1310

KEY, 13MM

SN: 30026-UP

1шт.

49

DK154206-0100

COLLAR

SN: 30026-UP

1шт.

50

DK154206-0200

WASHER, 1.0MM

SN: 30026-UP

-2шт.

51

DK154210-7320

LEVER ASS'Y

SN: 30026-UP

1шт.

52

DK154230-3920

LINK

SN: 30026-UP

1шт.

53

DK016010-0540

RING,SNAP

SN: 30026-UP

1шт.

54

DK154236-4100

LEVER,TENSION

SN: 30026-UP

1шт.

55

DK154237-0100

PIN

SN: 30026-UP

1шт.

56

DK154303-4920

LEVER

SN: 30026-UP

1шт.

57

DK154304-1900

LEVER

SN: 30026-UP

1шт.

58

DK020006-1640

BOLT

SN: 30026-UP

1шт.

59

DK029631-0030

O-RING

SN: 30026-UP

1шт.

60

DK154322-0100

CAP

SN: 30026-UP

1шт.

61

DK154326-5020

LEVER ASS'Y

SN: 30026-UP

1шт.

62

DK154327-0100

SPRING

SN: 30026-UP

1шт.

63

DK029311-0220

SHIM, 0.2MM

SN: 30026-UP

-2шт.

63

DK029311-0230

SHIM, 0.5MM

SN: 30026-UP

-2шт.

64

DK029671-7010

SEAL,OIL

SN: 30026-UP

1шт.

65

DK154350-7700

GASKET

SN: 30026-UP

1шт.

66

DK154350-7800

GASKET

SN: 30026-UP

1шт.

67

DK029635-5010

O-RING

SN: 30026-UP

1шт.

68

DK029731-2070

BOLT,EYE

SN: 30026-UP

1шт.

69

DK029341-2140

GASKET

SN: .-UP

2шт.

69

DK029341-2010

GASKET

SN: 30026-.

2шт.

70

DK029331-1010

GASKET

SN: 30026-UP

1шт.

71

DK154035-0500

NUT,CAP

SN: 30026-UP

1шт.

Выбрано товаров: 84