Запчасти Komatsu S4D105-2J РАСПРЕДВАЛ И ТОЛКАТЕЛЬ БЛОК ЦИЛИНДРОВ

Схема запчастей Komatsu S4D105-2J - РАСПРЕДВАЛ И ТОЛКАТЕЛЬ БЛОК ЦИЛИНДРОВ
FIT
1:1
100%

Артикул

Название

Примечание

Количество

|$0

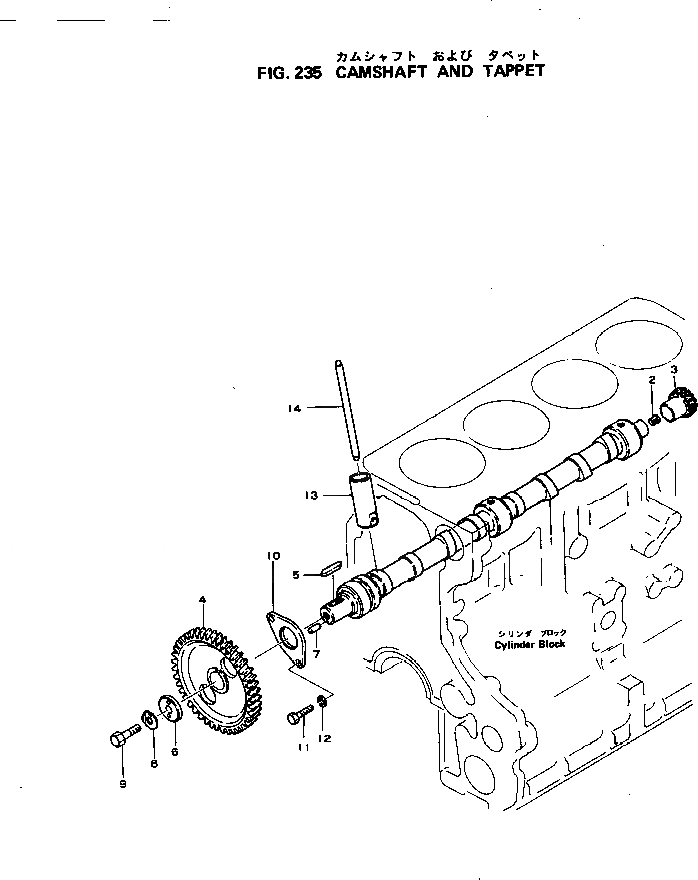
6130-41-1001

CAMSHAFT ASS'Y

SN: 32780-UP

1шт.

|$1

0

CAMSHAFT ASS'Y

SN: 30042-32779

1шт.

1

0

CAMSHAFT

SN: 32780-UP

1шт.

1

0

CAMSHAFT

SN: 30042-32779

1шт.

2

6110-21-1130

SPACER

SN: 30042-UP

1шт.

3

6130-81-5220

GEAR,DRIVE

SN: 30042-UP

1шт.

4

6130-41-1120

GEAR,CAMSHAFT

SN: 30042-UP

1шт.

5

04010-10772

KEY

SN: 30042-UP

1шт.

6

6130-41-1140

PLATE

SN: 30042-UP

1шт.

7

04020-00514

PIN,DOWEL

SN: 30042-UP

1шт.

8

01653-11012

WASHER,LOCK (K2)

SN: 30042-UP

1шт.

9

01010-31025

BOLT

SN: 30042-UP

1шт.

10

6130-41-1130

PLATE,THRUST

SN: 30042-UP

1шт.

11

01010-30820

BOLT

SN: 30042-UP

2шт.

12

01602-00825

WASHER,SPRING

SN: 30042-UP

2шт.

13

6130-41-2113

TAPPET

SN: .-UP

8шт.

13

0

TAPPET

SN: 30042-.

8шт.

14

6130-41-3110

ROD,PUSH

SN: 30042-UP

8шт.

Выбрано товаров: 18