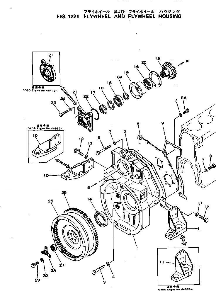
Запчасти Komatsu S4D105-3C МАХОВИК И КАРТЕР МАХОВИКА БЛОК ЦИЛИНДРОВ

Схема запчастей Komatsu S4D105-3C - МАХОВИК И КАРТЕР МАХОВИКА БЛОК ЦИЛИНДРОВ
FIT
1:1
100%

Артикул

Название

Примечание

Количество

1

6131-22-4140

HOUSING,FLYWHEEL

SN: 44579-UP

1шт.

2

6130-22-4310

GASKET (K2)

SN: 44579-UP

1шт.

3

01010-31290

BOLT

SN: 44579-UP

6шт.

4

01602-01236

WASHER,SPRING

SN: 44579-UP

6шт.

5

01050-31075

BOLT

SN: 44579-UP

2шт.

6

01010-31025

BOLT

SN: 44579-UP

13шт.

6A

01010-31025

BOLT

SN: 44579-UP

2шт.

7

01602-01030

WASHER,SPRING

SN: 44579-UP

17шт.

8

6131-22-4220

PLATE,REAR

SN: 44579-UP

1шт.

9

6130-22-4811

GASKET (K2)

SN: 44579-UP

1шт.

10

6131-22-4730

BRACKET,REAR¤ L.H.

SN: 44579-UP

1шт.

11

6131-22-4740

BRACKET,REAR¤ R.H.

SN: 44579-UP

1шт.

12

01010-31235

BOLT

SN: 44579-UP

8шт.

13

01602-01236

WASHER,SPRING

SN: 44579-UP

8шт.

14

6130-21-4231

SEAL¤ REAR (K2)

SN: .-UP

1шт.

|14

0

SEAL¤ REAR (K2)

SN: 44579-.

1шт.

15

6131-22-4370

GEAR,PUMP DRIVE

SN: 44579-UP

1шт.

16

06000-30210

BEARING

SN: 44579-UP

2шт.

17

01530-04812

NUT

SN: 44579-UP

1шт.

18

01658-14823

WASHER (K2)

SN: 44579-UP

1шт.

19

6131-21-4460

CASE

SN: 44579-UP

1шт.

20

6131-21-4870

GASKET (K2)

SN: 44579-UP

1шт.

21

6131-22-4560

FLANGE

SN: 44579-UP

1шт.

22

07000-03090

O-RING (K2)

SN: 44579-UP

1шт.

23

01010-31035

BOLT

SN: 44579-UP

5шт.

24

01602-01030

WASHER,SPRING

SN: 44579-UP

5шт.

|25

6130-32-1600

FLYWHEEL ASS'Y

SN: 44579-UP

1шт.

25

0

FLYWHEEL

SN: 44579-UP

1шт.

26

6130-32-1320

GEAR,RING

SN: 44579-UP

1шт.

27

06000-06006

BEARING

SN: 44579-UP

1шт.

28

12F-10-11290

RETAINER

SN: 44579-UP

1шт.

29

01050-31435

BOLT

SN: 44579-UP

6шт.

30

6130-32-1361

WASHER,LOCK (K2)

SN: 44579-UP

6шт.

Выбрано товаров: 33