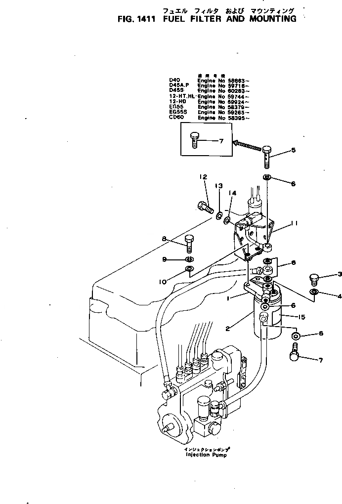
Запчасти Komatsu S4D105-3C ТОПЛИВН. ФИЛЬТР. И КРЕПЛЕНИЕ ТОПЛИВН. СИСТЕМА

Схема запчастей Komatsu S4D105-3C - ТОПЛИВН. ФИЛЬТР. И КРЕПЛЕНИЕ ТОПЛИВН. СИСТЕМА
FIT
1:1
100%

Артикул

Название

Примечание

Количество

|1

6130-72-6100

FUEL FILTER ASS'Y

SN: 44579-UP

1шт.

1

600-311-8020

COVER

SN: 44579-UP

1шт.

2

600-311-8220

CARTRIDGE

SN: 44579-UP

1шт.

3

600-311-6720

PLUG

SN: 44579-UP

1шт.

4

07005-00812

GASKET (K2)

SN: 44579-UP

1шт.

5

6127-71-5710

BOLT,JOINT

SN: 44579-59717

1шт.

6

07005-01412

GASKET

SN: 59718-UP

4шт.

|6

07005-01412

GASKET (K1¤ K2)

SN: 44579-59717

5шт.

7

07206-11014

BOLT,JOINT

SN: 59718-UP

2шт.

|7

07206-11014

BOLT,JOINT

SN: 44579-59717

1шт.

8

01010-31035

BOLT

SN: 44579-UP

2шт.

9

01602-01030

WASHER,SPRING

SN: 44579-UP

2шт.

10

01640-21016

WASHER

SN: 44579-UP

2шт.

11

6130-12-8510

BRACKET

SN: 44579-UP

1шт.

12

01010-31020

BOLT

SN: 44579-UP

4шт.

13

01602-01030

WASHER,SPRING

SN: 44579-UP

4шт.

14

01640-21016

WASHER

SN: 44579-UP

4шт.

15

600-311-8750

PLATE¤ CAUTION,(ENGLISH)

SN: 49411-UP

1шт.

Выбрано товаров: 18