Запчасти Komatsu S4D105-3H СИСТЕМА СМАЗКИ МАСЛЯНЫЙ ФИЛЬТР СИСТЕМА СМАЗКИ МАСЛ. СИСТЕМА

Схема запчастей Komatsu S4D105-3H - СИСТЕМА СМАЗКИ МАСЛЯНЫЙ ФИЛЬТР СИСТЕМА СМАЗКИ МАСЛ. СИСТЕМА
FIT
1:1
100%

Артикул

Название

Примечание

Количество

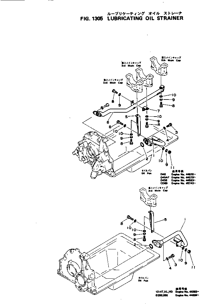
1

6130-52-6111

PIPE

SN: 44605-UP

1шт.

2

6127-61-2870

O-RING (K2)

SN: 44605-UP

1шт.

3

01010-30825

BOLT

SN: 44605-UP

2шт.

4

01602-00825

WASHER,SPRING

SN: 44605-UP

2шт.

5

6130-52-6140

PLATE

SN: 44605-UP

1шт.

8

01010-31025

BOLT

SN: 44605-UP

2шт.

9

01602-01030

WASHER,SPRING

SN: 44605-UP

2шт.

10

01643-31032

WASHER

SN: 44605-UP

3шт.

11

01580-01008

NUT

SN: 44605-UP

1шт.

Выбрано товаров: 0