Качественные детали и логистика
Оригинальные и аналоговые запчасти с доставкой по России, Казахстану и Беларуси
©2022 PartSell ООО "Система" ИНН 2463123282 ОГРН 1212400004838
Центральный офис: г. Красноярск, Академика Киренского, д.87, пом.4
Телефон: 8 (800) 777-65-74 Email: zakaz@partsell.ru
-
№
Артикул
Название
Примечание
Количество
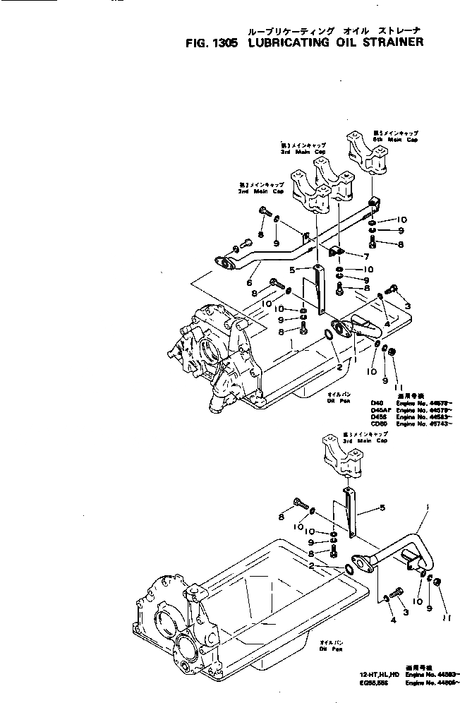
1
6130-52-6111
PIPE
SN: 44605-UP
1шт.
2
6127-61-2870
O-RING
3
01010-30825
BOLT
2шт.
4
01602-00825
WASHER
5
6130-52-6140
BRACKET
8
01010-31025
9
01602-01030
10
01643-31032
3шт.
11
01580-01008
NUT
Выбрано товаров: 0