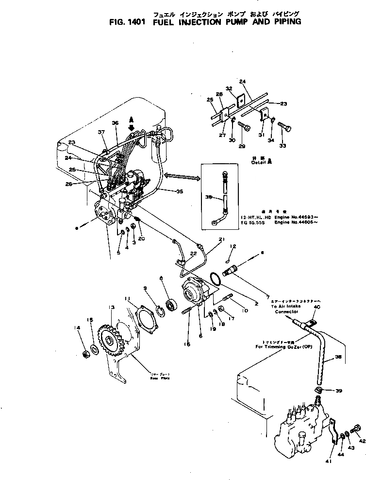
Запчасти Komatsu S4D105-3K ТОПЛ. НАСОС И ТРУБЫ ТОПЛИВН. СИСТЕМА

Схема запчастей Komatsu S4D105-3K - ТОПЛ. НАСОС И ТРУБЫ ТОПЛИВН. СИСТЕМА
FIT
1:1
100%

Артикул

Название

Примечание

Количество

1

6131-72-1982

INJECTION PUMP ASS'Y,(SEE FIG.1451)

SN: ..-UP

1шт.

|1

0

INJECTION PUMP ASS'Y,(SEE FIG.1451)

SN: .-..

1шт.

|1

0

INJECTION PUMP ASS'Y,(SEE FIG.1451)

SN: 45473-.

1шт.

2

07000-02065

O-RING (K2)

SN: 45473-UP

1шт.

3

01580-01008

NUT

SN: 45473-UP

4шт.

4

01602-01030

WASHER,SPRING

SN: 45473-UP

4шт.

5

01640-21016

WASHER

SN: 45473-UP

4шт.

|6

6130-72-3300

CASE ASS'Y

SN: 45473-UP

1шт.

6

6130-72-3310

CASE

SN: 45473-UP

1шт.

7

6130-72-3110

SHAFT

SN: 45473-UP

1шт.

8

06000-06205

BEARING

SN: 45473-UP

1шт.

9

04065-05220

RING,SNAP

SN: 45473-UP

1шт.

10

01144-31035

STUD

SN: 45473-UP

4шт.

11

6130-72-3810

GASKET (K2)

SN: 45473-UP

1шт.

12

04010-00519

KEY

SN: 45473-UP

1шт.

13

6130-71-3120

GEAR

SN: 45473-UP

1шт.

14

01583-02012

NUT

SN: 45473-UP

1шт.

15

01654-22016

WASHER,LOCK

SN: 45473-UP

1шт.

16

6130-22-4880

STUD

SN: .-UP

6шт.

|16

0

STUD

SN: 45473-.

6шт.

17

01582-01008

NUT

SN: 45473-UP

6шт.

18

01602-01030

WASHER,SPRING

SN: 45473-UP

6шт.

19

01640-21016

WASHER

SN: 45473-UP

5шт.

20

07213-50610

CONNECTOR

SN: 45473-UP

1шт.

21

6130-72-5710

PIPE,OIL

SN: 45473-UP

1шт.

22

6130-72-5720

CLAMP

SN: 45473-UP

1шт.

23

6131-72-5110

PIPE,INJECTION¤ NO.1

SN: 45473-UP

1шт.

24

6131-72-5120

PIPE,INJECTION¤ NO.2

SN: 45473-UP

1шт.

25

6131-72-5130

PIPE,INJECTION¤ NO.3

SN: 45473-UP

1шт.

26

6131-72-5140

PIPE

SN: 45473-UP

1шт.

|27

6130-72-5810

CLIP ASS'Y

SN: 53839-UP

3шт.

|27

0

CLIP ASS'Y

SN: 45473-53838

3шт.

27

6130-72-5820

CLIP

SN: 53839-UP

1шт.

|27

6130-71-5730

CLIP

SN: 45473-53838

1шт.

28

6130-72-5830

CLIP

SN: 53839-UP

1шт.

|28

6130-71-5740

CLIP¤ WITH THREAD

SN: 45473-53838

1шт.

29

6130-71-5750

BOLT

SN: 45473-UP

1шт.

30

6130-71-5760

WASHER,SPRING

SN: 45473-UP

1шт.

31

6130-71-5781

CLAMP

SN: 45473-UP

1шт.

32

6130-72-5430

PLATE

SN: 45473-UP

1шт.

33

01010-30625

BOLT

SN: 45473-UP

1шт.

34

01602-00619

WASHER,SPRING

SN: 45473-UP

1шт.

35

07271-01445

HOSE

SN: 45473-UP

1шт.

36

07271-01460

HOSE

SN: 45473-UP

1шт.

37

6130-72-5611

CLIP

SN: 45473-UP

1шт.

Выбрано товаров: 45