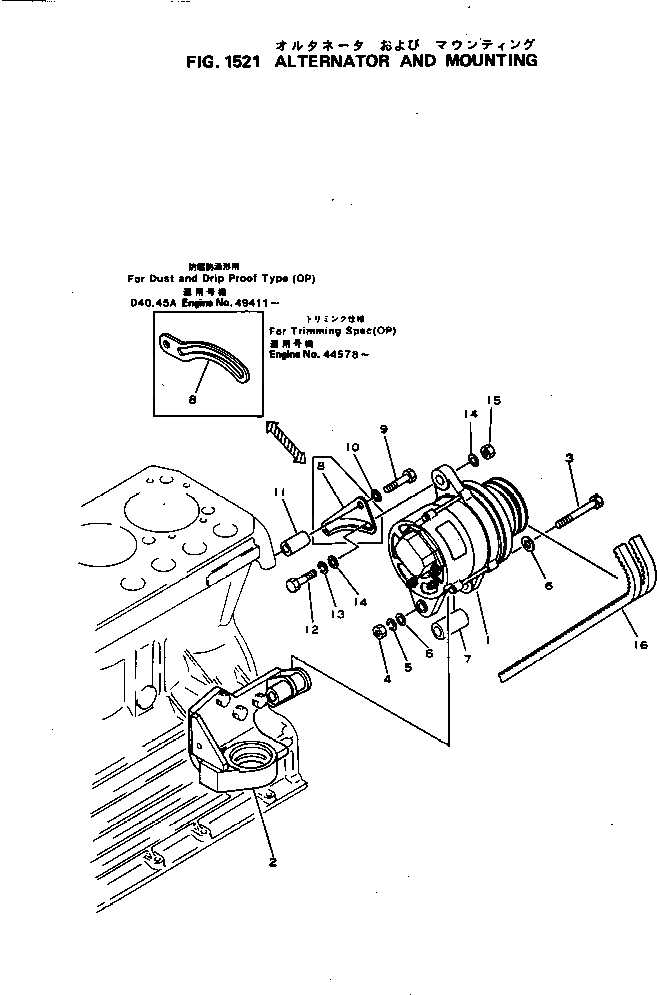
Запчасти Komatsu S4D105-3K ГЕНЕРАТОР И КРЕПЛЕНИЕ ОХЛАЖД-Е И ЭЛЕКТРИКАS

Схема запчастей Komatsu S4D105-3K - ГЕНЕРАТОР И КРЕПЛЕНИЕ ОХЛАЖД-Е И ЭЛЕКТРИКАS
FIT
1:1
100%

Артикул

Название

Примечание

Количество

1

600-821-5450

ALTERNATOR A. (25A),(SEE FIG.1541)

SN: 45473-UP

1шт.

2

6131-22-3741

BRACKET,FRONT¤ R.H.

SN: 56442-UP

1шт.

|2

0

BRACKET,FRONT¤ R.H.

SN: 45473-56441

1шт.

|$$4

(6131-22-3741{6131-22-3940)}

-1шт.

3

01051-31425

BOLT

SN: 45473-UP

1шт.

4

01582-01411

NUT

SN: 45473-UP

1шт.

5

01602-01442

WASHER,SPRING

SN: 45473-UP

1шт.

6

01641-21423

WASHER

SN: 45473-UP

2шт.

7

6130-22-3940

SPACER

SN: 45473-UP

1шт.

8

6130-22-6730

PLATE,ADJUST

SN: 45473-UP

1шт.

9

01010-31065

BOLT

SN: 45473-UP

1шт.

10

01602-01030

WASHER,SPRING

SN: 45473-UP

1шт.

11

6130-22-6760

SPACER

SN: 45473-UP

1шт.

12

01010-31040

BOLT

SN: 45473-UP

1шт.

14

01643-31032

WASHER

SN: 45473-UP

2шт.

15

01580-01008

NUT

SN: 45473-UP

1шт.

16

04121-21754

V-BELT SET

SN: 45473-UP

1шт.

17

600-022-2110

PLATE¤ CAUTION,(NOT SHOWN)

SN: 45473-UP

1шт.

Выбрано товаров: 18