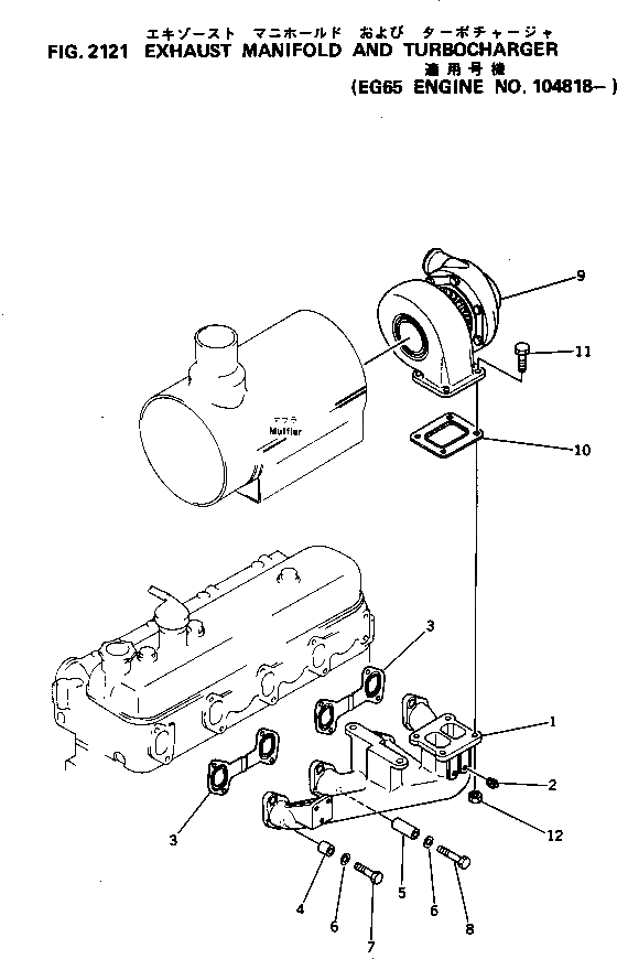
Запчасти Komatsu S4D105-5C ВЫПУСКНОЙ КОЛЛЕКТОР И ТУРБОНАГНЕТАТЕЛЬ ГОЛОВКА ЦИЛИНДРОВ

Схема запчастей Komatsu S4D105-5C - ВЫПУСКНОЙ КОЛЛЕКТОР И ТУРБОНАГНЕТАТЕЛЬ ГОЛОВКА ЦИЛИНДРОВ
FIT
1:1
100%

Артикул

Название

Примечание

Количество

1

6135-11-5110

MANIFOLD,EXHAUST

SN: 104818-UP

1шт.

2

07042-20108

PLUG

SN: 104818-UP

2шт.

3

6135-11-5810

GASKET (K1)

SN: .-UP

2шт.

3

0

GASKET

SN: 104818-.

2шт.

4

6112-21-6960

SPACER

SN: 104818-UP

2шт.

5

6134-11-5120

SPACER

SN: 104818-UP

6шт.

6

01643-31032

WASHER

SN: 104818-UP

8шт.

7

01010-31060

BOLT

SN: .-UP

2шт.

7

0

BOLT

SN: 104818-.

2шт.

8

01010-31080

BOLT

SN: .-UP

6шт.

8

0

BOLT

SN: 104818-.

6шт.

9

6135-82-8200

TURBOCHARGER ASS'Y,(SEE FIG.2141)

SN: 150007-UP

1шт.

9

6135-81-8202

TURBOCHARGER ASS'Y,(SEE FIG.2141)

SN: .-149999

1шт.

9

0

TURBOCHARGER ASS'Y,(SEE FIG.2141)

SN: 104818-.

1шт.

10

6131-11-5170

GASKET (K1)

SN: 104818-UP

1шт.

11

02030-40638

BOLT

SN: 104818-UP

4шт.

12

6131-11-1290

NUT

SN: 104818-UP

4шт.

Выбрано товаров: 17