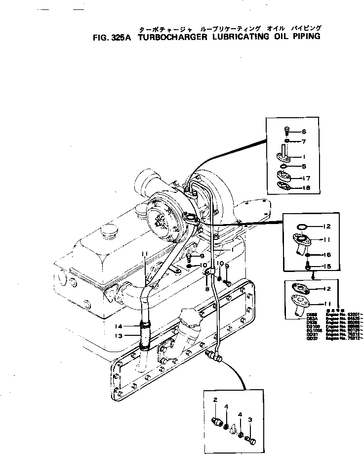
Запчасти Komatsu S4D120-11S ТУРБОНАГНЕТАТЕЛЬ СИСТЕМА СМАЗКИ МАСЛ. PIPE СИСТЕМА СМАЗКИ МАСЛ. СИСТЕМА

Схема запчастей Komatsu S4D120-11S - ТУРБОНАГНЕТАТЕЛЬ СИСТЕМА СМАЗКИ МАСЛ. PIPE СИСТЕМА СМАЗКИ МАСЛ. СИСТЕМА
FIT
1:1
100%

Артикул

Название

Примечание

Количество

1

6112-53-7713

PIPE

SN: 75890-UP

1шт.

|1

6112-53-7711

PIPE

SN: 59235-75889

1шт.

2

6112-53-7720

NIPPLE

SN: 59235-UP

1шт.

3

07206-11014

BOLT

SN: 70660-UP

1шт.

|3

07206-01014

BOLT

SN: 59235-70659

1шт.

4

07005-01412

GASKET (K2)

SN: 62569-UP

2шт.

|4

07003-01419

GASKET

SN: 59235-62568

2шт.

5

07000-02018

O-RING (K2)

SN: 59235-UP

1шт.

6

01010-30820

BOLT

SN: 70660-UP

2шт.

|6

01000-30820

BOLT

SN: 59235-70659

2шт.

7

01602-00825

WASHER

SN: 59235-UP

2шт.

8

6112-53-7760

CLAMP

SN: 59235-UP

1шт.

9

01010-30816

BOLT

SN: 70660-UP

2шт.

|9

01000-30816

BOLT

SN: 59235-70659

2шт.

10

01602-00825

WASHER

SN: 59235-UP

2шт.

11

6112-53-7733

PIPE

SN: 63201-UP

1шт.

|11

6112-53-7731

PIPE

SN: 59235-63200

1шт.

12

6112-53-7740

GASKET (K2)

SN: 63201-UP

1шт.

|12

07000-03032

O-RING (K2)

SN: 59235-63200

1шт.

13

6112-53-7751

HOSE

SN: 63201-UP

1шт.

|13

6112-53-7750

HOSE

SN: 59235-63200

1шт.

14

07281-00489

CLAMP

SN: 87674-UP

2шт.

|14

0

CLAMP

SN: 82018-87673

2шт.

|14

0

CLAMP

SN: 71790-82009

2шт.

|14

0

CLAMP

SN: 66885-71789

2шт.

|14

0

CLAMP

SN: 59235-66884

2шт.

15

01010-31025

BOLT

SN: 59235-UP

2шт.

16

01602-01030

WASHER

SN: 59235-UP

2шт.

17

6112-53-7770

SPACER

SN: 59235-UP

1шт.

18

6112-53-7780

GASKET (K2)

SN: 59235-UP

1шт.

Выбрано товаров: 0