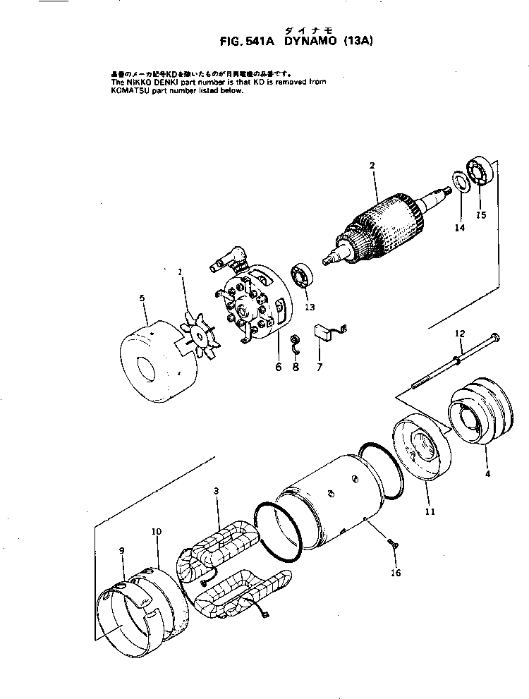
Запчасти Komatsu S4D120-11S DYNAMO(A) ОХЛАЖД-Е И ЭЛЕКТРИКАS

Схема запчастей Komatsu S4D120-11S - DYNAMO(A) ОХЛАЖД-Е И ЭЛЕКТРИКАS
FIT
1:1
100%

Артикул

Название

Примечание

Количество

|1

6112-81-6310

DYNAMO ASS'Y (13A)

SN: 59235-UP

1шт.

1

KD1-31421-0080

FAN

SN: 59235-UP

1шт.

2

KD7-31100-0030

ARMATURE ASS'Y

SN: 59235-UP

1шт.

3

KD1-31230-0400

FIELD COIL ASS'Y

SN: 59235-UP

1шт.

4

KD0-31400-0640

PULLEY ASS'Y

SN: 59235-UP

1шт.

5

KD1-31761-0570

COVER

SN: 59235-UP

1шт.

6

KD7-31700-0030

REAR BRACKET ASS'Y

SN: 59235-UP

1шт.

7

KD1-31740-0121

BRUSH

SN: 59235-UP

4шт.

8

KD1-31913-0120

SPRING

SN: 59235-UP

4шт.

9

KD1-31801-0200

BAND

SN: 59235-UP

1шт.

10

KD1-31951-0410

PACKING

SN: 59235-UP

1шт.

11

KD7-31300-0020

FRONT BRACKET ASS'Y

SN: 59235-UP

1шт.

12

KD0-0143-06002

BOLT

SN: 59235-UP

2шт.

13

KD1-0442-62037

BEARING

SN: 59235-UP

1шт.

14

KD1-21921-0090

WASHER

SN: 59235-UP

2шт.

15

KD1-0442-62057

BEARING

SN: 59235-UP

1шт.

16

KD1-0061-08182

SCREW

SN: 59235-UP

8шт.

17

KD7-09210-0080

SEAL ASS'Y,(NOT SHOWN)

SN: 59235-UP

1шт.

Выбрано товаров: 18