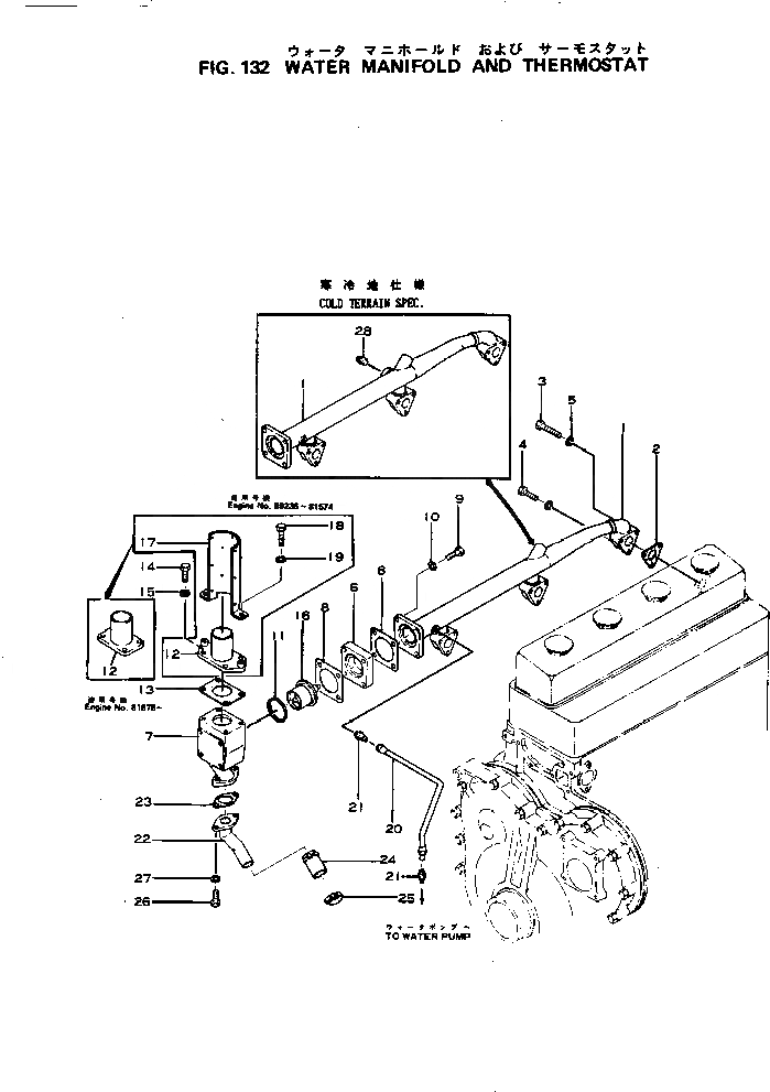
Запчасти Komatsu S4D120-11S ВОДЯНОЙ КОЛЛЕКТОР И ТЕРМОСТАТ ГОЛОВКА ЦИЛИНДРОВ

Схема запчастей Komatsu S4D120-11S - ВОДЯНОЙ КОЛЛЕКТОР И ТЕРМОСТАТ ГОЛОВКА ЦИЛИНДРОВ
FIT
1:1
100%

Артикул

Название

Примечание

Количество

1

6112-13-6110

MANIFOLD

SN: 59235-UP

1шт.

|1

6112-13-6190

MANIFOLD,(A)

SN: 61639-UP

1шт.

2

6110-11-6810

GASKET (K1)

SN: 59235-UP

3шт.

3

01010-30850

BOLT

SN: 70660-UP

6шт.

|3

01000-30850

BOLT

SN: 59235-70659

6шт.

4

01010-30825

BOLT

SN: 70660-UP

3шт.

|4

01000-30825

BOLT

SN: 59235-70659

3шт.

5

01602-00825

WASHER

SN: 59235-UP

9шт.

6

6112-13-6210

SPACER

SN: 59235-UP

1шт.

7

6111-11-6411

CASE

SN: 59235-UP

1шт.

8

6110-11-6450

GASKET (K1)

SN: 59235-UP

2шт.

9

01010-30850

BOLT

SN: 70660-UP

4шт.

|9

01000-30850

BOLT

SN: 59235-70659

4шт.

10

01602-00825

WASHER

SN: 59235-UP

4шт.

11

6710-11-6451

SEAL

SN: 89839-UP

1шт.

|11

0

SEAL (K1)

SN: 71012-89838

1шт.

|11

0

SEAL

SN: 59235-71011

1шт.

12

6112-13-6421

COVER

SN: 81575-UP

1шт.

|12

0

COVER

SN: 59235-81574

1шт.

13

6111-11-6430

GASKET (K1)

SN: 59235-UP

1шт.

14

01010-30825

BOLT

SN: 70660-UP

4шт.

|14

01000-30825

BOLT

SN: 59235-70659

4шт.

15

01602-00825

WASHER

SN: 59235-UP

4шт.

16

600-421-6610

THERMOSTAT

SN: .-UP

1шт.

16

0

THERMOSTAT

SN: 59235-.

1шт.

17

6112-13-6490

COVER

SN: 59235-81574

1шт.

18

01010-30820

BOLT

SN: 70660-81574

2шт.

|18

01000-30820

BOLT

SN: 59235-70659

2шт.

19

01602-00825

WASHER

SN: 59235-81574

2шт.

20

6112-63-1730

PIPE

SN: 59235-UP

1шт.

21

07214-50610

CONNECTOR

SN: 59235-UP

2шт.

22

6112-63-6411

PIPE

SN: 79394-UP

1шт.

|22

6112-63-6410

PIPE

SN: 59235-79393

1шт.

23

6120-61-6860

GASKET (K1)

SN: 59235-UP

1шт.

24

6112-63-6421

HOSE

SN: 79394-UP

1шт.

|24

0

HOSE

SN: 59235-79393

1шт.

25

07281-00419

CLAMP

SN: 87674-UP

2шт.

|25

0

CLAMP

SN: 81574-87673

2шт.

|25

0

CLAMP

SN: 71790-81573

2шт.

|25

0

CLAMP

SN: 59235-71789

2шт.

26

01010-30825

BOLT

SN: 70660-UP

2шт.

|26

01000-30825

BOLT

SN: 59235-70659

2шт.

27

01602-00825

WASHER

SN: 59235-UP

2шт.

28

07042-00415

PLUG,(A)

SN: 61635-UP

1шт.

Выбрано товаров: 0