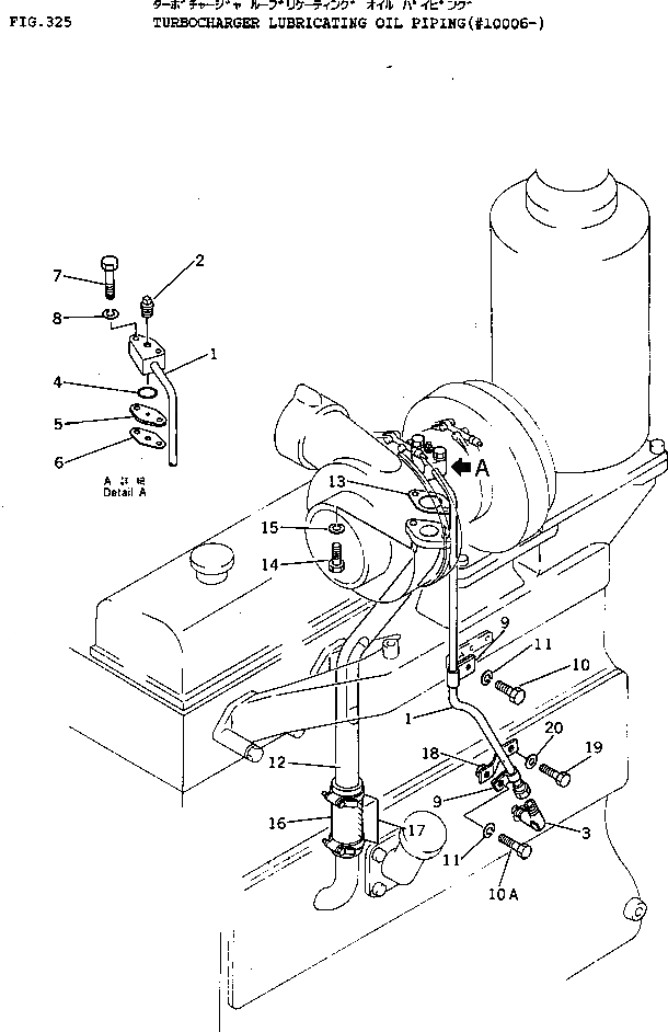
Запчасти Komatsu S4D130-1A ЛИНИЯ СМАЗКИ ТУРБОНАГНЕТАТЕЛЯ(№-) СИСТЕМА СМАЗКИ МАСЛ. СИСТЕМА

Схема запчастей Komatsu S4D130-1A - ЛИНИЯ СМАЗКИ ТУРБОНАГНЕТАТЕЛЯ(№-) СИСТЕМА СМАЗКИ МАСЛ. СИСТЕМА
FIT
1:1
100%

Артикул

Название

Примечание

Количество

1

6115-51-7720

PIPE

SN: 10006-UP

1шт.

2

07042-20108

PLUG

SN: 10006-UP

1шт.

3

6115-51-7711

ELBOW

SN: 17958-UP

1шт.

3

6115-51-7710

ELBOW

SN: 10006-17957

1шт.

4

07000-62018

O-RING (K2)

SN: 10006-UP

1шт.

5

6112-53-7770

SPACER

SN: 10006-UP

1шт.

6

6112-53-7780

GASKET (K2)

SN: 10006-UP

1шт.

7

01010-30840

BOLT

SN: 10006-UP

2шт.

8

01602-00825

WASHER

SN: 10006-UP

2шт.

9

6112-53-7760

CLAMP

SN: 17958-UP

2шт.

9

6112-53-7760

CLAMP

SN: 10006-17957

1шт.

10

01010-30816

BOLT

SN: 10006-UP

1шт.

10A

01010-30820

BOLT

SN: 17958-UP

1шт.

11

01602-00825

WASHER

SN: 17958-UP

2шт.

11

01602-00825

WASHER

SN: 10006-17957

1шт.

12

6115-51-7731

PIPE

SN: 12422-UP

1шт.

12

0

PIPE

SN: 10006-12421

1шт.

13

6112-53-7740

GASKET (K2)

SN: 10006-UP

1шт.

14

01010-31025

BOLT

SN: 10006-UP

2шт.

15

01602-01030

WASHER

SN: 10006-UP

2шт.

16

6112-53-7751

HOSE

SN: 10006-UP

1шт.

17

07281-00489

CLAMP

SN: 10006-UP

2шт.

18

6115-51-7740

BRACKET

SN: 17958-UP

1шт.

19

01010-30814

BOLT,(SEE FIG.201)

SN: 17958-UP

1шт.

20

6110-21-6630

WASHER,(SEE FIG.201)

SN: 17958-UP

1шт.

Выбрано товаров: 0