Запчасти Komatsu S4D155-4 ТУРБОНАГНЕТАТЕЛЬ(№-) ГОЛОВКА ЦИЛИНДРОВ

Схема запчастей Komatsu S4D155-4 - ТУРБОНАГНЕТАТЕЛЬ(№-) ГОЛОВКА ЦИЛИНДРОВ
FIT
1:1
100%

Артикул

Название

Примечание

Количество

|$0

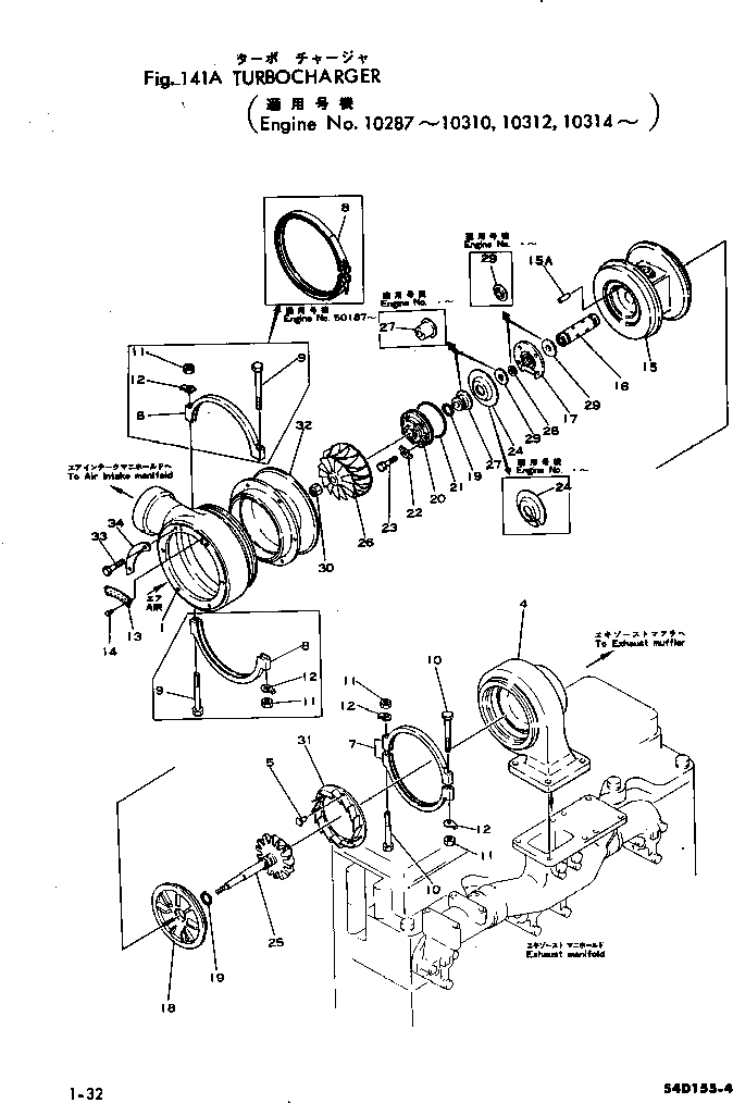
6502-12-7001

TURBOCHARGER ASS'Y,(KTR130-7D)

SN: 10287-@

1шт.

1

6502-12-1410

HOUSING,BLOWER

SN: 10287-@

1шт.

|$2

6502-12-2202

HOUSING ASS'Y

SN: .-@

1шт.

|$3

0

HOUSING ASS'Y

SN: 10287-.

1шт.

4

6502-12-2512

HOUSING,TURBINE

SN: 10287-@

1шт.

5

6502-12-2871

PIN

SN: .-@

2шт.

5

0

PIN

SN: 10287-.

2шт.

7

6502-12-1711

V-BAND ASS'Y

SN: 10287-@

2шт.

8

6502-12-1721

V-BAND ASS'Y

SN: 10287-@

2шт.

9

6502-12-1731

BOLT

SN: 10287-@

2шт.

10

6502-12-1741

BOLT

SN: 10287-@

2шт.

11

6502-12-1360

NUT

SN: 10287-@

4шт.

12

01650-20808

WASHER,LOCK (KIT)

SN: 10287-@

4шт.

13

6502-12-1912

PLATE, NAME

SN: 10287-@

1шт.

14

04418-02550

SCREW

SN: 10287-@

4шт.

15

6502-12-1611

HOUSING,CENTER

SN: 10287-@

1шт.

15A

6501-11-1670

ORIFICE

SN: 10287-@

1шт.

16

6502-12-1620

BEARING,JOURNAL

SN: 10287-@

1шт.

17

6502-12-1631

BEARING,THRUST

SN: 10287-@

1шт.

18

6502-12-1520

SHIELD

SN: 10287-@

1шт.

19

6502-12-1340

RING,SEAL (KIT)

SN: 10287-@

2шт.

20

6502-12-1640

INSERT

SN: 10287-@

1шт.

21

07000-63095

O-RING (KIT)

SN: 10287-@

1шт.

22

6501-11-1650

WASHER,LOCK (KIT)

SN: 10287-@

4шт.

23

01010-30630

BOLT

SN: 10287-@

4шт.

24

6502-12-1662

COVER

SN: .-@

1шт.

24

0

COVER

SN: .-@

1шт.

24

0

COVER

SN: 10287-.

1шт.

|$28

6502-12-7201

ROTOR ASS'Y

SN: .-@

1шт.

|$29

0

ROTOR ASS'Y

SN: 10287-.

1шт.

|$$31

(6502-12-7201,6502-12-1662)

-1шт.

25

0

ROTOR,TURBINE

SN: 10287-@

1шт.

26

0

IMPELLER,BLOWER

SN: 10287-@

1шт.

27

0

FLINGER

SN: ..-@

1шт.

27

0

FLINGER

SN: .-..

1шт.

27

0

FLINGER

SN: 10287-.

1шт.

28

0

SPACER

SN: 10287-@

1шт.

29

0

COLLAR,THRUST

SN: ..-@

1шт.

29

0

COLLAR,THRUST

SN: 10287-..

2шт.

30

0

NUT

SN: ..-@

1шт.

30

0

NUT

SN: 10287-..

1шт.

31

6502-12-2812

NOZZLE

SN: .-@

1шт.

31

6502-12-2811

NOZZLE

SN: 10287-.

1шт.

32

6502-12-7420

HOUSING,INLET

SN: 10287-@

1шт.

33

01010-30818

BOLT

SN: 10287-@

6шт.

34

6502-12-1430

PLATE

SN: 10287-@

3шт.

|$46

6502-12-1300

OVERHAUL KIT

SN: 10287-@

1шт.

|$47

01650-20808

WASHER,LOCK

SN: 10287-@

4шт.

|$48

6502-12-1340

RING,SEAL

SN: 10287-@

2шт.

|$49

07000-63095

O-RING

SN: 10287-@

1шт.

|$50

6501-11-1650

WASHER

SN: 10287-@

4шт.

Выбрано товаров: 51