Запчасти Komatsu S4D95L-1K МАСЛООХЛАДИТЕЛЬ (С ПРОХОДНОЙ ФИЛЬТР¤ 6-ЭЛЕМЕНТН.) ДВИГАТЕЛЬ

Схема запчастей Komatsu S4D95L-1K - МАСЛООХЛАДИТЕЛЬ (С ПРОХОДНОЙ ФИЛЬТР¤ 6-ЭЛЕМЕНТН.) ДВИГАТЕЛЬ
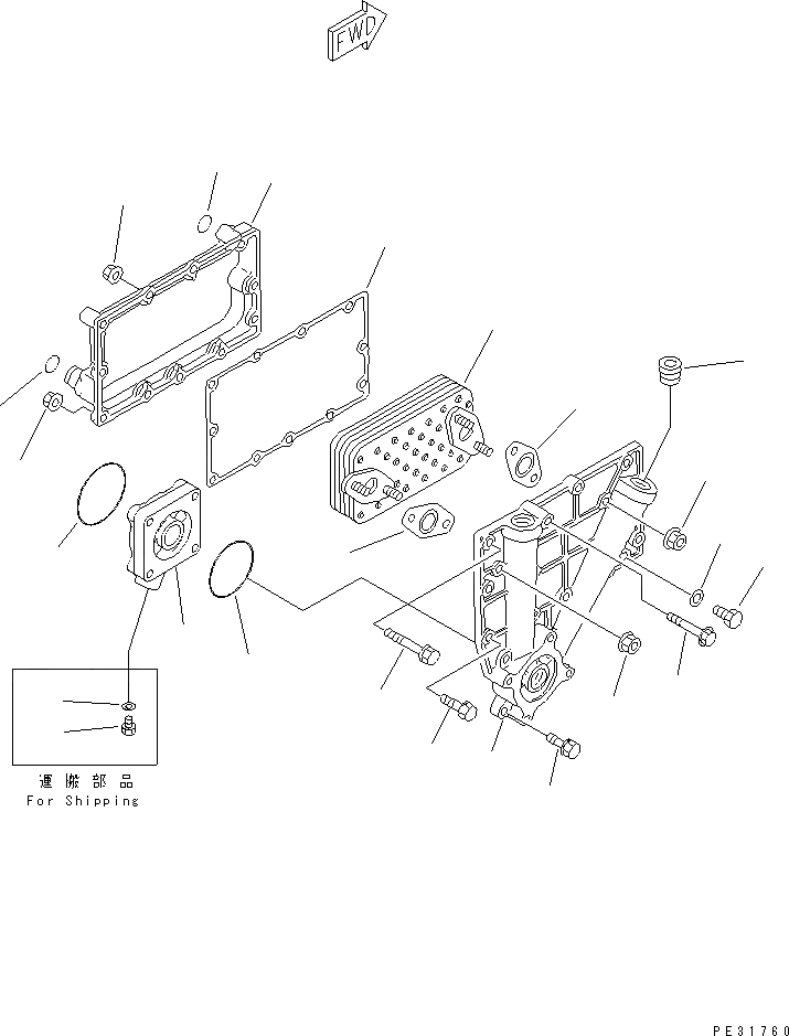
1
2
3
4
5
6
6
7
7
8
9
10
11
12
13
14
15
16
17
18
19
20
21
22
FIT
1:1
100%

Артикул

Название

Примечание

Количество

1

6204-61-5110

COVER ASS'Y

SN: 143760-UP

1шт.

2

6204-61-5170

PLUG

SN: 143760-UP

2шт.

3

6205-61-5220

HOUSING

SN: 143760-UP

1шт.

4

6204-61-5181

GASKET (K2)

SN: 160812-UP

1шт.

|4

0

GASKET (K2)

SN: 143760-160811

1шт.

5

600-651-1560

ELEMENT

SN: 143760-UP

1шт.

6

6204-61-5191

GASKET (K2)

SN: 160812-UP

2шт.

|6

0

GASKET (K2)

SN: 143760-160811

2шт.

7

01584-00806

NUT

SN: 143760-UP

4шт.

8

600-311-6720

PLUG

SN: 143760-UP

1шт.

9

07005-00812

GASKET (K2)

SN: 143760-UP

1шт.

10

01435-20830

BOLT

SN: 143760-UP

7шт.

11

01584-00806

NUT

SN: 143760-UP

7шт.

12

01435-20850

BOLT

SN: 143760-UP

1шт.

13

01584-00806

NUT

SN: 143760-UP

1шт.

14

07000-02020

O-RING (K2)

SN: 143760-UP

1шт.

15

07000-02018

O-RING (K2)

SN: 143760-UP

1шт.

16

07000-62070

O-RING (K2)

SN: 143760-UP

1шт.

17

6205-51-7120

SPACER

SN: 143760-UP

1шт.

18

07000-62070

O-RING (K2)

SN: 143760-UP

1шт.

19

01435-20850

BOLT

SN: 143760-UP

4шт.

20

01435-20880

BOLT

SN: 143760-UP

3шт.

21

6110-53-5910

PLUG,(FOR SHIPPING)

SN: 143760-UP

1шт.

22

07005-01412

GASKET,(FOR SHIPPING)

SN: 143760-UP

1шт.

Выбрано товаров: 24