Запчасти Komatsu S4D95L-1L ТРУБОПРОВОД ВПУСКА ВОЗДУХА ДВИГАТЕЛЬ

Схема запчастей Komatsu S4D95L-1L - ТРУБОПРОВОД ВПУСКА ВОЗДУХА ДВИГАТЕЛЬ
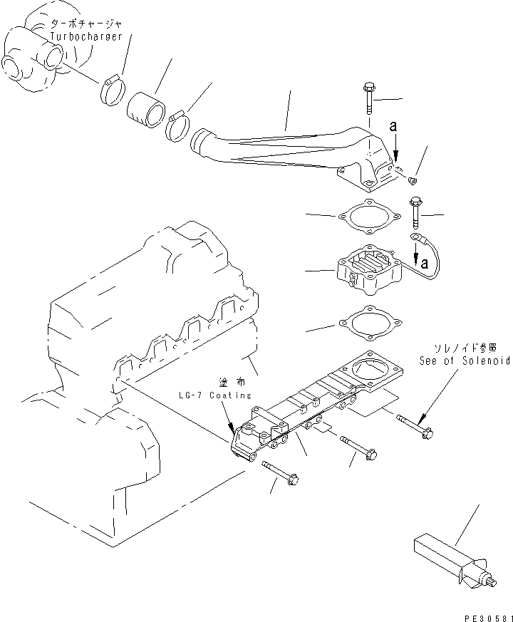
1
2
3
4
5
6
6
7
7
8
9
9
10
11
FIT
1:1
100%

Артикул

Название

Примечание

Количество

1

6204-13-4131

MANIFOLD,AIR INTAKE

SN: 160812-UP

1шт.

2

01435-21075

BOLT

SN: 160812-UP

4шт.

3

6205-11-4310

CONNECTOR,AIR

SN: 160812-UP

1шт.

4

07043-50108

PLUG

SN: 160812-UP

1шт.

5

600-815-2341

HEATER,RIBBON

SN: 160812-UP

1шт.

6

6136-11-4850

GASKET (K1)

SN: 160812-UP

2шт.

7

01435-21070

BOLT

SN: 160812-UP

4шт.

8

6207-11-4370

HOSE

SN: 160812-UP

1шт.

9

07281-00709

CLAMP

SN: 160812-UP

2шт.

10

01435-21065

BOLT

SN: 160812-UP

2шт.

11

09920-00150

LIQUID GASKET,LG-7, 150G

SN: 160812-UP

-2шт.

Выбрано товаров: 11