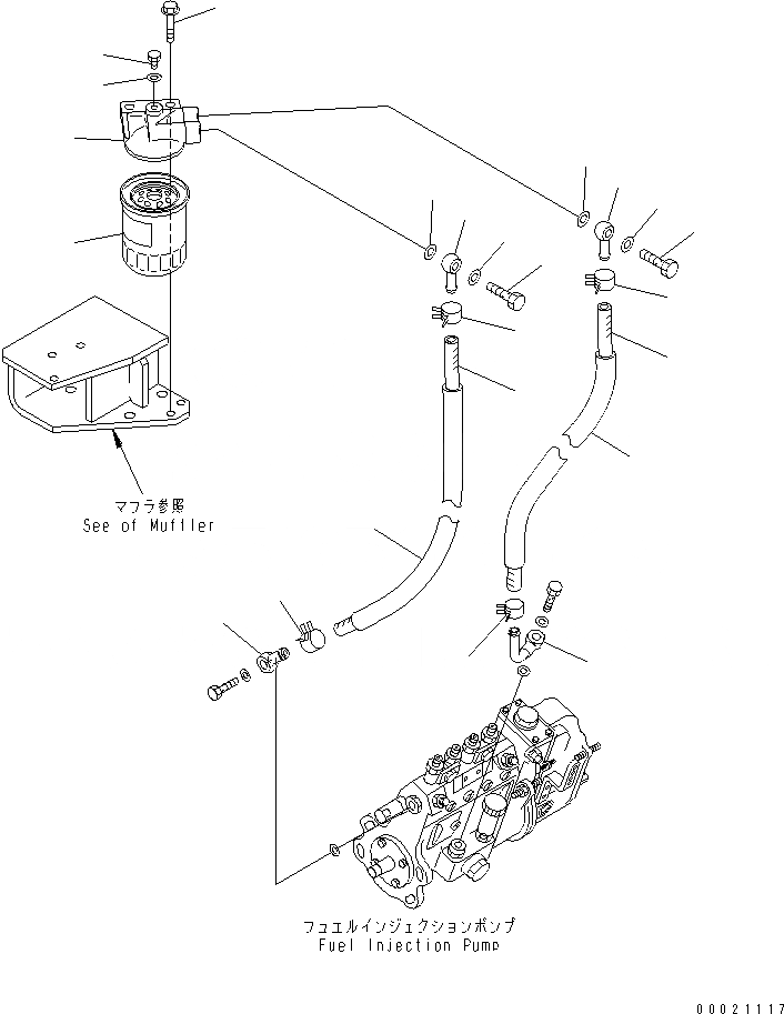
Запчасти Komatsu S4D95LE-3C-2M ТОПЛИВН. ФИЛЬТР.(№-) ДВИГАТЕЛЬ

Схема запчастей Komatsu S4D95LE-3C-2M - ТОПЛИВН. ФИЛЬТР.(№-) ДВИГАТЕЛЬ
1
2
3
4
5
6
7
7
7
8
8
8
8
9
9
10
10
10
10
11
12
13
14
1
2
3
4
5
6
7
7
7
8
8
8
8
9
9
10
10
10
10
11
12
13
14
FIT
1:1
100%

Артикул

Название

Примечание

Количество

|$1

6204-71-6500

FUEL FILTER ASS'Y

SN: 102014-UP

1шт.

1

600-311-9640

HEAD

SN: 102014-UP

1шт.

2

600-311-7460

CARTRIDGE

SN: 102014-UP

1шт.

3

600-311-6720

PLUG

SN: 102014-UP

1шт.

4

07005-00812

SEAL, WASHER

SN: 102014-UP

1шт.

5

01435-01030

BOLT

SN: 102077-UP

1шт.

5

0

BOLT

SN: 102014-102076

1шт.

6

6206-71-5850

JOINT

SN: 102014-UP

1шт.

7

6144-71-5750

JOINT

SN: 102014-UP

3шт.

8

11Y-09-11140

CLIP

SN: 102014-UP

4шт.

9

07206-31014

BOLT,JOINT

SN: 102014-UP

2шт.

10

07005-01412

SEAL, WASHER (K2)

SN: 102014-UP

4шт.

11

07260-20928

HOSE

SN: 102014-UP

1шт.

12

07260-20925

HOSE

SN: 102014-UP

1шт.

13

07286-01923

HOSE

SN: 102014-UP

1шт.

14

07286-01921

HOSE

SN: 102014-UP

1шт.

|$1

6204-71-6500

FUEL FILTER ASS'Y

SN: 102014-UP

1шт.

1

600-311-9640

HEAD

SN: 102014-UP

1шт.

2

600-311-7460

CARTRIDGE

SN: 102014-UP

1шт.

3

600-311-6720

PLUG

SN: 102014-UP

1шт.

4

07005-00812

SEAL, WASHER

SN: 102014-UP

1шт.

5

01435-01030

BOLT

SN: 102077-UP

1шт.

5

0

BOLT

SN: 102014-102076

1шт.

6

6206-71-5850

JOINT

SN: 102014-UP

1шт.

7

6144-71-5750

JOINT

SN: 102014-UP

3шт.

8

11Y-09-11140

CLIP

SN: 102014-UP

4шт.

9

07206-31014

BOLT,JOINT

SN: 102014-UP

2шт.

10

07005-01412

SEAL, WASHER (K2)

SN: 102014-UP

4шт.

11

07260-20928

HOSE

SN: 102014-UP

1шт.

12

07260-20925

HOSE

SN: 102014-UP

1шт.

13

07286-01923

HOSE

SN: 102014-UP

1шт.

14

07286-01921

HOSE

SN: 102014-UP

1шт.

Выбрано товаров: 32